第1章.総則
ダム管理用制御処理設備(以下「ダムコン」という。)は、放流設備を操作規則に基づき確実 かつ容易に操作するため、ダムの流水管理に関わる演算処理や放流設備の操作ならびに操作の支援を行うための設備である。 本仕様書は、国土交通省所管のダムに設置されるダムコンの計画、設計のための標準的な設計 仕様について述べたものである。 |
(解説)
(1) 本仕様書での「ダムコン」とは、ダム管理において必要となる情報の収集入力、演算、表示・記録、放流設備の操作及び関係機関への情報 伝達(上位局、利水者等との情報送受信)といった処理を行う設備全体を示すものとして定義する。
(2)
ダム運用の目的は、河川法第14条及び特定多目的ダム法第31条により制定を義務づけられている操作規則に基づいて、放流設備の操作
を的確に行うことにより洪水調節、用水供給などのダムの目的を確実に発揮させることにある。
ダムコンは、放流設備を操作規則に基づ
き確実かつ容易に操作するため、ダムの流水管理に関わる演算処理や放流設備の操作ならびに操作の支援を行うための設備であり、さらに所要の操作のみならず
一部のシステムの故障や設備の障害などの異常発生時にも的確に対応できることを容易にするものでなければならない。
ダムの洪水調節
には、定率定量放流方式、一定量放流方式など種々の方式があり、その操作は予め定められた操作規則・操作細則に規定された内容に従い実施される。また、平
常時の利水補給についても操作規則に基づき下流の基準点において必要な水量が確保されるようにダムから補給する操作が行われる。
上
述した洪水時、平常時のダム運用において適切な操作を実現するためには、現状の水文量を迅速に計算して放流計画立案のための判断情報を操作員に提供し、操
作員の判断のもと放流設備を的確に操作支援するダムコンが必要である。
本仕様書の適 用は、以下によるものとする。 @ 本仕様書は、河川法及び特定多目的ダム法に基づき建設される国土交通省所管の治水ダム及び多目的ダムのダムコンの計画設計に適用する。 A 本仕様書は、洪水調節時に洪水吐ゲートの操作を必要とするダム 及び洪水調節時に洪水吐ゲートの操作を必要としないダム(自然調節ダム)に適用する。 B 本仕様書の適用にあたっては、対象とするダムの目的、放流方式や放流設備の構成及び管理体制に準じて機能仕様の選択を行うものとする。 C 本仕様書は、新規に建設するダム及び既に管理中のダムでダムコンの導入又は更新を行う場合に適用する。 D 更新時においては、既存の諸設備の存廃が課題となるが、原則は本仕様書によるものとし規定する接続条件の範囲において既存諸設備の利活用を考えるものとす る。 |
(解説)
(1) 本仕様書は、河川法及び特定多目的ダム法に基づき建設される国土交通省所管の治水ダム及び多目的ダムのダムコンの計画設計に適用する もので、本仕様書の適用にあたっては、対象とするダムの目的、放流方式や放流設備の構成及び管理体制に準じて機能仕様の選択を行うものとする。
なお、治 水専用ダムで下流への利水補給操作がないダムでは、操作規則に基づき、下流への維持流量確保のための運用がある場合において、利水バルブ等の操作及びその 他の機能を選択する。
(2) 本仕様書は、洪水調節時に洪水吐ゲートの操作を必要とするダム(ゲート調節ダム)及び洪水調節時に洪水吐ゲートの操作を必要としない ダム(自然調節ダム)を対象として機能仕様、装置仕様のとりまとめを行ったものである。
自然 調節ダムのダムコンは、洪水時のゲート操作処理機能が不要となることから、システム全体の安全性、信頼性はゲート調節ダムのダムコンとは異なる。本仕様書 では、ゲート調節ダムと自然調節ダムの特性を考慮し、その設計の考え方、ダムコンの有する機能をとりまとめた。
な お、自 然調節ダムには、洪水調節は自然調節方式ではあるが、洪水時制限水位があるため洪水期間と非洪水期間の移行時に洪水吐ゲートの全開・全閉操作を行うダムも 含むものとする。
(3) 本仕様書は、新規に建設するダム及び既に管理中のダムでダムコンの導入又は更新を行う場合に適用する。既に管理中のダムにおいては、 従前の仕様によるダムコンの導入がなされているが、その更新にあたっては、既存ダムコンのうち活用可能な装置機器の利活用を検討したうえで計画設計を行う ことが必要である。
(4) 更新時においては、@ダムコンだけを更新する場合、Aゲート機側盤を含めて更新する場合、Bテレメータ等その他関連装置を含めて更新 する場合などダムにより設計の前提条件が異なる。テレメータ等その他関連装置を含めて更新する場合は、周辺設備を含めて本仕様書の適用が可能となるが、@ 及びAの場合は、既存のシステム機器との整合をとりながらダムコンの計画設計を行うことが必要である。
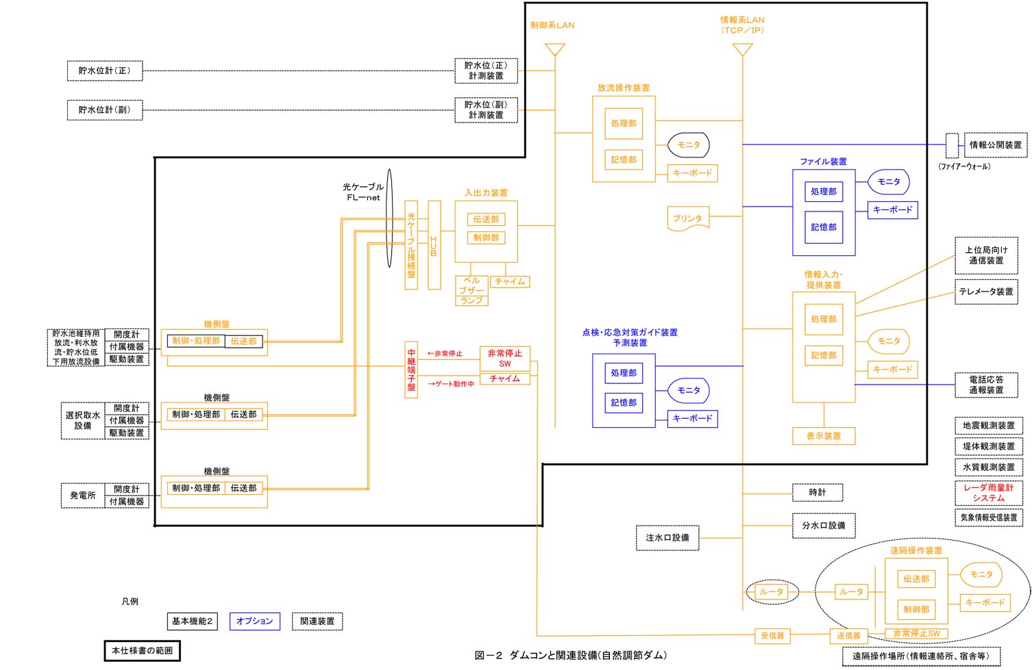
| 本仕様書は、「図−1ダムコンと関連設備(ゲート調節ダム)」「図−2ダムコンと関連設備(自然調節ダム)」に示す各装置のうち実線範囲の機能仕様及び装 置仕様について規定する。実線外の設備であっても本設備とのデータ等の受け渡し条件については、本仕様書によるものとする。 |
(解説)
(1) 本仕様書で規定する設備は実線内の装置を基本とし、これに係わるソフトウェアも対象とする。本装置群については、対象ダムの特性に応 じた機能の選択に基づき計画するものとする。従って、本仕様書に規定されていてもダムによっては必要としない機能ならびに装置については、オプション機能 (機器)として、表現している。各設備の役割及び機能分担については2章で述べる。
(2) 本設備と関連設備とのデータ等の受渡し条件は、本仕様書に規定するものを基本とする。ただし、管理中ダムにおいて関連設備が既にあ り、本仕様書によらない接続条件となっている場合は、将来の関連設備の更新時期を踏まえ、本設備ならびに関連設備のライフサイクルコストを考慮して接続仕 様を決定する。
(3) 放流設備機側盤の機能及び設計仕様については、「ダム・堰施設技術基準(案)」((一社)ダム・堰施設技術協会)によるものとする。本 仕様書で規定する機側盤の機能は、ダムコンと機側盤との接続仕様に限定したものである。
(4) 関連装置とは、ダム管理に必要な情報を取り扱う装置であるが、独立した処理機能を持つため、独自で処理することが望ましいと考えられ る装置である。必要に応じてダムコンと情報の伝達を行う。
(5) 本仕様書において、操作員とダムコンとの役割分担(2章)は、水文量演算や各種操作のための演算をダムコンが行い、操作員がその結果 を判断してダム操作を行うことを基本思想としている。図−1及び図−2は、洪水吐ゲートの半自動操作、利水バルブの自動操作をダムコンで行うことを考慮し た設備構成としている。
(6) 遠隔操作装置は、情報連絡所や管理宿舎などダムサイト以外の場所で操作を行う場合に必要となる装置である。遠隔操作に係る計画及び装 置の機能の詳細は、本仕様書の範囲外である。
(7) ダム管理所とゲート機側室(又はバルブ室)の間には構内電話や無線機で操作員同志の通話ができるものとし、機側操作を行う場合のダム 管理所との連絡手段を確保するものとする。
| ダム管理用制御処理設備は、以下の規格
又は技術基準に準拠するものとする。 @ 日本工業規格(JIS) A 日本電機工業会標準規格(JEM) B 電子情報技術産業協会規格(JEITA) C 電気設備に関する技術基準を定める省令(電気設備技術基準、経済産業省令) D 電気規格調査会標準規格(JEC) E 産業用情報処理・制御機器設置環境基準(JEIDA−63) F 国際電気通信連合・電気通信標準化セクタ勧告(ITU−TS) G 米国規格協会/電子工業会(ANSI/EIA) H ダム堰施設技術基準(案) I テレメータ装置標準仕様書(国電通仕第21号) |
第 2章.設備概要
| ダ
ムコンの計画にあたっては、以下に示す基本要件に留意してシステ
ム構築を図るものとする。 (1) 安全性の確保 ・安全規格(JIS C 0508)に基づきダムコンの安全性 を確保する。 ・システム機能の重要度に応じた安全度水準を規定 する。 ・過去の事故事例を踏まえた安全対策を講じる。 ・外部との接続についてのセキュリティ対策を講じ る。 ・ソフトウェア品質確保の方法について明確にす る。 ・非常時にゲート動力電源を強制遮断 する非常停止 機能を設ける |
(解説)
(1) ダムコンの計画設計では、製作及び維持管理面を踏まえたシステム全 般の機能安全を確保することが必要であり、安全規格JIS C 0508に準じたものとする。
(2) JIS C 0508は、電気・電子・プログラマブル電子 系システムが安全機能の履行に使用される場合に必要となる考え方を包括しており、システム企画・設計・開発・運用・保守を通して廃棄に至るすべてのライフ サイクルフェーズが考慮されている。ここでいう安全機能とはシステムに関連するリスクに対して、制御にかかわる機能を安全な状態に達成または保持するため に遂行される機能のこととして定義する。
(3) 安全機能はすべてのリスクに対して一様ではなく、リスク分析に基づ いた機能毎の安全度レベル(安全度水準)の設定が必要である。本仕様書では各機能及び装置単位での安全度レベルの標準的な考え方を述べるものとする。
(4) ソフトウェア開発時においては、ソフトウェア機能毎に安全度水準 (レベル)を設定し、そのレベルに応じた開発手続きの計画・実施・承認を行うことで品質確保を図るものとする。
(5) 近年の情報公開の動向から、今後はダム管理所からの一般や関係者へ の情報提供が広く普及しつつある。この場合、外部インターネットと何らかの形態でオンライン接続することが必要であり、従来のダムコンの機能に加えて、 ネットワークセキュリティについての基本的な考え方を盛り込む必要がある。本仕様書では、このネットワークセキュリティの基本方針と具体的な対策を述べて いる。
(6) ソフトウェア品質確保の方法は、ソフトウェア開発の受託者側が計画 し、発注者の承認を得てこれを確実に実施することが必要である。これにはJIS C 0508の手続きに基づいた検査の計画・実施・承認を行うことが必要 であ る。
(7) 非常停止ならびにゲート動作中信号については、メタルケーブルによ る敷設を原則とし、入出力装置や機側盤PLCの 不慮の事態においても確実に動作できるものとする。
(2) 信頼性の確保 ・ 関連規格(JIS C 0508)に基づきダムコンの信頼性の確保を図る。 ・ ダムの固有条件に応じたダ ムコンの信頼性を確保する。 ・ 基本機能/オプション機能 の分類に応じた信頼性を確保する。 ・ 処理系とは別にゲート機側 操作盤に直結された遠方手動設備による 手動操作の確保を図る。 |
(解説)
(1)
ダムコンは、ダム管理を支援する設備であり特に洪水調節時において
は確実にシステムが動作することが求められる。従来、ダムコンの信頼性の確保には、メインの演算処理装置の二重化対策、入出力処理装置を放流設備機側盤と
1対1で構成し独立性を確保する、自動/半自動操作の操作卓とは別に、演算処理装置を介さず入出力処理装置と直結した遠方手動操作装置を配置する演算処理
装置が停止した場合でも遠方手動操作卓の表示、操作機能が確保できるなど、ハードウェア面での対策を実施してきた。
本仕様書において
は、ハードウェア面での信頼性対策として、必要最
低限の機能に限定したバックアップ機器を整備し、システムコストと信頼性とのバランスの見直しを行っている。
メイン装置である放流操
作装置には24時間連続稼働が可能なFAパソコン又はPLCを採用する。本装置はシングル構成とするが、放流操作装置障害時に
おいてダム管理上の重要な流入量、放流量、貯水位のデータ欠測を防止するため、ゲート調節ダムにおいては、放流判断支援・流出予測装置においてバックアッ
プ機能を具備させるものとする。操作系については、遠方手動操作装置をFL-netにて機側盤に直結させ、遠方手動による洪水調節操作の継続が可能な
ものとしている。なお、洪水調節操作及び洪水初期のすりつけ操作に利用する利水放流設備(バルブ)については遠方手動操作機能を具備するものとする。
この 他、ダム管理所からダム堤体やゲート機側室まで距離があり、機 側に急行するのに10分以上の時間を要するなどのダムでは、利便性を考慮して遠方手動操作装置によるバックアップ措置をダム毎で検討する。
(2) さらに、従前の標準設計仕様では規定していなかったソフトウェアに おいても信頼性を確保する方策を盛り込むものとした。ソフトウェアの信頼性確保については、JIS C 0508に従った開発を行うことで安全度レベルに 適合した信頼性の確保を行 うものとする。JIS C 0508は、 7部からなる規格であり、その概要は下記のとおりである。
○目 的
電気式機 器/電子式機器/プログラマブル電子式装置で構成されたシ ステムの安全関連系の技術指針を規定するものである。
○適 用
1つまた は複数の電気式機器/電子式機器/プログラマブル電子式装 置を組み込んだシステムの安全性に関して適用されるもので、機器・システムの全ライフサイクル(初期概念構想→設計→開発・製作→実施・運転・保守→廃 棄)に対して適用する。
○特 徴
・ 初期概念から、設計、実施、運転及び保守を経て廃止までライフサイクルフェーズ全般を包含しており、各フェーズが有効に実施されるよう、文書化すべき内容 が 規定されている。
・ 最 新技術を念頭に作成されており、枠組みは将来の発展に対応できるよう配慮されており、包括的である。
○規格の構成

第 1部:一般要求事項
第2部: 電気式/電子式/プログラマブル電子安 全関連系に対する要 求事項
第3部: ソフトウェア要求事項
第4部: 用語の定義及び略語
第5部: 安全度水準の決定方法の事例
第6部: 第2部及び第3部の適用指針
第7部: 技法及び手法の概観
第1 部 〜第3部が本規格の骨子部分である。
この 他、バックアップ用のソウトウェアは同一機能でも異なった仕様 で構築したソフトウェアを採用する等の手法も考えられる。
(3) 本仕様書では、ダムコンを大きく「ゲート調節ダム」向けと「自然調 節ダム」向けとに分類し、それぞれが有するべき信頼性を踏まえたシステム構成としている。自然調節ダムでは洪水調節時においてゲート操作を必要とせず、万 が一放流操作装置に障害が発生した場合でもダムとしての洪水調節機能は確保される。このため、自然調節ダムにおけるダムコンでは、放流操作装置のバック アップ機能は有しないものとする。なお、自然調節ダムでは急激な放流となる場合において、下流への放流警報が重要となる。このため、放流操作装置に障害が 発生した場合にも、貯水位計測装置(関連装置)によりダム貯水位の監視が行えるようにするとともに、貯水位からダム放流量を手計算できる換算表や表計算ソ フト等のバックアップ対策を準備しておくものとする。
さら に利水放流設備(バルブ)を洪水調節操作及び洪水初期のすりつ け操作に利用しないダムでは、利水操作の緊急性を要しないことから、遠方手動操作装置は設けず、機側操作機能によってバックアップすることを基本としてい る。なお、渇水時においてダムコンの放流量計算テーブルの範囲外となり自動操作が不可能な場合には、遠方手動操作機能を代替に放流操作装置の開度設定値一 回限り操作による操作が利用可能である。
(4) 本仕様書では、ダムコンの処理機能について、「基本機能」と「オプ ション機能」とに分類し、オプション機能については、ダム毎に取捨選択を行うものとしている。基本機能は、操作規則に規定されているダム管理の主要な管理 業務を支援するものを分類しており、基本機能とオプション機能それぞれの重要度に応じた信頼性を確保することが必要である。基本機能とオプション機能の考 え方については後述する。
(3) 扱いやすさ ・操作員とダムコンの役割 分担を明確化する。 ・ダム貯水池、システム 及び放流設備の状況・状態情報の把握が容易 であり、わかりやすい。 ・システムの処理内容及び操作がわかりやすいもの とする。 ・操作及び処理のバックアップ機能が明確で、対応 しやすい。 ・システムで取り扱われる言葉の定義がされている (用語の統一) |
(解説)
(1) 操作員とダムコンとの役割分担については、次表に示すとおりであ り、基本的な計算や単純ルーチンなどはコンピュータが行い、ダム操作にともなう随時の判断は操作員が行うという協働作業を基本思想としている。バックアッ プの考え方については、緊急性を要する業務を遂行するうえで必要最小限の機能をコンピュータでバックアップさせるものとし、操作員の代替え(遠方手動操作 等)が可能な部分については、コンピュータのバックアップを省略化している。これは、すべての機能の完全バックアップとする従来のダムコンの設計思想とは 大きく異なるもので、バックアップとコストとのバランスに配慮した構成としている。
表 2−1.1 操作員とコンピュータの役割分担
|
役 割分担 | 人とコンピュータが半々。 |
| 概 要 | 操作員が操作の基本事項を設定
し、ダムコンが放流量等を算出 す る。洪水吐ゲートの動作毎に操作員が確認する |
| 放
流方式の選択、 操作演算の指示 | 人間 |
| 操
作演算、 目標全放流量の計算 | コンピュータ |
| ゲー
ト毎配分計算 目 標開度計算 | コンピュータ |
| ゲー ト操作方式 | 半自動操作(洪水吐ゲート)、 自動操作(利水バルブ、取水設備) |
| ゲー ト動作監視 | コンピュータが監視し、異常時 はゲートの自動除外が行われる。 |
| 水 文状態監視 | コンピュータが監視し通報す る。人間は通報を受けて対応 |
| 機 器状態監視 | コ ンピュータが監視し通報する。人間は通報を受けて対応。 |
(※) 除外:ゲート設備や伝送路上の障害が発生し、遠方からの操作 制御が不可となった場合に、当該ゲートの操作を一時停止させ、それ以降の操作対象からはずす(除外)ことをいう。ゲートが中間開度で除外となった場合は、 その開度を固定し、残りの正常なゲートを用いて放流を継続する。自動除外ゲートの全閉操作は遠方からの制御が不可の場合、機側で行う必要がある。
(2) ダムコンの操作は、時間的な余裕がなく緊迫した状況下で行われる場 面が多く、このことから操作員にとってわかりやすい操作、誤操作のしないインターフェイスを構築することが必要であり、タッチパネル等による画面において 操作員との対話式による操作を実現するものとする。操作にあたって間違いのない、わかりやすい操作となるよう以下の点に配慮しダムコンの構築を図る必要が ある。
・安全、確実 に操作ができかつ取扱いが容易であるこ と。
・操作が 簡素で円滑に行えること。
・操作手 順が明示又はガイドされること。
・表示が わかりやすいものであること。
・設備の 異常が察知できること。
タッチパネ ル面に誤って触 れてしまうことによる誤設定や誤操作が懸念される。このため、ゲート操作における誤操作防止のための操作の二挙動化やパスワード等のロック機能を設けるも のとする。なお、従来のハードボタンスイッチによる操作卓と同様に、タッチパネルの経年劣化による誤動作防止のための適切な維持管理が必要である。また、 機側盤の油圧回路の連動操作や圧着、脱着回路との連動などがあるゲートでは、その状態や回路図を表示したり、監視できるようなゲート管理支援システムをダ ムコンとは別に導入している事例もある。
(3) 操作及び処理のメイン装置である放流操作装置の障害時においては、 必要最低限の計算をダムコン(放流判断支援・流出予測装置)に委ね、遠方手動操作装置から操作員の手動操作で操作を継続できることを基本としている。
(4) 放流操作装置障害時におけるバックアップの方法は、@放流判断支 援・流出予測装置で流入量計算、放流量計算のバックアップが行われ、A操作員はそれを監視確認し、B操作規則に従って放流量の増減量・目標とする放流量を 操作員が決定し、C入力された放流量となるゲート開度を現在貯水位からコンピュータが計算(試算演算)し、D操作員が遠方手動操作装置にてダム操作を継続 するものとしている。
(5) 本仕様書においては、ダムコンで取り扱う用語を統一することが必要 である。とくに各ダム共通部分のダム管理用制御処理設備で取り扱う表現は統一する必要がある。
(4) ダムコンの適正な整備 ・ ダ ムの分類に応じたダムコンソフト・ハード構成とし、システムのスリム化を図る。 ・ ダ ムコン機能の基本機能/オプション機能の分類によりダムに応じた必要十分な機能とする。 ・ 汎 用品を適所に活用したシステム構成とする。 ・ 関 連設備との接続方法の標準化を図る。 ・ 安 全性を確保でき、コスト縮減に寄与できる技術を採用する。 |
(解説)
(1) 本仕様書では、ダムコンを大きく「ゲート調節ダム」向けと「自然調 節ダム」向けとに分類し、各々の標準的なシステム構成を示すことにより、ダムに応じた適正な整備が図れるものとした。
(2) 本仕様書では、ダムコンの処理機能について、「基本機能」と「オプ ション機能」とに分類し、オプション機能については、ダム毎に取捨選択を行うものとしている。これによりダムに応じた適切な機能が選択できるようにしてい る。
(3) ダムコンは、24時間連続稼働が要求される放流操作装置及び放流計 画支援・流出予測装置、情報入力・提供装置については、PLC又はFAパソコンの利用を行うものとしている。FAパソコンは、通常のパソコンを産業分野の オートメーション管理用に 改造したコンピュータのことであり、連続稼動性、耐環境性に優れている特徴がある。また、入出力装置及び遠方手動操作装置はPLCで構成するものとし、 24時間連続稼動できるものとする。
(4) 遠方手動操作装置については、従来の作り込みの鋼製専用操作卓に替 えてタッチパネル等の汎用品の活用を考慮する。遠方手動操作装置は、単純にゲートの開閉操作を行えることが重要であり、危機管理面を考慮し、リスク軽減の ために複雑な演算機能を排除し、伝送部、表示部、操作入力部を基本とするシンプルな構成とする。これら装置の仕様については4章で述べる。
(5) 遠方手動操作装置にタッチパネルを適用する場合、従来の操作卓で採 用されてきた誤操作防止機能(キースイッチ、スイッチガード等)を別の手段を用いて確保する必要がある。これには操作権の設定(パスワード、認証機能)、 ゲート操作指令の二挙動(確認画面の設置)等により誤操作の防止対策を講じるものとする。
(6) その他の連続運用を行わない部分についてはOAパソコン(オフィスオートメーション・パーソナルコンピュータ)で 構成する。また、表示装置についても従来の作り込みのデータ表示盤に替えて壁掛け型平面ディスプレイ等の汎用品を活用する。
(7) FAパソコンやOAパソコンは汎用品であり、汎用のOS(オペレーションシステム;基本ソフトウェアのこと。)が採用され る。汎用OSでは、OSのバグフィックス、パッチ当てなどのメンテナンスが重要である。OAパソコンを利用したシステムでは、導入後OAパソコン障害時に 同一機種のパソコンが調達困難なことが想定され る。この場合適用可能なOSが 限定され、既存シテムのOSが 適用できないことが懸念される。これについては既存ソフトウェアの移植を行わなければならない。
(8) ダムコンと接続する放流設備との通信については、FA-LANの標準転送規格であるFL-netを採用する。テレメータ装置などの標 準仕様書が別に定められている 機器については、各仕様に従った通信方式を標準とする。その他の関連装置との接続についても、IEEE802.3準拠のLAN、TCP/IPプロトコル等 の積極的な活用を図るものとする。関連装置との接続仕 様については4章で規定している。
本仕様書では、ダム管理情報を下記の4 つの側面から機能分類を行っ ている。 ・制御(操作を含む) ・監視(表示を含む) ・記録、格納 ・提供 こ れら機能は、ゲートやバルブを制御するものと、制御のための補助 的な情報を監視し、記録・格納、提供を行うためのものとに大別して考えることができる。 (基 本機能/オプション機能の分類) 洪水調節による分類 「ゲート調節ダム」「自然調節ダム」にした がって、基本/オプション機能についてとりまとめ、表−1及び表−2に示している。 同表は、縦軸にダム管理業務をとり、横軸にコンピュータの機能を示した。コンピュータの機能については、その業務が「オンラインが必要なもの・オンライン が望ましい」ものと、「オフラインでも構わない」ものとに分類している。 それぞれの機能については、操作規則の規定の有無、洪水吐ゲート操作についての緊急性により、下記の定義により基本機能とオプション機能とに分類してい る
|
(解説)
(1) 本仕様書では、ダム管理情報を制御(操作を含む)、監視(表示を含 む)、記録、格納、提供の4つの情報の利用方法の側面から整理を行っている。さらに、情報を取り扱う場面としてダム管理業務の分類として洪水調節、利水補 給、環境保全ダム情 報公開、ダム構造物の維持保全、その他に分け、場面毎での取 り扱い情報を表−1,2にとりまとめた。
(2) 本表で分類している「オンライン」「オフライン」とは、各種の設備 によって構成されるシステム全体が自動的に連動して運転されることをオンラインとして定義しており、センサーや機側操作盤、観測装置等とデータ送受信を行 うことで自動的にダムコンの運転が行われるものを示している。オフラインは逆に操作員を仲介する、外部媒体を経由して(人の手間を介して)処理が行われる ものを示している。
(3) 本表中、点検応急ガイド支援とは、ダムコンをとりまく設備のうちと くにゲートバルブ操作を対象として設備や一部の機器に障害が発生したときの緊急操作や代替え操作などの応急措置を操作員に対してガイドする応急ガイド機能 及びダムコンをとりまく設備のうちとくにゲートバルブ操作を対象として設備機器の定期点検項目、点検時期、点検結果の履歴蓄積を行い、今後のダムコンの効 率的な維持管理をガイドする点検ガイド機能のことである。
近年 では、機側の状況を細かく監視し、異常発生時にはその対策をガ イドするゲート管理支援システムをダムコンとは別に導入している事例も見られる。
な お、ゲート等設備で異常(故障)が発生した場合には、遠方では当 該ゲートを除外として扱い、故障復旧、操作は機側操作が第一である。上記の点検応急ガイド支援を導入した場合においても、復旧作業は機側で行うことが必要 である。
(4) 雨量については、ダムコン管理上の重要な情報であるが、雨量の取り 扱いについては、ダム操作に直結する情報ではないことから、基本機能1ではなく、基本機能2として取り扱うこととしている。
(5) 帳票作成機能については操作規則に規定されているが、事務用パソコ ンで帳票作成している例も見受けられることから必ずしもダム管理用制御処理設備システムでオンライン処理しなくともよい機能としてオプション機能に分類し ている。なお、放流設備操作記録については、その重要度から基本機能2に分類している。
(6) 水質観測を自動で行う水質観測装置は、近年ではパソコンを利用した 水質観測システムが出回ってきており、水質管理のための帳票は水質観測システムで処理できるようになってきている。
この ことから、標準設計仕様書ではダムコンとは接続しないこととし た。
(7) その他気象等観測情報は、ゲート制御とは直接かかわらない監視情報 であることから、ダムコンとは接続しないこととした。
(8) 放流警報については、ダム放流前における重要なダム管理業務である が、通常放流警報操作卓はダムコンの操作設備に隣接して配置され、警報操作卓にて警報吹鳴を確認することが可能であることから、ダムコンで直接扱わない情 報として分類するものとしている。
ただ し、放流の原則を上回って放流量が設定された場合は、操作員に 注意喚起を促すガイド表示を行うものとする。
(9) 流出予測については、体制判断やただし書き操作移行時の判断等の洪 水時の判断材料に重要であり、現状はゲート調節ダム個々に管理支援装置や流入量予測パソコン等を設け管理に当たっている。このことを踏まえて、ゲート調節 ダムについては流出予測の機能は基本機能に分類するものとした。また、自然調節ダムでは流出予測の必要性が低いことから基本機能からはずしている。
(10) 自然調節ダムにおいては非常用洪水吐からの越流時などにおける下流 河道への警報が重要な位置づけとなる。
(11) こ の他、寒冷地のダムにおいては、積雪観測を行いダム管理に利用し たり、ゲート設備の凍結防止機能を有するダムもある。それぞれ必要な機能をオプションとして特記仕様書に規定する。
(12) 堤 体の漏水情報やダム管理庁舎の入退出情報、扉開閉情報等について は、ゲート操作に直結しない情報であり、これらデータの取り込みはオプションとし、ダムコンの取扱情報を限定することでダムコンの機能の絞り込みを行い、 システム全体の信頼性向上を図るものとした。
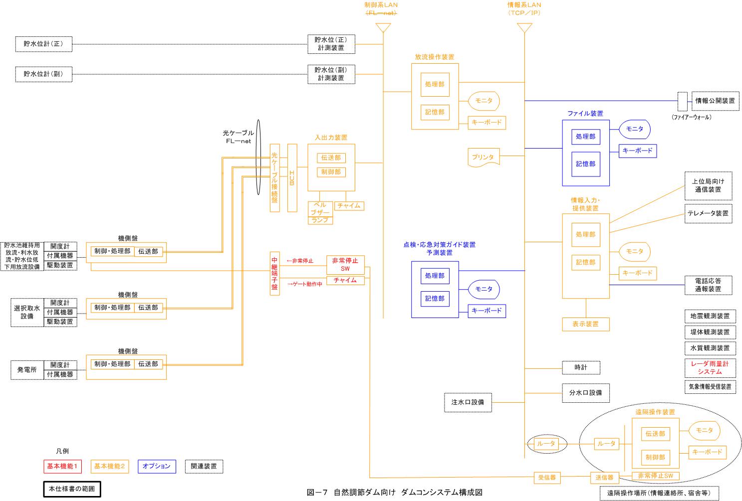
| 本仕様書で取り扱う設備におけるダムコン機能の分担と機能の概念 を図−3(1)、図−3(2)、図−3(3)、図−3(4)および図−4、図−5に示す。 |
(解説)
(1) ゲート調節ダムにおいては、入出力装置からの放流操作の他、遠方手 動操作装置からの手動操作により放流操作の二系統化を行っている。
一方、自然調節ダム におけるバルブの放流操作に ついては、入出力装 置からの放流操作のみとし、遠方手動操作装置による放流操作のバックアップは行わないものとしている。
(2) バルブの非常停止機能の取り扱いについては当該ダムのバルブ放流能 力から判断するものとする。
(3) 通報により提出が義務づけられているダム管理年報は、ファイル装置 で蓄積・データ管理し、所定の帳票を作成する機能をオプションとして位置づけている。
(4) 河川情報システム等上位局へのデータ転送は、情報入力・提供装置に よりオンラインで情報伝達(基本機能2)することとしている。
(5) 表示装置は、放流判断支援・流出予測装置に接続している。これは、 従来のデータ表示盤に代わる装置として、平面ディスプレイ等の大型装置のことを表示装置として表している。
接続 箇所としては、予測情報も取り扱い、放流設備の操作に使用しな い放流判断支援・流出予測装置に接続している。
(6) 地震情報については、ダムコンでは取り扱わないものとして定義して いる(表−1,2参照)。
地震 観測装置の他、堤体観測装置、水質観測装置については独立した 機能でスタンドアローンで処理が行われており、ダムコンに取り込む必要がないとの考えで今回はダムコンと接続していない。地震の発生を電話応答で通報する 必要がある場合は、地震発生情報を電話応答通報装置に直接入力するものとする。
(7) 機側への操作は、入出力装置と遠方手動操作装置で二系統化されてお り、入出力装置に障害が発生した場合でも遠方手動操作装置でバックアップできる。このことから、入出力装置はシングル構成を標準とする。
(8) 放流操作装置の完全バックアップ・二重化は行わないことを基本方針 とする。ただし、洪水調節中において放流操作装置に障害が発生した場合においても、洪水調節操作の継続が可能なように、遠方手動操作装置でのバックアップ を確保する。また、計算のバックアップについては、支援装置にて流入量、放流量計算に限定したバックアップを実現する。
(9) 誘雷の影響の観点から、入出力装置と機側盤とは光ケーブル伝送を基 本とするが、非常停止及びゲート動作中信号については、入出力装置や機側盤PLC等の装置故障や伝送異常時においても確実に動作するよう、入出力装 置及び機側盤PLCを 介さないメタルケーブルでの対応とする。
第3章.設備機能仕様
ダムコンを構築 するにあたっては、各ダムの特徴に応じた適切な処理機能、機器構成により、適正化を図るものとする。 ダムコン は、洪水調節方式「ゲート調節ダム」「自然調節ダム」により具備すべき機能が大きく異なるほか、それ以外の機能についても各ダムで異なるため、各ダムで取 捨選択を可能とする工夫を盛り込むものとする。 処理機能の選択表を表−3に示す。 |
(解説)
(1) 国土交通省所管のダムには、直轄ダムのように集水面積が大きく、一級水系河川下流への治水安全度からして重要な位置づけを占めるもの から、生活貯水池ダムのような流域面積が小さい二級水系河川に設置されるダムまでがある。またダムの洪水調節方式についても、ゲート有ダムで定率定量など のゲート操作を行いながら洪水調節を行うダムからゲートのない自然調節タイプのダムまでがある。
(2) ダムコンの規模や処理すべき機能、機器構成については、これらダムの条件に適したものを適切に導入していくことが必要である。これら 処理機能はソフトウェアの量に関係し、機器構成は、ハードウェア仕様に関連する。このためダムコンの標準仕様を作成するにあたっては、各ダムの特徴に応じ た無駄のない適切な処理機能、機器構成により、スリム化を図る必要がある。
(3) このため本仕様書では、ダムコンの処理機能、機器構成について、機能の選択による標準仕様の規定を行うものとした。
(4) 機能の選択は、どのダムでも機能として標準で具備するものを必須機能、ダム固有の条件によって選択を行う機能を選択機能として表して いる。これらの機能は、表−1,2の基本機能に相当するものである。一方、表−1,2においてオプションに分類したものをオプション機能として表してい る。
(5) 治水専用ダムで操作規則上、下流への維持流量確保を目的としないダムにおいては、利水バルブ操作頻度の管理実績を勘案した上でバルブ 操作に係る機能を省略することができるものとする。
(6) 周辺の装置との情報の入出力については、計測情報、監視情報、制御情報など個別の情報をやりとりする機能は「入出力」とし、テレメー タ観測情報などひとかたまりの情報をパッケージでパソコン通信でやりとりするものを「通信」として区別した。
○: 必須機能、■:選択機能、▲オプション機能、 −:機能なし
| 機 能区分 | 小分類 | ダム分類 | |
| ゲート調節ダム | 自然調節ダム | ||
| 入出力 | ダム貯水位 入 力 | ○ | ○ |
| ゲー ト開度入力 | ○ | ■ | |
| バ ルブ開度入力 | ○ | ○ | |
| ゲー トSV入力 | ○ | ■ | |
| バ ルブSV入力 | ○ | ○ | |
| バ ルブ流量計入力 | ■ | ■ | |
| 選 択取水設備内外水位入力 | ■ | ■ | |
| 選 択取水設備取水位入力 | ■ | ■ | |
| 発 電使用水量入力 | ■ | ■ | |
| 発 電状態入力 | ■ | ■ | |
| ゲー ト開閉信号出力 | ○ | ■ | |
| バ ルブ開閉信号出力 | ○ | ○ | |
| 選 択取水設備制御信号出力 | ■ | ■ | |
| 選 択取水設備設定取水深出力 | ■ | ■ | |
| 通信 | テレメータ観測 雨量入力 | ○ | ○ |
| テ レメータ観測河川水位入力 | ■ | ■ | |
| 上 位局向け通信装置への出力 | ▲ | ▲ | |
| 電 話応答通報装置への出力 | ▲ | ▲ | |
| ダム水文量演算 | 貯 水位平滑 | ○ | ○ |
| 有 効容量内貯水容量 | ○ | ○ | |
| 〃 貯水率 | ○ | ○ | |
| 〃 空容量 | ○ | ○ | |
| 全 流入量 | ○ | ○ | |
| 全 放流量 | ○ | ○ | |
| ゲー ト1門毎放流量 | ○ | − | |
| バ ルブ1門毎放流量 | ○ | ○ | |
| ゲー ト種別毎放流量 | ○ | ○(自由越流) | |
| ダ ム放流量 | ○ | ○ | |
| 下 流放流量 | ■ | ■ | |
| 発
電使用水量 (管理用及び他機関) | ■ | ■ | |
| 直 接取水量 | ■ | ■ | |
| 分 水量 | ■ | ■ | |
| 注 水量 | ■ | ■ | |
| 自 己流入量 | ■ | ■ | |
| 調 整流量 | ○ | ○ | |
| 流域水文量演算 | 局
別m分雨量 (m=10or15or30,60) | ○ | ○ |
| 局
別N時間雨量 (N=1,3,6,12,24) | ○ | ○ | |
| 局 別累計雨量 | ○ | ○ | |
| 流
域平均m分雨量 (m=10or15or30,60) | ■ | ■ | |
| 流
域平均N時間雨量 (N=1,3,6,12,24) | ■ | ■ | |
| 流 域平均累計雨量 | ■ | ■ | |
| 上 流河川水位 | ■ | ■ | |
| 上 流河川流量 | ■ | ■ | |
| 下 流利水基準点水位 | ○ | ○ | |
| 下 流利水基準点流量 | ○ | ○ | |
| 下 流治水基準点水位 | ○ | ○ | |
| 下 流治水基準点流量 | ○ | ○ | |
| 情報の判定と 警報通報 | ダ ム水文量判定 | ○ | ○ |
| 流 域水文量判定 | ○ | ○ | |
| 操 作演算判定 | ■ | ■ | |
| 機 器異常状態判定 | ○ | ○ | |
| ゲー ト動作状態判定 | ○ | ■ | |
| バ ルブ動作状態判定 | ○ | ○ | |
| ゲー ト異常状態判定 | ○ | ■ | |
| バ ルブ異常状態判定 | ○ | ○ | |
| 表示 | バルブ状況に関 する情報 | ○ | ○ |
| 流 域状況に関する情報 | ○ | ○ | |
| 操 作に関する情報 | ■ | ■ | |
| 警 報通報に関する情報 | ○ | ○ | |
| 観 測・計測に関する情報 | ○ | ○ | |
| データ蓄積 | 操作記録 情報 | ○ | ○ |
| 正 分値 | ○ | ○ | |
| 正 時値・定時値 | ○ | ○ | |
| 正 時集計値 | ▲ | ▲ | |
| 日 集計値 | ▲ | ▲ | |
| 月 集計値 | ▲ | ▲ | |
| 年 集計値 | ▲ | ▲ | |
| 異 常判定記録情報 | ○ | ○ | |
| 記録 | 操作記録 | ○ | ○ |
| 管 理日報 | ▲ | ▲ | |
| 管 理月報 | ▲ | ▲ | |
| 管 理年報 | ▲ | ▲ | |
| 洪 水調節報告 | ▲ | ▲ | |
| 異 常・判定記録 | ○ | ○ | |
| 放流判断支援・ 流出予測 | 流 出予測 | ■ | ■ |
| 融 雪予測 | ■ | ■ | |
| 洪 水初期放流計画立案支援 | ■ | − | |
| 予 備放流判断支援 | ■ | − | |
| た だし書き操作判断支援 | ■ | − | |
| 下 流水位予測下流氾濫予測支援 | ■ | ■ | |
| 既 往台風経路、既往洪水データとの比較支援 | ■ | ■ | |
| 利 水基準点流量チェック支援 | ■ | ■ | |
| 水 位低下判断支援 | ■ | ■ | |
| 常 用洪水吐からの越流時期予測支援 | − | ■ | |
| 非 常用洪水吐からの越流時期予測支援 | − | ■ | |
| 操作演算1 (目標全放流量計算) | 設 定流量 | ■ | ■ |
| 定 水位 | ■ | − | |
| 定 率定量 | ■ | − | |
| 一 定量 | ■ | − | |
| た だし書き操作 | ■ | − | |
| 定 開度 | ■ | − | |
| 操
作演算2 (配分計算) | 目標全放流量配分 | ■ | ■ |
| 操
作演算3 (目標開度計算) | 目標開度算出 | ■ | ■ |
| 操作 | 自動操作 | ○ | ○ |
| 自 動操作(発電トリップ対応) | ■ | ■ | |
| 半 自動操作 | ○ | − | |
| 開 度設定値一回限り操作 | ■ | ■ | |
| 遠 方手動操作 | ○ | − | |
| 機 側操作 | ○ | ○ | |
| 訓 練 | 訓練 | ○ | − |
| 操作ガイド | 操作ガイ ド(ゲート) | ○ | − |
| 操 作ガイド(バルブ) | ○ | ○ | |
| 点検応急対策ガイド | 障 害時応急対策ガイド | ▲ | ▲ |
| 定 期点検ガイド | ▲ | ▲ | |
必
須機能:「2−2.主な取扱情報とダム管理情報の分類」で定義する「基本機能」のうち、全ダムで適用する機能
選
択機能:「2−2.主な取扱情報とダム管理情報の分類」で定義する「基本機能」のうち、各ダムの条件(洪水調節方式、発電の有無等)に応じて選択して適用
する機能
オ
プション機能:「2−2.主な取扱情報とダム管理情報の分類」で定義する「オプション機能」
ダムコンにおける処理機能区分及び処理項目に従い、主な機能概要について示す。これらは標準的な処理仕様としてとりまとめており、ダム固有の条件により、 必要に応じて適切な処理仕様を特記仕様書に規定していくものとする。
1.入出力処理 |
入 出力処理は、貯水位計測データや放流設備からのデータ、信号をダムコンにとり込む入力処理と放流設備に開閉信号を送信する出力処理からなる。 入 力処理のうち貯水位データの入力処理は貯水位計測装置、その他データの入力処理は機側盤PLCで行うものとする。 更 に、放流設備を操作するための開閉信号を放流設備へ、また選択取水設備を操作するための制御信号や設定取水深を選択取水設備へ出力する機能を持つものとす る |
表−4.1 入力処理の体系一覧

(解説)
(1) 入出力処理は、以下の機能を有するものとする。
@ 入力処理
ア.前処理(サン プリング処理、フィルタリング処理)
イ.データ検定処 理
ウ.一次加工処理
A 出力処理
ア.放流設備への 開閉信号出力
イ.選択取水設備 への制御信号・設定取水深の出力
(2) 入力処理で取り扱う入力情報と入力形態は以下を標準とする。
表3−2−1.1 入力情報と入力条件
| 対 象設備 | 入力情報 | 入 力信号の形態 | 入力タイミング | サンプリング周期 |
| 貯 水位計 | 貯水位 | BCD 無電 圧a接点 | 常 時 | 0.2 秒 |
| 放 流設備 | 開 度 | 〃 | 〃 | 〃 |
| 放 流設備 | 流 量 | 〃 | 〃 | 〃 |
| 放 流設備 | 状態信号 | 無 電圧a接点 | 〃 | 〃 |
| 選 択取水設備 | 選択取水設備 内 外水位 | BCD 無 電圧a接点 | 〃 | 〃 |
| 選 択取水設備 | 選択取水設備 取 水位 | 〃 | 〃 | 〃 |
| 発 電設備 | 発 電使用水量 | BCD 無 電圧a接点 | 〃 | 〃 |
| 発 電設備 | 発電状態信号 | BCD 無電圧a接点 | 〃 | 〃 |
ま た、出力処理で取り扱う出力情報と出力形態は以下を標準とする。
表3−2−1.2 出力情報と出力条件
| 対 象設備 | 出力情報 | 出力信号の形態 | 出力タイミング | 備 考 |
| 放 流設備 | 開閉信号 | 有電圧連続信号 | 随時 | |
| 選 択取水設備 | 設定取水深 | BCD 無電圧a接点 | 〃 | |
| 選 択取水設備 | 操作制御信号 | 有電圧連続信号 | 〃 |
(3) 前処理
前 処理の基本の処理同期は0.2秒とする。
@ サンプリング処理
入力対象とする信号(計測 値、状態信号)を所定の時間間隔(Δt=0.2秒)で抽出し取り込む処理である。通常ゲートの動作速度は1p/2秒であり、これに追従できるサンプリング 処理が必要である。また、下記に示すフィルタリング処理を行うため、状態表示や異常SVの判定に(フィルタリング処理時間×2)の時 間がかかる。このため、サンプリング及びフィルタリングの処理周期を0.2秒とし、0.4秒で応答できるように設定している。
A フィルタリング処理
入力信号のノイズ(伝送上 侵入する異常値)を除去するための処理である。0.2秒(基本の処理周期)毎に取り込んだ今回の計測値と前回の計測値を比較して前回値と異なる計測値が新 たに計測された場合は前回値を採用し、同じ値の計測値が2回継続した場合は計測値が変化したものとして採用する。フィルタリングの回数を増やせば、それだ け時間遅延が生じることから、フィルタリングの回数は2回を基本とした。
表
3−2−1.3 フィルタリング処理
| 処 理ケース | 対象データ | 処 理結果 | 備 考 | |||
| 前々々回値 | 前々回値 | 前回値 | 今回値 | |||
| ケース1 | X | X | X | X | X | |
| ケース2 | X | X | X | Y | X | |
| ケース3 | X | X | Y | X | X | |
| ケース4 | X | X | Y | Y | Y | |
(4) データ検定処理
データ検定処理は、 計測装置や放流設備等からの入力データは、計測機器の障害による異常、あるいは動力ケーブルからの雑音による誘導や雷サージのような伝送路上の障害による 異常が発生することがあるため、異常データを除去するものである。
データ検定処理の基 本の処理周期は0.2秒とする。
@ パリティ検定
BCD符号などの符号 検定のひとつで奇数パリティ検定とする。
計測値の桁毎に検定用 のパリティビットを付加し、各桁毎に“1”の総和が奇数であれば正常値、偶数であれば異常値として検定する。
表3−2−1.4 パリティ検定の符号関係表(奇数パリティ)
| 10 進数 | BCD符号 | 2
進数の累計数 (奇数) | ||||
| 23 | 22 | 21 | 20 | P(パリティビット) | ||
| 0 | 0 | 0 | 0 | 0 | 1 | 1 |
| 1 | 0 | 0 | 0 | 1 | 0 | 1 |
| 2 | 0 | 0 | 1 | 0 | 0 | 1 |
| 3 | 0 | 0 | 1 | 1 | 1 | 3 |
| 4 | 0 | 1 | 0 | 0 | 0 | 1 |
| 5 | 0 | 1 | 0 | 1 | 1 | 3 |
| 6 | 0 | 1 | 1 | 0 | 1 | 3 |
| 7 | 0 | 1 | 1 | 1 | 0 | 3 |
| 8 | 1 | 0 | 0 | 0 | 0 | 1 |
| 9 | 1 | 0 | 0 | 1 | 1 | 3 |
A イリーガルBCDコード検定
入力したBCD信号が BCD符 号となっているかを符号表に基づき検定する。
前表に示したBCD符号以 外の無効な符号を異常として検定するものである。
B スケール検定
入力信号が計測範囲内(ス ケール範囲内)にあるかを検定する。スケール検定では、数値データ全てに対して上限値、下限値を設定する必要がある。
○ 下限値≦計測値≦上限値
C 偏差チェック
入力信号の異常変化を検定 するもので、前回値と今回値の差が規定値(設定値)以内にあるかを検定する。
次式のように前回入力値と 今回入力値の差(偏差)が規定値以上となったときに異常値として取り扱うものである。
○ 偏差ΔP=|今回入力値−前回入力値|
偏差 ΔP < 偏差規定値 ならば 正常値
偏差 ΔP ≧ 偏差規定値 ならば 異常値
従って、数値データについ ては偏差チェックの対象となることから以下に示すような偏差規定値(標準値)を予め設定する必要がある。
○ 貯水位計 : 2p
○ 開 度 計 : 2p又は3%
○ 流 量 計 : 10%
偏差チェック規定値は、通 常の水理現象やゲート動作で起こり得る値はこれをパスさせ、異常値を検出する値を設定しなくてはならない。従って、通常の洪水で起こり得る貯水位の上昇速 度やゲートの開閉速度などを考慮して規定値を設定する。
(5) 一次加工処理
一次加工処理は、デー タ検定処理を経て正常値としてダムコンに入力された計測データを入出力処理以降の各処理で利用可能なデータに変換するものである。
一次加工処理の基本の 処理周期は2秒とする。2秒で1p動作する一般的なゲート動作速度に追従するため、処理周期を2秒と設定した。
@ 貯水位標高変換処理
貯 水位計からの計測データが水深として入力される場合に、標高値(EL.m)への変換を行うものである。本処理は貯水位計測装置で行うものとする。
貯 水位標高変換処理においては、水位計の基準点に対する標高値を設定する必要がある。本処理は、正・副の貯水位について行う必要がある。
ま た、貯水池の計測範囲が広く1台の貯水位で計測範囲をカバーできないダムでは、複数台の貯水位計を切り換えて貯水位を計測することが必要となる。このよう なダムでの貯水位の切り換えは、計測値が不連続とならないよう特記仕様書で各貯水位計の計測範囲を指示する。また、貯水位計の切替条件は、ハンチングを防 止するため、切替条件を考慮する必要がある。
A 貯水位1次平滑処理
貯 水位計で計測された貯水位データ(計測貯水位)には、波浪などの影響により数秒から数十分周期の振動が含まれており、安定した貯水位データを得るために は、貯水位の平滑化を行う必要がある。
本 処理では短周期(数秒周期)の振動除去を対象とした計測貯水位の平滑処理を行うものである。平滑化の方法は、1分未満の短周期の波浪を除去するため、2秒 間隔30個の計測貯水位を用いて移動平均により2秒毎に求める。本処理は、貯水位計測装置にて行うものとする。

「3−2−3.ダム 水文量演算処理」で記述する表示用の2秒毎放流量計算に用いる貯水位は、上式によって求められた2秒毎の1次平滑貯水位を使用するものとし、ダム水文量演 算処理等に用いる貯水位は、1分毎の平滑貯水位を使用することを基本とする。数分周期の振動除去を対象とした1分毎の平滑貯水位の移動平均処理(貯水位2 次平滑処理)については、「3−2−3.ダム水文量演算処理」に示すものである。
なお、セイシュのよ うに振動周期の長いものが卓越する場合は、本処理(移動平均を用いた平滑化)による振動の除去は難しい。
本処理は、正・副の 貯水位計について行う必要がある。

B 開度の円弧鉛直変換処理
ラ ジアルゲートのように開度計からの計測値が円弧開度である場合、これを鉛直開度に変換する処理をいう。本処理は、機側盤で行うものとする。
本 処理は、計算式又はテーブル(対応表)による方法があり、特記仕様書にて指示するものとする。
C 開度のゼロ補正処理
放流設備の構造ならびに開 度計の特性により、放流設備からの全閉信号と開度計の値が一致しない場合に開度を0(ゼロ)に補正する処理であり、全閉時に実施する。本処理は、機側盤で 行うものとする。
全閉時は、開度計とは独立して 設置されている全閉のリミットスイッチにより全閉信号が検出されたときに強制的に開度値を0pに補正する。
全閉信号が入力された時点で全 閉値(0p)と補正前の開度値との差が大きい場合は、操作員へ状態を周知する。
ゲートやバルブの構造によっ て、開度ゼロより下に全閉リミットスイッチが設けられている場合もあり、全閉操作時にはこれを考慮する必要がある。
開度のゼロ補正は、開度計 の経年的使用に基づく誤差を一時的に補正するものであるため、この処理にかかわらず機械的点検調整を優先的に実施する必要がある。
D 流量の平滑処理
計 測貯水位と同様に、流量計で測定された流量データには振動が含まれており、安定した流量を得るために平滑処理を行うものである。本処理は、機側盤で行うも のとする。
流 量の平滑処理は、下記のように2秒間隔10個の計測流量より移動平均で算出する。

E 流量のゼロ補正
放流設備からの全閉信号と 流量計の値が一致しない場合に補正を行う処理である。本処理は、機側盤で行うものとする。
開度のゼロ補正と同様に全 閉のリミットスイッチが作動した時点で流量を0に補正し、全閉信号が入力された時点で補正前の流量値との差が大きい場合は、操作員へ状態を周知する。
流量計によっては、放流量 が少量のときに流量計のレンジを切り換えて計測する場合がある。本仕様書ではレンジ切換済のBCD符号の入力を基本としているが、ダムコンでレンジ切換処 理を行う場合は、切り換え条件を特記仕様書で指示する。切り換え条件は、ハンチングを防止するため、ローレンジ→ハイレンジへの切替値がハイレンジ→ロー レンジへの切替値よりも大きく設定する必要がある。
(6) 欠測処理
0.2秒毎に行う データ検定処理において、計測値に異常が検出された場合には、その異常が瞬時的な異常か又は計測装置異常等による継続的な異常かを判定し、継続的な異常の 場合には、欠測値として取り扱う必要がある。
欠測値の判定は、 0.2秒 毎に行うデータ検定処理において異常を継続して検出した回数により行う。
n≧F のとき継続 的な異常と判定
n:異常 継続回数 F:基準回数
表3−2−1.5 データ検定時の欠測処理

@ 貯水位データの欠測処理
貯水位データは、データ検 定処理において0.2秒毎の入力データが10個継続して異常となった場合に異常データとして取り扱う。
更に、2秒データ30個の 平滑処理(貯水位1次平滑処理)において2秒毎の正常データが10個未満であった場合に2秒毎の平滑貯水位データを欠測とする。
貯水位計が正副の2台設置 されているダムでは、貯水位データの入力処理、検定処理、一次加工処理は平行して行い、現在他の処理(水文量演算処理等)で採用している貯水位計の平滑貯 水位データが欠測した場合には、図3−2−1.1に示すように他方の平滑貯水位計データに自動的に切り換え、以後、切り換えた方の平滑貯水位データが欠測 となるまで、または手動切換時点までは、同貯水位計の平滑貯水位データを連続して用いることとする。
なお、選択中の貯水位デー タ欠測が発生した場合において、他方のデータが既に欠測となっている場合は貯水位データが欠測となる。

図3−2−1.1 貯水位計切り換えの概念図
A 開度データの欠測処理
開度データは、データ検定 処理において0.2秒毎の入力データが5個継続して異常となった場合に異常データとして取り扱う。
正副2台の開度計が設置さ れ、かつ機側盤PLCに入力される場合には、上記貯水位データの欠測処理と同様に、切替処理が可能である。ただし、この場合、正開度でと副開度データに計 測値に差異が出る場合は自動切替は行わず、操作員に判断を委ねることが必要である。
B 流量データの欠測処理
流 量データは、データ検定処理において0.2秒毎の入力データが5個継続して異常となった場合に異常データとして取り扱う。
2 秒データ10個の平滑処理において2秒毎の正常データが5個以上あれば正常データを用いて平滑処理を行う。2秒毎の正常データが5個未満のときには、2秒 毎の平滑流量データは欠測とする。
通 信処理は、テレメータ装置からの情報の入力及び上位局向け通信装置、電話応答通報装置への情報の出力を行うものである。 ま た、テレメータ装置及び電話応答通報装置とはシリアル通信、上位局向け通信装置とはネットワーク通信(TCP/IP)とする。 本 処理は、情報入力・提供装置で行うものとする。 |

図−4.1 通信処理の体系
表−4.2 入力情報の検定処理

(解説)
(1) 通信処理の入力情報については、データ検定処理を行うものとする。
(2) 通信処理では、以下の入力情報を対象とする。
表3−2−2.1 入力情報
| 入力情報 | 項 目 | 入力元の装置 |
入 力 | 備 考 |
| テ レメータ観測雨量 | 雨量 | テ レメータ装置 | 正時・定時 | |
| テレメータ観測河川水位 | 河川水位 |
(3) ダム水文量、流域水文量データ等を上位機関等に伝送するため、上位局向け通信装置、電話応答通報装置へ出力するものとする。
出力先設備及び出力項 目、出力タイミングは管理上必要なものを選定し、特記仕様書で指示するものとする。
上位局向け通信(河川 情報システム)への出力は、相手先の出力仕様と整合を図る。
表 3−2−2.2 出力情報
| 出力先設備 | 出力情報項 目 | 出力タイミング | 備 考 |
| 上位局向け 通信装置 |
| 定 時 | 出力情報項目、出力タイミン グは、特記仕様書で指定する。 |
| 電話応答 通報装置 |
| 定 時 | 出力情報項目、出力タイミン グは、特記仕様書で指定する。 |
(4) データ検定処理
データ検定処理の基 本の処理周期は定時・正時とする。各データ検定の処理内容は「3−2−1.入出力処理」におけるデータ検定に準ずるものとする。
@パリティ検定
BCD符号の符号検定のひと つで、奇数パリティにより検定を行う。
AイリーガルBCDコード 検定
入力されたBCD符号が BCD信 号となっているかを符号表に基づき検定する。
ダ ム水文量の演算処理は、ダムに設置された貯水位計や放流設備の開度計、流量計等の計測値をもとに各種の演算処理を行って貯水池諸量を算出するものである。 本 処理の対象項目と演算周期を下表に示す。演算周期は1分を基本とし、表示用の放流量は2秒とする。 本 処理は放流操作装置で行い、さらに平滑貯水位、流入量、放流量演算は放流判断支援・流出予測装置でも行うものとする。 |
表−4.3 ダム水文量演算処理の項目と演算周期
| 項 目 | 演算周期 | |
| ダム水文量 | 平滑貯 水位(2次平滑貯水位) | 1分 |
| 有 効容量内貯水量 | 1分 | |
| 有 効容量内空容量 | 1分 | |
| 有 効容量内貯水率 | 1分 | |
| 発 電使用水量(他機関) | 1分 | |
| 直 接取水量 | 1分 | |
| 分 水量 | 1分 | |
| ゲー
ト・バルブ1門毎放流量 (自然越流量含む) | 2秒,1分 | |
| ゲー ト種別毎放流量 | 2秒,1分 | |
| ダ ム放流量 | 2秒,1分 | |
| 下 流放流量 | 2秒,1分 | |
| 全 放流量 | 2秒,1分 | |
| 全 流入量 | 1分 | |
| 注 水量 | 1分 | |
| 自 己流入量 | 1分 | |
| 調 整流量 | 1分 | |
(解 説)
(1)ダム水文量 演算処理に使用する基本データは以下のものとする。
@ 貯 水位
入出力処理において処理さ れた2秒毎の1次平滑貯水位から正分毎の値を抽出し、本処理において2次平滑処理を行ったデータとする。(本処理における2次平滑化については、貯水池特 性を勘案して行うか否かを設定する)
なお、放流操作装置等のモ ニターへの短周期の表示用としては、2秒毎の平滑処理を行った1次平滑貯水位を使用するものとする。
A 開 度・流量
入出力処理において処理さ れた2秒毎の計測値の中から正分毎の開度(鉛直開度または面積開度)・流量(平滑流量)を抽出し、使用するものとする。
なお、放流操作装置等のモ ニターへの短周期の表示用の開度・流量は、2秒毎の値を使用するものとする。
(2) 処理の内容
@ 貯 水位2次平滑処理(Ha〔EL.m,有効桁数6桁〕)
貯水位データには、波浪な どの影響により数秒から数十分周期の振動が含まれており、ダムコンで安定した貯水位データを得るため、「3−2−1.入出力処理」において数秒周期の振動 除去を対象とした貯水位1次平滑処理を行っている。
本処理は、数分周期の振動 除去を対象とした貯水位データの平滑処理を行うものである。
平滑化の方法は、貯水位計 測装置で処理された1分毎の1次平滑貯水位N個を用いて、移動平均により正分毎に平滑貯水位を求める。

但 し、Ha[t] :t分の2次平滑貯水位〔EL.m〕
Ha1[t] :t分の1次平滑貯水位〔EL.m〕
N :移動平均数(1から10程度)
ダム水文量演算処理等に用 いる貯水位は、上式によって求められた2次平滑貯水位を使用することを基本とする。移動平均数は当該ダムにおける貯水池特性及び計測貯水位の振動特性を勘 案して可変設定が可能なものとする。処理単位は1pを基本とし、1o単位を四捨五入して算出する。ただし、ダムによっては平水時にo単位で管理していると ころもあり、この場合は0.1o単位まで求めこれを四捨五入してo単位とする。なお、当該ダムにおいて数分周期の振動が少ない場合には移動平均数に1を設 定し、ここでの平滑処理は行わないものとする。
当該ダムにおいて数分周期 の振動が多く、この貯水位振動が他の演算処理に影響を及ぼす場合には、貯水位を安定させるように本処理の移動平均数を1以上(最大10程度)に設定し、貯 水位の2次平滑化を行うものである。ただし、貯水位2次平滑処理は、移動平均法を用いているため貯水位の算出遅れ(少なくともN/2分)を生じてしまう。 移動平均数の設定は、貯水位の振動特性と算出遅れを考慮して、シミュレーション計算を行い、適正に設定することが必要である。
A有効容量内貯水量の計算 (Vh〔103m3, 有効桁数6桁〕)
正 分毎の平滑貯水位から貯水位〜総貯水量対応表をもとに内挿近似法により有効容量内貯水量を求める。
Vh = Va−VL〔103m3〕

但し、Vh:有効容 量内貯水量〔103m3〕
Va:正分平滑貯水位に相当する総貯水量〔103m3〕
VL:最低水位に相当する総貯水量〔103m3〕
Ha:正分平滑貯水位〔EL.m〕
HL:最低水位〔EL.m〕
H[k],H[k+1],H[j],H[j+1]:貯水位−総貯水量対応表中の貯水位
V[k],V[k+1],V[j],V[j+1]:上記貯水位に対応する総貯水量
こ こで、H[k]≦Ha≦H[k+1]
V[k]≦Va≦V[k+1]
H[j]≦HL≦H[j+1]
V[j]≦VL≦V[j+1]

総
貯水量は、直近深浅測量により求めたH−V表
を用いることを基本とする。
(○年○月 河川局長通達)
B有効容量内空容量の計算 (V〔103m3, 有効桁数6桁〕)
有 効容量内空容量は、サーチャージ水位に相当する総貯水量から正分平滑貯水位に相当する総貯水量を引いて算出する。
Vc=Vs−Va〔103m3〕

但 し、Vc:有効容量内空容〔103m3〕〕
Vs:サーチャージ水位に相当する総貯水量〔103m3〕
Va:正分平滑貯水位に相当する総貯水量〔103m3〕
Hs:サーチャージ水位〔EL.m〕
C有効容量内貯水率の計算 (Vpc〔%,有効桁数4桁〕)
有 効容量内貯水率は、有効容量内のサーチャージ水位に相当する貯水量に対する有効容量内貯水量の比率として算出する。

但 し、Vpc:有効容量内貯水率〔%〕
Vh :有効容量内貯水量〔103m3〕
Vs :サーチャージ水位に相当する総貯水量〔103m3〕
VL :最低水位に相当する総貯水量〔103m3〕
な お、貯水率が100%を超えるときは100%、マイナス値の場合は0%に補正する。
D 発電使用水量の計算(Qps〔m3/s,有効桁 数6桁〕)
他 機関発電使用水量は、流量計データとして直接取り込むことを基本とする。
Qps=Q(発電水量流量計)〔m3/s〕
正 分発電使用水量は正分(00秒)に得られる流量計流量又は発電側より発電使用水量を入力して用いることを基本とする。
た だし、流量計データが取り込めない場合には、発電側より発電電力を入力し、貯水位〜発電電力〜使用水量対応表より、発電使用水量を算出するものとする。
E 直接取水量の計算(Qu〔m3/s,有効桁数6 桁〕)
直 接取水量は、ダムから直接取水する利水取水量であり、流量計で計測した正分(00秒)の流量を直接取水量として扱う。
F 分水量の計算(Qb〔m3/s,有効桁数6 桁〕)
分 水量は、貯水位〜ゲート・バルブ開度〜分水量対応表から算出するものとし、正分平滑貯水位と正分ゲート開度より、1分毎に求めるものとする。
た だし、流量計が設置されている場合において、開度又は貯水位が欠測したときには正分(00秒)の流量計データを用いるものとする。
処 理周期は1分を基本とするが、分水施設とダム管理所間の通信手段によるデータの伝送時間間隔に留意した処理周期を考慮する必要がある。
デー タの収集が連続のものであれば他の水文量演算と併せた処理(正分)が可能であるが、通常のテレメータ伝送とした場合は最短でも処理が10分毎となり処理結 果の一元化が図れなくなるため、連続的なデータ収集を行うことを基本とする。
G ゲート・バルブ1門毎放流量(自由越流量含む)の計算(Qgij〔m3/s, 有効桁数6桁〕)
ゲー ト及びバルブ毎の放流量計算は、その種類、形状毎に別途指示する貯水位〜開度〜放流量対応表から内挿近似法又は流量算出式によりゲート・バルブ1門毎に算 出するものとし、貯水位〜開度〜放流量対応表から求める方法を標準とする。
利 水放流設備など流量計が設置されている放流設備では、開度又は貯水位が欠測した場合には正分時(00秒)の流量計データを用いるものとする。
本 処理は、正分毎の計算処理と放流操作装置モニターへの短周期の表示用として2秒毎に行う計算処理がある。
ま た、自然越流方式である放流設備については、貯水位〜自然越流量対応表から内挿近似法又は越流量算出式により求めるものとする。
貯 水位〜自然越流量対応表から内挿近似法により求める方法を以下に示す。

但し、Qgij:正分放流量 〔m3/s〕〕
Ha :正分平滑貯水位〔EL.m〕
H[k],H[k+1]:貯水位−自然越流量対応表中貯水位
Q[k],Q[k+1]:H[k],H[k+1]に対応する自然越流量
自 然越流の放流設備については、期別(洪水期・非洪水期)により全開・全閉、半開とするもの、あるいは越流敷高が変化(洪水期の敷高と非洪水期の敷高)する ものがある。前者については、全閉時には自然越流量=0とし、全開、半開時には貯水位〜開度〜放流量対応表を用意して計算し、後者については、洪水期と非 洪水期の2種類の貯水位〜自然越流量対応表を用意して計算する。
H 放流設備種別毎放流量の計算(Qgi〔m3/s, 有効桁数6桁〕)
放 流設備種別毎にゲート・バルブ毎正分放流量の和を求めるものとする。

但し、:正分i放流設備種別 放流量〔m3/s〕
Qgij :正分i放流設備種別j号ゲート放流量〔m3/s〕
n :i放流設備種別の門数〔門〕
な お、管理用発電がある場合は、必要に応じて管理用発電使用水量(Qkps)も計上する。その場合、管理用発電使用水量(Qkps)は、正分毎の流量計デー タを用いることとし、流量計データが取り込めない場合には、発電電力を入力し、貯水位〜発電電力〜使用水量対応表より発電使用水量を算出する。
I ダム放流量の計算(Qo〔m3/s,有効桁数6 桁〕)
正 分ダム放流量は、正分の放流設備種別毎放流量及び分水量の和として計算するものとする。
ダ ム放流量は、ダム管理者の判断により、ダム貯水池から放流する水量であり、ダム管理者が行う分水は含めるが、利水者が行う分水は含めない。

但し、Qo :正分ダム放流量〔m3/s〕
Qgi:正分iゲート種別合計放流量〔m3/s〕
Qb :分水量〔m3/s〕
n :放流設備種別数
J 下流放流量の計算(Qksei,Qkris〔m3/s, 有効桁数6桁〕)
ダ ムから下流への放流量(下流放流制限の対象となる放流量(Qksei)及び利水補給の対象となる放流量(Qkris))は、各ダムの状況に応じて、正分の 放流設備種別毎放流量及び他機関発電使用水量のうち該当する項目の和として計算するものとする。
のうち該当する項目の和〔m3/s〕
但し、Qksei:下流放流制限対象放流量〔m3/s〕
Qkris:利水補給対象放流量〔m3/s〕
Qgi :正分i放流設備種別放流量〔m3/s〕
Qps :正分他機関発電使用水量〔m3/s〕
n :放流設備種別数
K 全放流量の計算(Qot〔m3/s,有効桁数6 桁〕)
正 分全放流量は、正分のダム放流量、直接取水量及び他機関発電使用水量の和として計算するものとする。

但し、Qot:正分全放流 量〔m3/s〕
Qo :正分ダム放流量〔m3/s〕
Qu :正分直接取水量〔m3/s〕
Qps:正分他 機関発電使用水量〔m3/s〕
L 全流入量の計算(Qit〔m3/s,有効桁数6 桁〕)
貯 水池への全流入量は、貯水位の変化量から求めるものとする。
本 仕様書で規定する全流入量計算には後述する2つの方法がある。
ゲー ト調節ダムでは、流入量変化が小さい場合(平水時)には貯水位変化方式(a.方法)を、流入量変化が大きい場合(洪水初期から洪水時)には最小二乗法外挿 方式(b.方法)を用いるものとする。流入量算出方式の切替えは、切替えのために設定された流量(流入量算定方式切替流量)による方法を基本とし、流入量 算定方式切替流量はダム貯水池の特性などを勘案し特記仕様書にて指示するものとする。流入量算定方式を切替える流量は、貯水池の特性に左右されることが多 く、予め早い段階で適正なパラメータの設定を行うことが望ましい。なお、流入量計算の切替方法については、流量によるものと貯水位の変化量(ex.一定時 間内に貯水位がAp以上変化した場合に切替える)によるもの、更に2つの方法を併用した方法が考えられる。切換条件や切替方法は、各ダムで予めシミュレー ション計算などにより設定する。この場合、切替によるハンチングを防止するため、(a.方法)→(b.方法)の切替条件と(b.方法)→(a.方法)の切 替条件をそれぞれ設定する必要がある。
自 然調節ダムでは、貯水位変化方式(a.方法)を用いるものとする。
貯 水位が急激に減少した場合や導水(注水)を行っているダムでは、流入量がマイナス値となる場合がある。この場合、表示や記録には「0」値(補正値)を用 い、集計等の計算処理には「マイナス」値(実計算値)を用いるものとする。
流 入量の算定には、ダム独自の方式を操作規則に規定しているものもあり、その場合にはそれによるものとし、その旨特記仕様書に明示する。
a. 貯水位変化毎に求める方法
流 入量は、一定時間における貯水量の変化量から求められる貯留流量と、貯水池から放流した平均全放流量の和として算出するものとする。
計 算周期は、貯水位変化に要した時間(T分)とする。また、水位変化がない場合は、前回計算流入量を今回流入量とする。計算時間間隔(T分)は、10分を基 本とするが可変とし、ダム毎に適正な値を設定し、特記仕様書に明示する。
平 滑貯水位の変化量は、対象とするダムのダム貯水池の特性によるが、最小1p単位を基本とし、o単位の貯水位管理を行っているダムではo単位とする。

但し、Qit :正分全流入量〔m3/s〕
Vh[t] :現流入量算出時の有効貯水量〔m3/s〕
Vh[t-T] :全流入量算出時(T分前)の有効貯水量〔m3/s〕
Qot[t-i] :現流入量算出時からi分前の全放流量〔m3/s〕
T :貯水位変化に要した時間〔分〕

図 3−2−3.1 貯水位変化方式による流入量計算タイミング
b. 最小二乗法による方法
a. の方式では、仮想流入量Qitdsを現時刻全流入量としているが、この際算出しているT分間平均全放流量は移動平均で算出しているため、T/2だけ時間遅 れが生じる。このT/2の遅れを解消するため、最小二乗法の外挿により補正を行うものとする。つまり、最小二乗法では、1分毎に仮想流入量Qitdsを求 め、そのT/2時間だけ外挿した値を1分毎に計算し、現時刻全流入量とし求めるものとする。

こ こで、

但し、Qit :正分全流入量〔m3/s〕
Qot[t] :t時の全放流量〔m3/s〕
Vh[t] :t時の有効貯水量〔m3/s〕
Qitds[t]:t時 の仮想流入量〔m3/s〕
A,B :最小二乗法係数
T :仮想流入量算出時間間隔〔分〕
N :最小二乗法サンプル数
上 記の式の最小二乗法サンプル数(N)については、当該ダムの貯水池や流入特性によるため、各ダムでシミュレーション計算を行い設定し、特記仕様書にて指示 するものとする。
M 注水量の計算(Qc〔m3/s, 有効桁数5桁〕)
注 水量は、ゲート・バルブ開度及び注水地点水位〜開度〜注水量対応表より算出するものとする。
た だし、流量計が設置されている場合において、開度又は貯水位が欠測したときには正分時(00秒)の流量計データを用いるものとする。
処 理周期は1分を基本とするが、注水施設とダム管理所間の通信手段によるデータの伝送時間間隔に留意した処理周期を考慮する必要がある。
デー タの収集が連続のものであれば他の水文量演算と併せた処理(正分)が可能であるが、通常のテレメータ伝送とした場合は最短でも処理が10分毎となり処理結 果の一元化が図れなくなるため、極力連続的なデータ収集を行うことが望ましい。
N 自己流入量の計算(Qi〔m3/s, 有効桁数5桁〕)
他 流域からの注水がある場合、自流域からの流入量として自己流入量を算出する。自己流入量は全流入量から注水量を差し引いて算出するものとする。
Qi =Qit−Qc 〔m3/s〕
但し、Qi :正分自己流入量〔m3/s〕
Qit:正分全流入量〔m3/s〕
Qc :正分注水量〔m3/s〕
O 調整流量の計算(Qdeltaj〔m3/s, 有効桁数5桁〕)
調 整流量は、全放流量と全流入量との差によって算出するものとする。
Qdeltaj =Qot−Qit 〔m3/s〕
但し、Qdeltaj:正分調整流量〔m3/s〕
Qot :正分全放流量〔m3/s〕
Qit :正分全流入〔m3/s〕〕
(3)欠測時の処 理
ダム水文量の各項目 を算出するにあたっての必要データが一つでも欠測して算出が不可能な場合は、当該項目を欠測として取り扱うものとする。
表3−2−3.1 演算項目が欠測となる場合
| 演 算項目 | 演 算項目が欠測となる場合 |
| 2 次平滑貯水位 | 1 次平滑貯水位が欠測 |
| 有 効容量内貯水量 | 貯 水位が欠測 |
| 有 効容量内空容量 | 貯 水位が欠測 |
| 有 効容量内貯水率 | 有 効容量内貯水量が欠測 |
| 発 電使用水量 | 流量計データを取り込んでいる場合 →流量計データが欠測 貯水位〜発電電力〜使用水量対応表の場合 →貯水位、発電電力のどちらかが欠測 |
| 直 接取水量 | 流 量計データが欠測 |
| 分 水量 | 流量計が設置されていない場合 →貯水位、開度のどちらかが 欠測 流 量計が設置されている場合 → 貯水位、開度のどちらかが欠測、かつ流量計データが欠測 |
| ゲート・
バルブ1門毎 放流量 (自由越流量含む) | 流量計が設置されていない場
合 →貯水位、開度のどちらかが 欠測 流 量計が設置されている場合 → 貯水位、開度のどちらかが欠測、かつ流量計データが欠測 |
| 放 流設備種別毎放流量 | ゲー ト・バルブ毎放流量が1門でも欠側 |
| ダ ム放流量 | 放 流設備種別毎放流量、分水量のどちらかが欠測 |
| 下 流放流量 | 放 流設備種別毎放流量、他機関発電使用水量のうち該当する項目が欠測 |
| 全 放流量 | ダ ム放流量、直接取水量、他機関発電使用水量のどれかが欠測 |
| 全 流入量 | 有 効容量内貯水量、全放流量のどちらかが欠測 |
| 注 水量 | 流量計が設置されていない場合 →貯水位、開度のどちらかが 欠測 流 量計が設置されている場合 → 貯水位、開度のどちらかが欠測、かつ流量計データが欠測 |
| 自 己流入量 | 全 流入量、注水量のどちらかが欠測 |
| 調 整流量 | 全 放流量、全流入量のどちらかが欠測 |
流域 水文量の演算処理は、雨量・水位観測設備からテレメータで伝送される観測値をもとに各種の演算処理を行って雨量諸量及び河川諸量を算出するものである。 本処 理の対象項目と演算周期を下表に示す。局別河川水位・流量は、ダム上流の河川水位・流量、ダム下流の治水基準点及び利水基準点の河川水位・流量である。 本処 理は、情報入力・提供装置で行うものとする。 |
表−4.4 流域水文量演算処理の項目と演算周期
| 項 目 | 演算周期 | |
| 流域水文量 | 局別m分 雨量 | 定時 |
| 局別N時間 雨量 | 正時 | |
| 局別累計雨 量 | 定時,正時 | |
| 流域平 均m分雨量 | 定時 | |
| 流域 平均N時間雨量 | 正時 | |
| 流 域平均累計雨量 | 定時,正時 | |
| 局 別河川水位 | 定時,正時 | |
| 局 別河川流量 | 定時,正時 | |
m
=10or15or30,60
N=1,3,6,12,24

図−4.3 流域水 文量演算の処理体系一覧
(解 説)
(1)本処理に使 用する基本データは以下のものとする。
@雨量
通信処理においてテレメー タ装置から入力され処理された正時又は定時の観測雨量(積算値)を使用するものとする。
A河川水位
通信処理においてテレメー タ装置から入力され処理された正時又は定時の観測河川水位を使用するものとする。
(2) 処理の内容
@局別m分雨量計算 (R1i(m)〔o,有効桁数4桁〕)
雨 量データはテレメータにより正時又は定時毎に観測される。雨量データは現時点までの3桁の積算値(000〜999)で入力されるため、現在の観測雨量とm 分前定時の観測雨量との差によりm分雨量を算出するものとする。
積 算値が999から000に移る時は、下式ではマイナス雨量となるため今回計測値に1000を加える補数変換を行う必要がある。
R1i (m)=Rki(t)−Rki(t−m) 〔o〕
但し、R1i(m) :i局m分雨量〔o〕
Rki(t) :i局のt分時観測雨量
Rki(t−m):i局の(t−m)分時観測雨量
m :10分or15分or30分
A局別N時間雨量計算 (R2i(N)〔o,有効桁数3桁〕)
局 別N時間雨量は、現正時の観測雨量からN時間前の観測雨量を差し引いて計算するものとする。
R2i (N)=Rki(h)−Rki(h−N) 〔o〕
但し、R2i(N) :i局N時間雨量〔o〕
Rki(h) :h正時i局観測雨量
Rki(h−N):(h−N)正時i局観測雨量
N :積算時間間隔(1,3,6,12,24時間)
B局別累計雨量計算 (Rti〔o,有効桁数4桁〕)
局 別の累計雨量は、h正時又は定時の観測雨量から積算開始時の観測雨量を差し引いて算出するものとする。ここで、積算開始時間は、画面からのリセット操作お よび無降雨時間の自動判定によるものとし、全局一斉に行うものとする。
無 降雨時間は、ダム流域の流出特性ならびに別途河川情報システムの定数などを勘案し定めるものとする。(H16.10現在は12h。)
Rti = Rki(h)−Rkaii(o) 〔o〕
但し、Rti :i局累計雨量〔o〕
Rki(h) :h正時(又は定時)i局観測雨量
Rkaii (o):積算開始時のi局観測雨量
C流域平均m分雨量計 算(Rs(m)〔o,有効桁数4桁〕)
a.m=10or15or30分のとき
m 分雨量データが欠測なしで得られている場合、全観測局のデータを用いて計算を行い、i局のティーセン係数atiとm分雨量との積の総和により流域平均m分 雨量を算出するものとする。

但し、Rs (m) :流域平均m分雨量o〕
R1i (m):i局のm分雨量〔o〕
ati :i局ティーセン係数
n :観測局数
全 観測局のうち、l局が欠測した場合は、l局を除いた残りの観測局だけで引き直したティーセン係数atijと正常m分雨量とを用いて算出するものとする。
ティー セン係数atijは、あらゆる欠測のパターンを考慮して予め求めておき、本設備内で保有しておくものとする。ティーセン係数は、特記仕様書で指示する。

但し、Rs(m) :流域平均m分雨量〔o〕
R1i(m):i局のm分雨量〔o〕
atij :j局欠測時のi局ティーセン係数
n :観測局数
l :欠測局数
j :欠測局
〔例・・ A,B,Cの3観測所を対象とした雨量観測局ティーセン係数テーブル〕
(下 記テーブルを作成し、特記仕様書で指示する。)
| テーブル数 | A局 | B局 | C局 |
| 1 2 3 4 5 6 7 | α1 × α3 α4 × α6 × | β1 β2 × β4 × × β7 | γ1 γ2 γ3 × γ5 × × |
<凡
例>
× :欠側
αn:ティーセン係数
βn:
〃
γn: 〃
b.m=60分のとき
流 域平均60分雨量は、上記a.で算出した流域平均m分雨量(m=10or15or30分)の過去60分間分の加算値(ex.m=10分のときは過去6個分 の加算値)として算出するものとする。

但し、Rs(60):流域平均60分雨量〔o〕
Rs(m) :流域平均m分雨量〔o〕
n :加算個数
D 流域平均N時間雨量計算(Ra(N)〔o,有効桁数5桁〕)
a.N=1時間のとき
h 正時の1時間雨量が欠測なく全局得られている場合は、全観測局の1時間雨量、ティーセン係数より算出するものとする。

但し、Rs (l) :h正時流域平均1時間雨量〔o〕
R2i (l):h正時におけるi局時間雨量〔o〕
ati :i局ティーセン係数
n :観測局数
欠 測処理の考え方は、上記のCa.と同様とする。
た だし、テレメータ装置がm分間隔でのデータ収集を行っており、h正時での流域平均60分雨量が計算されている場合には、これを流域平均1時間雨量として取 り扱うものとする。
Ra(1)=h正時のRs(60) 〔o〕
但し、Ra(1) :h正時流域平均1時間雨量〔o〕
Rs(60):流域平均60分雨量
b.N=3,6,12,24時間のとき
流 域平均N時間雨量は、上記@で算出した流域平均1時間雨量の過去N時間分の加算値として算出するものとする。

但し、Ra (N): h正時流域平均N時間雨量〔o〕
Ra (1): h正時流域平均1時間雨量〔o〕
N : 加算個数
E流域平均累計雨量計 算(Rat〔o,有効桁数5桁〕)
流 域平均累計雨量は、累計開始時からの流域平均1時間雨量の和として計算するものとする。

但し、Rat :流域平均累計雨量〔o〕
Ra(1):流域平均時間雨量〔o〕
n :累計時間
ただし、テレメータ装置が m分間隔でのデータ収集を行っている場合には、流域平均m分雨量を加算することにより、m分毎に算出するものとする。
F 局別河川流量計算(Qri(m)〔m3/s,有 効桁数6桁〕)
河 川流量は観測局毎に指定された河川水位〜流量関係式より算出するものとする。流量計算式は、河道の特性に合わせて数セットの計算定数を用意しておき、水位 ごとに切り換えができるようにしておくものとする。

但し、Qri(m) :i局河川流量〔m3/s〕
Hri(m) :i局河川水位〔m〕
Cij,dij :i局のj番目の近似式定数
Hri (m)が欠測している場合は、Qri(m)を欠測として取り扱うものとする。

図 3−2−4.1 河川水位〜流量関係式の近似式定数
河
床変動に伴う流量算出精度が常々問題となるため、非洪水期間中に流量観測などを行い、なるべく早い時期に新しい水位〜流量関係式に更新しておくものとす
る。
なお、河川管理者が設置した河川水位観測局については、河川情報システム等から水位データとともに流量データを入力できるものと
し、流量データの整合を図れ
るものとする。
情報 の判定と警報通報処理は、ダム状況が注意すべき状態であることを操作員に周知するため、以下に示す項目について行うものとする。
(1) 流域水文量情報の判定処理 (2) ダム水文量情報の判定処理 (3) 操作演算情報の判定処理 (4) ゲート・バルブ異常状態情報の判定処理 (5) 機器異常状態情報の判定処理 (6) ゲート・バルブ動作状態情報の判定処理
ダ ム状況が注意すべき状態であることを操作員に周知する場合には、見逃しなく操作員が状況把握できるようにするため、判定結果の表示及びアラーム鳴動を行う 機能を有するものとする。 ま た、情報の判定処理結果はファイルに保存するものとする |
(解説)
(1)流域水文量 情報の判定処理は、流域水文量演算処理で算出された雨量、河川水位・流量が警戒すべき基準値に達しているかの判定処理を行い、操作員への注意喚起及び操作 員の判断を求めるものである。
(2)ダム水文量 情報の判定処理は、ダム水文量演算処理で算出された貯水位、流入量、放流量が警戒すべき基準値に達しているかの判定処理を行い、操作員への注意喚起及び操 作員の判断を求めるものである。
(3)操作演算情 報の判定処理は、操作演算処理で操作員が選択した放流方式、演算中の放流方式の終了条件、半自動操作時の目標値の更新等について判定処理を行い、操作員に 周知し確認を求めるものである。
(4)ゲート・バ ルブ異常状態情報の判定処理は、放流設備の状態信号及びゲート・バルブ開度をもとに判定処理を行い、ゲート・バルブの制御・動作について何らかの異常が発 生している場合に操作員に周知し、確認と処理を求めるものである。
(5)機器異常状 態情報の判定処理は、各装置との情報授受結果について判定処理を行い、ダムコンの各装置や関連設備の障害発生を操作員に周知し、確認を求めるものである。
(6)ゲート・バ ルブ動作状態情報の判定処理は、放流設備から入力される状態信号をもとに判定処理を行い、ゲート・バルブの動作状態を操作員に周知するものである。ゲー ト・バルブには油圧ユニットなどが二重化されて信頼性を向上させているものもある。ゲート・バルブの判定レベル及び判定処理については、各ダム毎に特記仕 様書に示すものとする。
(7)情報の判定 処理結果の表示、アラームの鳴動は以下のとおりである。
@ ゲート調節ダム
a. 表示:放流操作装置モニター及び表示装置への画面表示、入出力装置に接続するランプのフリッカー表示
b. アラームの鳴動:入出力装置に接続するベル、ブザー、チャイム及び中継端子盤に接続するチャイムの鳴動(ゲート動作中のチャイム音は中継端子盤のチャイム 鳴動、バルブ動作中のチャイム音は入出力装置のチャイム鳴動となる)
A 自然調節ダム
a. 表示:放流操作装置モニターへの画面表示、入出力装置に接続するランプのフリッカー表示
b. アラームの鳴動:入出力装置に接続するベル、ブザー、チャイムの鳴動
(8)表−4.5 の警報レベルは、判定内容により以下の5レベルに分類する。
表 3−2−5.1 警報のレベル
| レ ベル | 内 容 |
| A | 「非常緊急対応」 非常に緊急の対応 を要する |
職員による緊急の対応が必要となる大事故につながる恐れのある非常に重 大な異常。また、洪水時のゲート操作に重大な影響を及ぼす異常 ア. 重 大事故につながる恐れがある イ. 予 期できない事象でダムの崩壊等につながる ウ. ゲート操作(機側操作、遠方操作)が不可能になる | |
| AB | 「緊急対応」緊 急の対応を要する |
| ゲートに直接関係する異常で、その動きを適切
に制御できない、または制
御不能である。 ア. 他 に代替できるものがない イ. 予 期できない事象でゲート操作に変わる ウ. 遠 方操作(遠方手動操作、一回限り操作、自動・半自動操作)が不可能となる エ. 代 替機能とも両方異常となった(二重化されたものが両方異常となった) | |
| B | 「即時対応、重大 監視」重大な関心 を持って速やかに改善を要する |
職員による即時対 応が必要となる異常 ア. 代 替はきくが2〜3日で復旧しなければ事故につながる恐れがある イ. ゲー ト操作に直接支障はないが予期せぬ事故につながる恐れがある。 ウ. 代 替がなく情報・機器の性能に信頼性がなくなる エ. ゲート操作に係わる異常事象で原因の察知できるもの | |
| C | 「注意対応」注意 しつつ、点検等で 対処 |
職員に対し注意を促す必要のある軽微の異常・警報 ア. ゲー ト操作に支障はないが明らかにおかしな事象 イ. 他 のものから類推可能なもの ウ. 代 替はないが事故に結び付かないもの エ. 入 力するデータが頻繁に欠測するなど運用に支障がでるもの | |
| D | 「確認対応」正常 動作の確認 |
職員に対し通知する必要のある正常な状態 ア. ゲー トの動作状態 イ. ダ ム操作コンピューターの動作状態 ウ. 職 員の操作状態 エ.水理・水文の変化状態 |
(9)表−4.5
のアラーム(ベル、ブザー、チャイム)の区分は以下のとおりである。
@ベ
ル:ゲートや機器の異常に関する判定項目で警報レベルがA、ABに該当するもの。
Aブ
ザー:ゲートや機器の異常に関する判定項目で警報レベルがB、Cに該当するもの。流域水文量、ダム水文量の上下限設定値による判定項目であるもの。
Bチャイム:「ゲート動作中」や「操作要求」など職員に確認を求める判定項目であるもの。
(10) 貯水位計正副水位差異常の場合、警報を発するが、いずれの貯水位を選択するかは操作員の判断により手動切替とする。
表 示処理は、ダム管理情報を操作員へ提供するためのものである。 表 示媒体は、放流操作装置、放流判断支援・流出予測装置の各モニター、遠方手動操作装置(操作表示器)、表示装置及び入出力装置に接続するランプ(LED) と する。各モニター及び表示装置には、一覧表、グラフ、模式図等により操作員にわかりやすく表示するものとし、ランプ(LED)は、「情報の判定と警報通報 処理」における警報通報情報発生時に点灯(点滅)させるものとする。 表 示処理の対象情報及び表示周期は、以下のとおりである。 (1) ダ ム状況に関する情報 現 在のダム状況を把握するための貯水位、流入量、放流量等のダム水文量情報である。 表 示周期は1分を基本とし、放流量情報については2秒とする。 (2) 流 域状況に関する情報 現 在の流域状況を把握するための雨量、河川水位・流量等の流域水文量情報である。 表 示周期は定時及び正時とする。 (3) 操 作に関する情報 ゲー ト・バルブを操作するために必要となる現在放流量、開度及び目標値(目標放流量、目標開度)情報である。 表 示周期は、現在放流量、開度は2秒、目標値は演算時(目標値算出時)とする。 (4) 警 報通報に関する情報 「情 報の判定と警報通報処理」で処理された警報通報情報である。 表 示周期は警報通報情報発生時とする。 こ の他、各種警報通報の設定値一覧を表示する。 |
(解説)
(1) 表示媒体のうち、放流操作装置、放流判断支援・流出予測装置のモニター及び表示装置は、ディスプレイを使用するため、数値情報以外に図形及びグラフ表示が 可能である。
ディスプレイ装置に よる表示は、表示内容により、次の項目の組み合わせによる画面構成とする。
ア. キャラクタ表示(平仮名、漢字、英数字等)
イ. グラフ形式表示
ウ. 表形式表示
エ. グラフィック形式表示
(2) 放流操作装置、放流判断支援・流出予測装置のモニター及び表示装置では以下の情報を表示するものとする。
@放流操作装置モ ニター
・ダム状況に関する 情報
・流域状況に関する 情報
・操作に関する情報
・警報通報に関する 情報
A放流判断支援・ 流出予測装置モニター
・ダム状況に関する 情報
・流域状況に関する 情報
・警報通報に関する 情報
B表示装置
・ダム状況に関する 情報
・流域状況に関する 情報
・警報通報に関する 情報
(3) 遠方手動操作装置(操作表示器)には、遠方手動操作のために必要となるゲートの現在開度及び現在放流量を表示するものとする。
(4) 入出力装置に接続するランプは、警報通報に関する情報をフリッカー表示するものとする。
(5) 表示画面は以下のとおりとする。なお、放流操作装置モニターでは各種定数やテーブルの設定変更画面も表示可能とする。
定数やテーブルの設 定変更操作を行う場合には、パスワード等の保護機構を具備するものとする。
表示画面の例を巻末 に添付する。

図3−2−6.1 各端末装置による表示画面一覧
デー タ蓄積処理は、ダム管理上の必要データをデータファイルとして記録・保存するものであり、以下に示す方法により行うものとする。 @ オンラインファイル記録 放流操作装置またはファイル装置の 補助記憶装置(主に磁気ディスク装置)を使用して、データをオンラインで読み書きする方法。 A オフラインファイル記録 放 流操作装置またはファイル装置に接続された補助記憶装置を使用して、データを外部記憶媒体に保存する方法。 本 処理は、放流操作装置で行うものとする。 |
表−4.6 各データのオンライン保存期間
| 項 目 | 保存期間 | |
| 基 本 | オプション | |
| 操 作記録データ | 1年6ヶ月 | − |
| 正 分値データ | 3ヶ月15日 | − |
| 正 時値・定時値データ | 1年6ヶ月 | − |
| 正 時集計値データ | − | ○(必要期間) |
| 日 集計値データ | − | ○(必要期間) |
| 月 集計値データ | − | ○(必要期間) |
| 年 集計値データ | − | ○(必要期間) |
(解説)
(1)
ダムコンの各装置で入力及び処理されたデータを放流操作装置またはファイル装置で一元管理することにより、データの重複をさけ、データの整合性を図ること
が可能となる。また、オンラインファイル記録されたデータは、表示処理、記録処理等に用いる。
操作記録
データ及び正時値・定時値データは、過去1年以上の履歴表示が可能なよう1年6ヶ月の保存を基本とする。正分データは、その取扱量が大量であることから、
直近3ヶ月15日までに限定するものとした。異常判定データは古いものから順次上書きされるもので、後々の故障原因究明が可能なよう1000件までの記録
ができるものとする。
(2) オンラインファイル記録の記録媒体は、放流操作装置またはファイル装置の補助記憶装置(磁気ディスク装置)とする。しかしながら、その記憶容量には限界が あるため、保存期間を過ぎた古いデータから削除するものとする。従って、長期間保存すべきデータは、削除される前にオフラインファイル記録による永久保存 や、放流操作装置またはファイル装置の万一の障害に備えたマスターファイルの定期的なバックアップを行うことが望ましい。
(3) オフラインファイル記録は、データの永久保存(長期間保存)やバックアップ保存、または保存データをダムコン以外のシステムで活用する場合に行うもので、 ファイルの種類や保存するデータ項目、期間などを指定して、外部記憶媒体に保存するものである。
データのバックアッ プは正副の2部作成し、また将来の記録媒体の移行などを考慮する。
外部記憶媒体として は、以下のものがあげられる。
@MO装置
ACD-R/RW装 置
BDVD装置等
Cその他汎用装置で 読み書きのできる媒体・装置
(4) オフラインファイル記録で外部記憶媒体に保存するデータ形式は、他システムとのデータ交換を考慮して、テキスト形式又はCSV形式を基本とする。
(5) オフラインファイル記録で保存したデータについては、当該外部記憶媒体を使用して、帳票の再出力が可能なものとする。ただし、当該帳票の出力に必要なデー タが保存されていることを前提とする。
記 録処理は、ダムコンに入力または 各演算処理で算出されたデータを、所定の様式で印字出力するものである。 また、集計処理は、管理日・月・年 報等を作成するにあたり、必要となる日・月・年集計等を行うものである。 本処理は、放流操作装置で行うもの とする。 |
表−4.7 各データの記録処理及び集計処理
| 項 目 | 記録処理 | 集計処理 |
| 操 作記録 | 基本 | − |
| 正 時集計 | − | オプション |
| 日 集計・管理日報 | オプション | オプション |
| 月 集計・管理月報 | オプション | オプション |
| 年 集計・管理年報 | オプション | オプション |
| 洪 水調節報告 | オプション | − |
(解説)
(1) 記録処理は、帳票毎の専用プリンタを設けず、情報系LANに接続されたネットワーク上の共用プリンタにより印字出力するものとし、放流操作装置から操作員 の要求により適時印刷できるものとする。
(2) ダムコンの障害時及び欠測時におけるデータ補填は、放流操作装置により行うものとする。
(3)
帳票記録処理において総貯水量、有効容量内貯水量、有効容量内空容量、有効容量内貯水率を用いる場合には、計画時(堆砂の影響なし)と現時点(堆砂の影響
あり)の2種類の貯水位〜総貯水量対応表による値があるため使用目的に応じて選択できるものとする。
なお、○
年○月河川局長通達により、(堆砂の影響あり)を基本とする。
(4) 記録処理は以下の帳票を対象とする。
帳 票記録様式の例を巻末に添付する。

図 3−2−8.1 記録処理の体系
(5) 管理年報については「国土交通省所管の多目的ダムに係るダム管理年報について」(平成14年2月19日 国河環第102号 国土交通省河川局長通達)に、 また、洪水調節報告については「多目的ダムにおける洪水調節に関する報告について」(昭和38年7月10日 建河発第325号 建設省河川局長通達)に準 じるものとする。この他、洪水調節容量以下での放流操作記録として「水位維持調節報告」を必要とするダムもあり、オプションで特記仕様書で指定する。
(6) 本仕様書においては、放流操作装置がシングル構成であることから、装置の保守時におけるデータ補填(ほてん)の考え方は次によるものとする。
@放流操作装置の保守時
放流判断 支援・流出予測装置、情報入力・提供装置、遠方手動操作装置の各々でデータ保存を行い、放流操作装置復旧後に、放流操作装置へのデータ補填が手動で行われ る。
A点検時の上位局への伝送
放流操作 装置が点検中の場合は、放流判断支援・流出予測装置の貯水位、流入量、放流量のバックアップ計算データ、情報入力・提供装置で行われる流域水文量演算デー タを上位局に伝送する。
Bゲート設備点検時
当該ゲー トを除外ゲートに設定するとともに、開度データ、流量データの保守中設定を行う。
(7) 集計処理は、記録処理を行うために必要な処理であり、以下の体系とする。

図3−2−8.2 集計処理の体系
(8)日集計処理
は、毎日午前0時を基準として、日合計値、日平均値及び日最大値、日最小値の集計をソフトウェアで定められた時刻に自動的に行うものとする。な
お、日集計の対象データは、当日の0時01分から当日の24時00分までに収集したデータとして集計を行い、前日の集計値とする。
ま
た、日平均値を算出するにあたって必要となる正時データについても正時集計により算出するものとする。
(9)
日最大値、日最小値及びその発生時刻については、当日の0時01分から当日の24時00分までの瞬時値の最大値又は最小値とその発生時刻を抽出するものと
する。
また、最大最小で同
じ数値が2個以上ある場合は、後に発生したデータを採用するものとする。
(10)日平均値
は正時データの24時間分を平均して求めるが、24個のうち9個以上欠測した場合、日平均値は欠測扱いとする。8個以内の欠測の場合には、16個
以上のデータを用いて平均値を求める。日総量値についても上記と同様とする。
ただし、日合計値
は、1つでも欠測があった場合は欠測とする。
(11)月集計処
理は、1日の0時01分から月末日(31日)の24時00分を対象データとして集計し、当月の月集計値とする。なお、本処理はソフトウェアで定め
られた時刻に自動的に行うものとする。
月集計の対象データ
は、毎正時の瞬時値及び日集計値を使用し、日貯水位については午前0時の瞬時値を用いるものとする。
(12)月集計処 理の最大最小で同じ数値が2個以上ある場合は、後に発生したデータを採用するものとする。
(13)月平均値、月 合計値、月間総量値は、日集計値が1つでも欠測であった場合には欠測とする。
(14)年集計は、日 集計データと月集計データをもとに1年分(1月1日午前0時01分から12月31日24時00分までを定められた時刻に自動的に行うものとす る。
(15)年平均値、総 量値は月集計値が1つでも欠測であった場合は欠測値とする。
表3−2−8.7 貯水位・流入量 及び放流量に関する年表 必要データ一覧表 (1)
表3−2−8.
7
貯水位・流入量及び放流量に関する年表 必要データ一覧表(2)
表3−2−8.
7
貯水位・流入量及び放流量に関する年表 必要データ一覧表(3)
表3−2−8. 8 貯水池の利用状況に関する年表 必要データ一覧表 (1)
表3−2−8. 8 貯水池の利用状況に関する年表 必要データ一覧表 (2)
表3− 2−8.9 洪水調節に関する年表 データ一覧表放 流判断支援・流出予測処理は、洪水時におけるゲート調節ダムの放流計画立案やただし書き操作移行への判断、自然調節ダムの常用洪水吐や非常用洪水吐からの 越流開始時期の判断等を支援するための処理である。 本 処理は、放流判断支援・流出予測装置で行うものとする。 放 流判断支援・流出予測処理の項目を以下に示す。 |

図−4.4 放流判断支援・流出予測処理の体系
(解説)
操 作演算1処理は、各ダムの操作規則・細則に従い、ダムから放流を行うための放流方式にもとづいてダムから放流すべき水量の目標値(目標全放流量)を算出す るものである。 本 処理は、放流操作装置で行うものとする。 ダ ム運用の目的と必要となる放流方式を下表に示す。 |

表−4.8 ダム運用の目的と放流方式
図−4.5 放流方 式(定率定量放流方式の例)
操 作演算2処理は、目標全放流量を使用する放流設備に配分し、放流設備1門毎の目標放流量を算出するものである。 放 流設備は、その使用目的、規模、構造などが様々であり、使用方法は対象とするダム固有の条件によって異なることから、各放流方式で使用する放流設備は、各 ダムに応じて設定する必要がある。 本 処理は、放流操作装置で行うものとする。 放 流方式と使用放流設備の標準的な関係を下表に示す。 |

表−4.9 放流方式と使用放流設備の関係
操作 演算3処理は、各ゲート・バルブに配分された放流設備1門毎目標放流量を現在の貯水位で放流可能なゲート・バルブ開度(目標開度)に換算するものである。 目標開度は、各ゲート・バルブの「貯水位〜開度〜放流量対応表」又は「放流量算出式」の逆算により算出するものとする。 遠方 から機側へ目標開度を送信・設定する場合には、目標値を正確かつ確実に設定するために、以下に示す設定確認を行うものとする。 @ 機側盤では遠方より目標開度を受信し、データの妥当性判定(開度データのスケール検定:目標開度が当該ゲート全閉値〜全開 値までの範囲内であるかの検定) を行う。これにより異常データと判定された場合は、遠方では操作員に対し通報を行うとともに、当該ゲート・バルブを除外ゲート扱いとするが、他のゲート・ バルブへの目標開度の設定は続行するものとする。 A 遠方では機側から返送される設定された開度を受信し、送信した目標開度との数値比較を行う。両開度の比較の結果が一致しない場合は、操作員に対し通報を行 うとともに、当該ゲート・バルブを除外ゲート扱いとするが、他のゲート・バルブへの目標開度の設定は続行するものとする。 本処 理における目標開度の算出は放流操作装置で行い、また、遠方から機側への目標開度の送信・設定確認(上記@、A)は入出力装置及び機側盤PLCで行うもの とする。 |

図−4.6 目標開度の設定確認
(解説)
(1) 操作演算処理は、水文量データ、放流設備情報等をもとに各ダムの操作規則・細則で定められたダムからの放流を行うための放流方式に従って、ダム操作の目標 値(開度、放流量)を算出、表示し、操作員を支援するものである。
目 標値としては、ダム貯水池から放流しなければならない目標全放流量及び操作すべき放流設備毎の目標放流量、目標開度を算出するものとする。
な お、操作演算処理で目標値(放流量、開度)を算出する対象設備は、ダム管理者の判断によって直接操作を行う放流設備とし、以下の設備は対象外とする。
〔対 象外設備〕
○ 選択取水設備
○ 他機関で操作を行う設備(発電設備等)
(2) 操作演算処理は、以下の流れにより演算を行うものとする。
@ ダム操作のための必要情報の抽出(読込)
A 演算開始条件の判定
現 在のダム水文量データをもとに、現在選択可能な放流方式の判定及び判定結果の操作員への提示を放流操作装置モニターにより行う。
B 放流方式の選択
操 作員が放流操作装置モニターより放流方式の選択を行う。
C 目標値算出対象放流設備の指定・変更
選 択された放流方式に従って、操作対象であり目標値を算出する稼働可能な放流設備が自動的に指定される。放流設備の故障時には、ダムコンで障害を検出し、放 流設備を自動的に除外する。
ま た、放流設備が点検中の場合には、放流操作装置モニターから当該放流設備を手動で除外する。(必要時のみ)
D 設定値の入力
操 作員が放流操作装置モニターより設定値の入力を行う。(設定値入力が必要な放流方式選択時のみ)
E 演算開始指示
操 作員が放流操作装置モニターより演算開始指示を行う。
F 放流方式に基づく目標全放流量の算出
選 択した放流方式により目標全放流量の算出を行う。
G 放流設備毎の目標放流量の算出
目 標全放流量を操作対象放流設備に配分し、放流設備毎の目標放流量の算出を行う。
H 放流設備毎の目標開度の算出
放 流設備毎の目標放流量より目標開度の算出を行う。
I 演算終了条件の判定
現 在のダム水文量データをもとに、現在選択している放流方式の終了条件の判定を行い、判定条件を満たしている場合には、放流操作装置モニターにガイド表示 し、同放流方式の操作演算処理を終了する。
な お、操作演算処理で用いる演算定数は、予め設定されているものであり、変更の必要が生じた場合には、操作員が放流操作装置モニターより演算定数の変更を行 うことを可能とする。
(3) ダムの放流方式は、時々のダム運用の目的によって異なっており、ダム運用の目的に応じて採られる放流方式として、本仕様書では以下に示すものを対象とす る。
〔対 象放流方式〕
a. 定水位放流方式
b. 定率定量放流方式
c. 一定量放流方式
d. 定開度放流方式
e. ただし書き操作放流方式
f. 設定流量放流方式
g. 開度設定値一回限り放流方式
また、ダム固有の条件により上記以外の放流方式を採用する場合は、標準化・汎用化の理念を念頭にシステム構築を行うものとする。
(4) 定水位放流方式
定 水位放流方式は、水位偏差方式と不感帯方式がある。流入量変化が大きい場合は水位偏差方式を用い、流入量変化が少なく安定している場合は不感対方式を用い るのが有効である。両方式の選択は操作員の判断による。
a. 水位偏差方式
水 位偏差方式は、操作員が設定した水位に移行させて、貯水位を許容水位幅内に維持する放流方式であり、貯水位の変化に応じて目標放流を増減させるものであ る。
貯 水位が設定水位(Hs)を上限、下限水位(H0)を下限とする操作水位幅内(ΔH)にあるとき、全放流量が次式を満足するように水位偏差(h)に対応する 目標全放流量を算出するものとする。
Qob -1<Qot<Qob+1

図3−2−10.1 定水位放流方式概念図
Qob :現在貯水位Haに対する目標放流量
Qob+1:現在貯水位Ha+ Δhs に対応するステップ放流量
Qob-1:現在貯水位Ha− Δhs に対応するステップ放流量
Qot :全放流量
Δhs :1放流ステップに対応する水位変化量(水位ステップ幅)
Hs :設定水位
Ha :現在貯水位
H0 :下限水位
Qf :洪水調節開始流量
目 標全放流量の算出は、放流ステップ−放流量対応表により行うものとする。
放 流ステップ−放流量対応表は以下に示す放流ステップ数、水位ステップ幅、ステップ放流量より構成される。
○ 放流ステップ数:対応表の行数(S)
○ 水位ス テップ幅:1ステップあたりの水位幅であり、1p程度とする。
○ ステッ プ放流量:各放流ステップに対応する放流量である。
放流ステップ数、水位 ステップ幅、ステップ放流量は、設定値の変更が可能なものとする。
放流ステップ−放流量 対応表は、最下限の放流ステップに対応する放流量に0又は責任放流量、最上限の放流ステップに対応する放流量に洪水調節開始流量を設定するのが一般的であ る。これにより、貯水位が操作水位幅内にあるとき、貯水位の変化に応じて0又は責任放流量〜洪水調節開始流量間の流量の放流を行うことになる。
洪水調節開始流量以下 の放流量を対象とした下流放流制限曲線の総ステップ数が20ステップ程度以内であれば、下流放流制限曲線を放流ステップ−放流量対応表に置き換えた場合、 定水位放流曲線の1ステップの増加量を下流放流制限曲線に基づく経過時間毎の放流量の増加量の範囲内に設定することができ、所定の時間間隔で操作を行って いる限り急激な放流とはならず、定水位放流操作の管理が容易に行えることとなる。
また、下流放流制限曲 線の総ステップ数が20ステップを超えるダムにおいて、定水位放流方式の操作水位幅を20p以内に抑えようとすると、定水位放流方式の1ステップの増加量 が下流放流制限曲線の増分を越えることとなり、下流放流制限を遵守した放流が不可能となる。
設定水位は、操作員が 演算開始時に表示設定操作卓の操作設定端末より入力可能なものとする。
演 算開始時には、現在水位が存在する現在放流ステップに対応する放流量を目標放流量とし、以後、貯水位が1放流ステップ変化する毎にその現在放流ステップに 対応する放流量を目標放流量とする。

図3−2−10.2 演算開始時の目標放流量
演算開始条件の一つである Qob-1<Qot<Qob+1を満たしていないときは、定水位曲線上にあるので直ちに定水位放流に入ることはできない。
この場合は、Qob-1 <Qot<Qob+1を 満たすように以下に示す移行制御を行うものとする。
@移行制御演算開 始条件
以下の条件を全て満た している場合に演算開始とする。
i) Ho≦Ha<Hs
ii) Qit<Qf
iii) Qi(t)−Qi(t−1)≦下流放流制限
iv) Qit>QotのときV1<V2
V1:設定水位 に対応する貯水量と演算開始時の貯水位に対応する貯水量の差
V2:演算開始 時の放流量を演算開始時の流入量まで下流放流制限に従って増加させる間に貯留される量
A移行制御演算内 容
移行 制御における演算内容は、以下に示す判定条件によって行うものとする。
i) 演算開始時のおける貯水位の変化方向(上昇、下降)
(演 算開始時の流入量Qi(t)と放流量Qo(t)との大小関係)
ii) 演算開始時の放流量Qo(t)と現在水位Haに対応するステップ放流量 Qo(Ha)の大小関係
iii) 演算中における流入量Qi(t)と放流量Qo(t)の流入差と放流量Qo(t−1)に対応する放流量の増加の限度ΔQ(Qo(t− 1))の大小関係
T. 貯水位が上昇中のとき(H(t)>H(t−1))
1)貯水位が上昇中の間
定時 毎(10分)に下流放流制限に従って放流量を増加させる。
2)貯水位が下降に転じ たとき
(a) Qo(t)<Qo(Ha)のとき
ア)
のとき
Qo(t−1)を継続 放流する。
イ)
のとき
放 流量を1ステップ減らして放流する。
ウ) 貯水位が再度上昇 に転じたときは1)に従う。
(b) Qo(t)>Qo(Ha)のとき
(b)−1 貯水位が再度 上昇するまで下流放流制限に従って放流量を減少させる。
(b) − 2 貯水位が上昇に転じたとき。
ア)
のとき
Qo(t−1)を継続 放流する。
イ)
のとき
放 流量を1ステップ減らして放流する。
ウ) 貯水位が再度下降 に転じたときは(b)−1に従う。
U. 貯水位が下降中のとき(H(t)<H(t−1))
1)貯水位が下降中の間
下流 放流制限に従って放流量を減少させる。
2)貯水位が上昇に転じ たとき
(a) Qo(t)≧Qo(Ha)のとき
ア)
のとき
Qo(t−1)を継続 放流する。
イ)
のとき
放 流量を1ステップ増やして放流する。
ウ) 貯水位が再度下降 に転じたときは1)に従う。
(b) Qo(t)<Qo(Ha)のとき
(b)−1 貯水位が再度 下降するまで下流放流制限に従って放流量を増加させる。
(b) − 2 貯水位が下降に転じたとき。
ア)
のとき
Qo(t−1)を継続 放流する。
イ)
のとき
放 流量を1ステップ減らして放流する。
ウ) 貯水位が再度上昇 に転じたときは(b)−1に従う。
B 移行制御演算終了条件
以下の条件のいずれか を満たしている場合に演算終了とする。
i) Qi(t)−Qi(t−1)>下流放流制限
ii) Qi(t)>Qo(t)のときV1<V2となった場合
V1:設定水位に 対応する貯水量と現在貯水位に対応する貯水量の差
V2:現在放流量 を現在流入量まで下流放流制限に従って増加させる間に貯留される量
iii) 操作員が終了指示を行ったとき
iv) Qob−1<Qot<Qob+1
@),A)は、移行制御の 継続が不可能であるための強制終了であり、また、C)は、定水位放流方式に移行することが可能となる。
1回の演算における放流ス テップの変化は1ステップとする。(1回で2放流ステップ以上の飛び越しは行わない)
また、貯水位の変化方向が 変わった場合(上昇→下降、下降→上昇)にはステップシフト処理を行う。このステップシフト処理は、貯水位の変化(上昇または下降)が同一方向であれば放 流ステップが変化するごとに当該放流ステップに対応する放流量を求め、全放流量の目標値を更新するが、貯水位の変化方向が反対方向に転じた時は、1回目は 目標値の更新を見送り、次の貯水位の変化方向も反対方向に転じているかどうかを確かめ、2回続けて反転現象が確認されたとき目標値の更新を行うものであ る。
こ のステップシフト処理により、水位下降時は、水位上昇時と比べ同一貯水位において放流ステップが1ステップ高いステップをとることになる。

図3−2−10.3 ステップシフト処理
現 在貯水位に対応する放流ステップは、定水位放流方式の下限水位である開始水位に対する現在貯水位の水位偏差とステップ幅から求められ、目標放流量は放流ス テップ−放流量対応表より放流ステップに対応する放流量を求めるものである。
ダ ムの貯水位は、流入量と放流量がほぼ等しい流量にあるとき、僅かな範囲で上下変動を繰り返すことがある。定水位放流方式時にこのような貯水位の上下変動が 発生するとゲート操作にハンチング現象が生じ、ゲート設備にとって好ましくない結果を招くこととなるため、定水位放流方式においては、このようなゲートの ハンチング現象を防止するためステップシフト処理を採用することとした。
放 流ステップ−放流量対応表(すり付け操作放流方式)は以下の手順により作成する。
| ステップ番号 | ステップ貯水位 | 水位ステップ幅 | ステップ放流量 |
| S1 | STH(S1) | STDH(S1) | STQob(S1) |
| S1-1 | STH(S1-1) | STDH(S1-1) | STQob(S1-1) |
・ ・ K ・ ・ | ・ ・ STH(K) ・ ・ | ・ ・ STDH(K) ・ ・ | ・ ・ STQob(K) ・ ・ |
| 2 | STH(2) | STDH(2) | STQob(2) |
| 1 | STH(1) | STDH(1) | STQob(1) |
放 流 ステップ−放流量対応表(すり付け操作)は、本システムでパターン1からパターン3の3種類を持ち、操作設定画面で操作員により選択設定された対応表(パ ターン1からパターン3のいずれか)を操作設定処理において完成させ、操作演算処理にて入力、使用する。
ス テップ番号、水位ステップ幅及びステップ放流量はダム管理用制御処理設備の定数設定機能により可変設定される。
【設 定方法】
@. 各ステップ放流量は、当該ダムの操作規則における下流放流制限に従い、ステップ番号1のステップ放流量(STQob(1))を0又は維持流量として順次、 洪水調節開始流量までの範囲で設定する。
A. この設定により総ステップ数(S1)及び各ステップ番号が確定する。
B. 水位ステップ幅は、流入量の変化がステップ放流量の増加割合と同等であると仮定した場合に、操作制御がNステップ遅れた場合でも制御が追従可能なように設 定する。即ち現在放流量をKステップのステップ放流量とした場合、流入量はK+Nステップのステップ放流量の流量と仮定し、この時のK+Nステップのス テップ放流量とKステップのステップ放流量の差分に操作時間を乗じた分の容量が貯留されることとなる。この貯留による貯水位変化(貯留量÷ 1cmあたりの貯水容量)を水位ステップ幅(cm単位)として設定する。また、ステップ遅れNについては当該ダムの出水状況及び対応表パ ターンにより決定する。
C. ステップ貯水位は、ダム管理用制御処理設備にて自動設定する。その方法はステップ番号S1のステップ貯水位(STH(S1))に設定水位(Hs[n])を 設定し、以降、各水位ステップ幅を差し引いた貯水位を順次設定する。
b. 不感帯方式
定 水位操作放流方式(不感帯設定方式)は、貯水位が設定された水位を中心に不感帯内に維持するように貯水位の変化に応じて放流量を増減させる不感帯設定方式 である。
(a) 現 在貯水位が上限貯水位より高い場合(Ha>Hs)
Qob=Qit+(△V1/△T)
ここで、Qob:目標放流量
Qit :現在流入量
△V1:(現在貯水位−上限 貯水位)に相当する貯水量
△T :△V1を放流するために要する時間
(b) 現 在貯水位が不感帯内にある場合(Hs+△h≧Ha≧Hs−△h)
現在の放流量を維持する。(操作は行 わない)
(c) 現 在貯水位が下限貯水位より低い場合(Ht<Hs)
Qob=Qit−(△V2/△T)
ここで、Qob:目標放流量
Qit:現在流入量
△V2:(下限貯水位−現在 貯水位)に相当する貯水量
△T :△V2を放流するた めに要する時間
(5) 定 率定量放流方式
定 率定量放流方式は、全流入量が洪水調節開始流量以上であり増加中である場合には、全流入量に対して一定比率を乗じた流量を放流し全流入量がピークに達した 後は、ピーク時の全放流量を全流入量と全放流量が等しくなるまで継続して放流する放流方式である。
た だし、全流入量が全放流を下回った後に再度増加し、全放流量を越えたとき(二山洪水の場合等)は、この時点の全放流量と定率放流の算出式による算出放流量 が等しくなるような流入量に全流入量が達するまでは、放流量に不連続を生じさせないようにするため一定量放流とする。(図3−2−10.4C)

図3−2−10.4 定率定量放流方式
@ 全流入量が洪水調節開始流量に達してからピークに達するまでの間(定率放流)
Qob=K×(Qit−Qf)+Qf
A 全流入量がピークに達してから低下後、そのピーク時放流量に等しくなるまでの間(定量放流)
Qob=(全流入量ピーク検出時の@で算出した目標放流量)
B 上記Aの定量放流操作中に全流入量が再度増加し前回の全流入量ピークを越えてから再度ピークに達するまでの間(定率放流)
Qob=(@と同様)
C 全放流量が全流入量を越えている場合に全流入量が再度増加し全放流量と等しくなった時点から全流入量が“Qit=(Qot′−Qf)/K+Qf”に等し くなるまでの間(定量放流)(Qot′:全流入量と全放流量が等しくなった時の全放流量)
Qob=Qot′
Cの状況以降は、@〜Cに準じて目標全放流量を算出するものとする。
D 図3−2−10.4下図AとCの間のDの水位低下時においては、流入量に等しくなった時点の放流量を維持するものとする。
E 全流入量が計画高水流量に達したとき
Qob=Qomax
定 量放流の場合は、6-2-4.一定量放流方式に準じて行うこととする。
Qob :目標全放流量(m3/s)
Qit :全流入量(m3/s)
K :放流比率
Qf :洪水調節開始流量
Qomax:計画最大放流量
演 算周期は可変(5〜10分程度を標準)とし、目標全放流量は演算周期毎に算出するものとする。
目 標開度の算出は、以下のとおりとする。
・ 定 率放流時
目標全放流量と全放流量との流量差 が許容流量差を越えた場合に行う。
許容流量差は、ダム毎に貯水位が洪 水調節許容内にあるときのゲートの最小動作量に相当する放流量を考慮して設定するものとする。
Qob−Qot>Δq
Qot:全放流(m3/s))
Δq :許容流量差(m3/s)
・ 定 量放流時
一定量放流方式に準じて行う。
定 率定量放流方式は、上記@〜Eで示した目標全放流量により放流を行うのが基本である。しかし、貯水位が低いため放流能力が不足しており、本文で示した放流 を行うことが不可能である場合には、表示設定操作卓の操作設定端末にメッセージを表示し、操作員に対して放流方式の確認を求めるものとする。
こ の場合、操作員が定率定量放流方式を継続した場合には、ゲートを全開とし(現在全放流量が洪水調節開始流量以下のときは、下流放流制限に従う)、全放流量 を下回る目標全放流量が算出されるまでゲート全開を保持するものとする。更に、現在全放流量を下回る目標全放流量が算出されたときは、目標値(放流量、開 度)を算出するものとする。
定 率放流から定量放流への切り換え条件である全流入量のピーク検出方法は、水文量演算で算出する全流入量にある程度の振動が生じる可能性があることから、 ピーク検出不感帯を設け、前時刻と現在の全流入量を比較し、同不感帯を越えて減少している場合に前時刻の全流入量をピーク値とする。
ピー ク検出不感帯は、ダム毎に貯水位の振動に対応した流入量の変動幅及び〔ゲートの最小動作量に相当する放流量÷放流比率〕を考慮して 設定するものとする。
ま た、定率定量放流方式は、全流入量が洪水調節開始流量に達した時点から行うこととなるが、放流操作装置センターでの同放流方式の選択は、全流入量が洪水調 節開始流量未満であっても、その差が洪水調節開始流量の1割程度以下(定率定量選択時許容流量差)であれば可能なものとし、操作の移行は、全流入量が洪水 調節開始流量に達した時点で行い、演算処理を開始するものとする。
放 流量の立ち上げが遅れたため、全流入量が洪水調節開始流量に達したときに全流入量と全放流量の流量差が大きい場合は、急激な増加放流とならないよう下流放 流制限量又は流入量の増加量を確認しながら全放流量を増加させるものとし、それらの流量を表示する。また、操作員が放流操作装置モニターより修正目標放流 量をセットできるものとする。
(6) 一 定量放流方式
一 定量放流方式は、全流入量が洪水調節開始流量以上となった場合に全放流量が洪水調節開始流量を上限とする許容範囲内にあるように貯水位の変化に応じてゲー ト開度を調節する洪水調節の放流方式である。
0≦Qf − Qot≦Δq
Qf :洪水調節開始流量(m3/s)
Qot:全放流量(m3/s)
Δq :許容流量差(m3/s)
一 定量放流方式では、現在貯水位と貯水位−開度−放流量対応表より算出する放流量が上記関係式を満たす最小の値となるように目標開度を設定するものとする。 ただし、現在放流量が洪水調節開始流量を上限とする許容範囲内にある場合は、目標開度の更新は行わないものとする。
Gob=(Qob,HaとH〜G〜Q対応表により算出)
Gob:目標開度(m3/s)
Qob:目標全放流量(=Qf)(m3/s)
Ha :現在貯水位(EL.m)

図3−2−10.5 一定量放流方式
一 定量放流方式では、現在開度において洪水調節開始流量を上限とする許容流量差内で放流量が最大となる貯水位をあらかじめ算出しておき、正分毎に現在貯水位 と同算出貯水位を比較して、現在貯水位が算出貯水位以上になった場合に目標開度の更新を行うものとする。従って、貯水位が変化しても現在放流量が洪水調節 開始流量を上限とする許容流量差内にある場合(現在貯水位が算出貯水位に達していない場合)は目標開度の更新は行わない。
ま た更新時の目標開度は、現在貯水位において洪水調節開始流量を上限とする許容流量差内で放流量が最小となる開度とする。

図3−2−10.6 一定量放流方式概念図
H1:開度G1で放流量 が 許容流量差内で最大となる貯水位
H2:開度G2で放流量 が 許容流量差内で最大となる貯水位
G2,G3:目標開度更 新 時の貯水位で放流量が許容流量差内で最小となる開度
許容流量差は、ダム 毎に貯水位が洪水調節容量内にあるときのゲートの最小動作量に相当する放流量を考慮して設定するものとする。
貯水位が低いため放 流能力が不足しており、本文で示した放流を行うことが不可能である場合には、放流操作装置モニターにメッセージを表示し、操作員に対して放流方式の確認を 求めるものとする。
この場合、操作員が 一定量放流方式を継続した場合には、ゲートを全開とし(現在全放流量が洪水調節開始流量以下のときは、下流放流制限に従う)、全放流量が許容流量差内にな るまでゲート全開を保持するものとする。
放流量の立ち上げが 遅れたため、全流入量が洪水調節開始流量に達したときに全流入量と全放流量の流量差が大きい場合は、急激な放流増加とならないよう下流放流制限量又は流入 量の増加量を確認しながら全放流量を増加させるものとし、それらの流量を表示する。また、操作員が放流操作装置モニターより修正目標放流量をセットできる ものとする。
ま た、一定量放流方式は、全流入量が洪水調節開始流量に達した時点から行うこととなるが、放流操作装置モニターでの同放流方式の選択は、全流入量が洪水調節 開始流量未満であっても、その差が洪水調節開始流量の1割程度以下(一定量選択時許容流量差)であれば可能なものとし、操作の移行は、全流入量が洪水調節 開始流量に達した時点で行い、演算処理を開始するものとする。
(7) 定開度放流方式
定 開度放流方式は、開度を一定値に維持する放流方式であり、洪水調節時及び洪水調節後の水位低下時に用いられるものである。
本 放流方式は、放流方式開始時の各放流設備のゲート開度を終了条件を満足して放流方式を終了するまで目標開度として維持するものであり、他の放流方式のよう に継続して演算をするものではなく、目標開度の更新は生じない。
ま た、洪水調節時における定開度放流方式は、全流入量が洪水調節開始流量に達した時点から行うこととなるが、放流操作装置での同放流方式の選択は、全流入量 が洪水調節開始流量未満であっても、その差が洪水調節開始流量の1割程度以下(定開度選択時許容流量差)であれば可能なものとし、操作の移行は、全流入量 が洪水調節開始流量に達した時点で行い、演算処理を開始するものとする。
(8) ただし書き操作放流方式
た だし書き操作放流方式は、貯水位がただし書き操作開始水位に達したときから全流入量が計画最大放流量に等しくなるまでの間に行う放流方式である。
貯 水位がただし書き操作開始水位に達してから全放流量が全流入量と等しくなるまでの間は、ただし書き操作貯水位〜ゲート開度対応表により現在貯水位に応じた 目標開度(非常用洪水吐)を算出するものとし、原則として、常用洪水吐のゲート開度は、ただし書き操作開始時の開度を保つものとする。
Gob=(ただし書き操作貯水位〜ゲート開度対応表により算出)
Gob:目標開度(m)
全 放流量が全流入量と等しくなったときから全流入量が計画最大放流量に等しくなるまでの間は、定水位放流方式(水位偏差方式)を行うものとする。

図3−2−10.7 ただし書き操作放流方式
ただし書き操作貯水 位〜ゲート開度対応表は、別に定める「ただし書き操作要領」に従うが、以下のものを標準形とし、特記仕様書で指示するものとする。
・ただし書き操作開始 水位で計画最大放流量を放流できるゲート開度
・サーチャージ水位で 計画高水流量を放流できるゲート開度
・設計洪水位で設計洪 水流量を放流できるゲート開度
各水位間の貯水位と 開度の関係は、ただし書き操作開始水位〜サーチャージ水位間を2次曲線、サーチャージ水位〜設計洪水位間を直線で補完したものとする。なお、ただし書き操 作開始水位は、洪水調節容量の8割となる水位が目安とされるが、洪水時における操作員の判断により設定されることから、ただし書き操作開始水位を設定でき るものとする。

図3−2−10.8 ただし書き操作における貯水位と開度の関係
上記2次曲線y=a1x2 (Y 軸:ゲート開度、X軸:貯水位)の係数は、以下により算出する。

y1: サーチャージ水位時の開度
x1:サーチャー ジ水位−ただし書き操作開始水位
何らかの理由で放流 が遅れ、貯水位がただし書き操作開始水位に達したときに放流量が所定の放流量(ただし書き操作貯水位〜ゲート開度対応表に定めるただし書き操作開始水位時 のゲート開度に対応する放流量)でない場合を想定して、現在放流量からただし書き操作貯水位〜ゲート開度対応表に定めるゲート開度(放流量)に移行する処 理を行うものとする。
ただし書き操作貯水 位〜ゲート開度対応表は、1p毎に作成することを原則とし、非常用洪水のみで設計洪水流量を放流できないダムでは、常用洪水吐の操作も必要となるため常用 洪水吐を含めた対応表を作成する必要がある。
目標開度は、現在貯水位 とただし書き操作貯水位〜ゲート開度対応表により算出するが、同対応表は、ただし書き操作時に用いるゲートが全て正常(故障等が無く操作可能)な状態での ものであるため、故障等が発生しているゲートがある場合には、当該ゲートの放流量を他のゲートに配分し、目標開度を再度算出するものとする。このときの配 分方法は、特記仕様書で指示する。
た だし書き操作放流方式は、貯水位がただし書き操作開始水位に達した時点から行うこととなるが、放流操作装置モニターでの同放流方式の選択は、貯水位がただ し書き操作開始水位未満であっても、その水位差が任意の水位差以下(ただし書き操作選択時許容水位差;概ね5p)であれば可能なものとし、操作の移行は、 貯水位がただし書き操作開始水位に達した時点で行い、演算処理を開始するものとする。
上 記のただし書き操作貯水位〜ゲート開度対応表により洪水調節を行っている場合において全流入量と全放流量の差分が設定値(流入量放流量許容流量差)以内と なった場合には、定水位放流方式(水位偏差方式)に移行するものとする。同放流方式における演算内容については、「定水位放流方式(水位偏差方式)」に従 うものとするが、演算の開始条件、終了条件のほか、放流ステップ−放流量対応表について、ただし書き操作用に別に用意する必要がある。
た だし書き操作における定水位放流方式に用いる放流ステップ−放流量対応表(自流放流)は以下の手順により作成する。
| ス テップ番号 | ステップ貯水位 | 水位ステップ幅 | ス テップ放流量 |
| S2 | SJH[n](S2) | SJDH[n](S2) | SJQob[n](S2) |
| S2-1 | SJH[n](S2-1) | SJDH[n](S2-1) | SJQob[n](S2-1) |
・ ・ L ・ ・ | ・ ・ SJH[n](L) ・ ・ | ・ ・ SJDH[n](L) ・ ・ | ・ ・ SJQob[n](L) ・ ・ |
| 2 | SJH[n](2) | SJDH[n](2) | SJQob[n](2) |
| 1 | SJH[n](1) | SJDH[n](1) | SJQob[n](1) |
放流ステップ−放流量対応表 (自流放流)は、ダムコンの定数設定機能によりステップ放流量の増減幅流量(△SJQob)が設定され、それをもとに総ステップ数(S2)、水位ステップ 幅(SJDH)及びステップ放流量(SJQob)はシステムで自動作成する。
自流放流方式を行う初期処理と して現在放流量に対応するステップ放流量のステップを現在ステップとして、ステップ水位に現在貯水位を設定する。以降、各水位ステップ幅間隔の貯水位を設 定する。
【設定方法】
@ 当該ダムにおけるただし書き後半時の流入量降下カーブを見いだし、10分間の最急勾配の変動量を各ステップ放流量の増減幅流量(△SJQob)とする。
A ステップ番号1のステップ放流量(SJQob[n](1))に洪水調節開始流量を設定し、@.の増減幅流量(△SJQob)で順次ステップ放流量を設計洪 水流量以上になるまで設定する。ここで総ステップ数(S2)が確定する。
B
水位ステップ幅は原則1cm幅とするが、ただし書き操作時の貯水位における1cmあたりの貯水容量より、貯水位1cm変化に要する時間を求め、ゲート操作
時間と比較して操作に余裕があること、各ステップ放流量間の流量差がゲートの1開度で放流可能な流量であるかを考慮する。
演
算周期は1分間隔とし、目標開度はただし書き操作貯水位〜ゲート開度対応表の貯水位変化毎に算出するものとする。
(9)設定流量放流 方式
設定流量放流方式は 平常時(流水の正常な機能の維持、利水目的のための放流)及び洪水時(予備放流水位への移行、洪水調節後の水位低下のための放流等)に用いられるものであ り、平常時に用いる場合は、全放流量が設定された放流量を中心とする許容流量範囲内に維持されるように、また、洪水時に用いる場合は、全放流量が設定され た放流量を上限とする許容流量範囲内に維持されるように貯水位の変化に応じてゲート開度を操作するものとし、操作員が設定した設定流量を目標全放流量とす る。
目標全放流量に対し て全放流量が以下の条件式を満たすように貯水位の変動に応じてゲート開度を調節するものとする。
@ 平常時に用いる設定流量放流方式
| Qob−Qot | ≦ Δq
A 洪水時に用いる設定流量放流方式
0 ≦ Qob−Qot ≦ Δq
Qob:目標全放流量(=設定流 量)m3/s)
Qot:現在全放流量 m3/s))
Δq:放流量許容流量差 m3/s))
目 標全放流量と現在全放流量との差が上記の合計式を満たさなくなる場合は、以下に示す目標開度演算を行う。
@ 貯水位の減少時
許 容範囲内で最大の放流量となるゲート開度
A 貯水位の増加時
許 容範囲内で最小の放流量となるゲート開度
設定流量放流方式開 始時の現在全放流量と目標全放流量との差(目標全放流量>現在全放流量)が放流許容流量差以上である場合においては、下流放流制限及び流入量の増加割合を 確認して放流量を増加させるものとする。
設定流量は、操作員 が演算開始時に表示設定操作卓の操作設定端末より入力可能なものとする。
出水時及び平時にお いて、それぞれ設定流量に応じた放流設備を選択可能なものとする。
(10)開度設定値 一回限り放流方式
開 度設定値一回限り放流方式は、操作員が操作しようとする放流設備毎に目標開度を操作員が設定し、放流設備を操作する放流方式である。
本 放流方式は、設定した目標開度まで放流設備が動作した時点で終了し(一回限り)、以後はその開度を保持しておくものとする。
(11)各放流方式 の設定値と演算定数
前 記の各放流方式による目標全放流量算出にあたり、必要となるダム水文量データ、ダム諸元データ、操作員による設定値及び演算定数は、以下のとおりとする。
設 定値は、放流方式選択後に操作員が放流操作装置モニターより入力するものとし、各演算定数は、特記仕様書で指示するものとする。
ま た、各演算定数については、放流操作装置モニターより設定変更が可能なものとする。
表3−2−10.1 各放流方式での必要情報、設定値と演算定数
| 放 流方式 | ダ
ム水文量 デー タ | ダ
ム諸元 データ | 設 定 値 | 演 算定数 |
| 定水位放流方式 (水位偏差方 式) | @貯水位 A全流入量 B全放流量 | 洪 水調節開始流量 | @設定水位 | @放流ステップ−放流量対応表 |
| 定
水位放流方式 (不感帯方式) | @貯水位 A全流入量 | − | @設定水位 A 放流時間 | @水位不感帯幅 |
| 定 率定量放流方式 | @全流入量 A全放流量 | 洪水調
節開始流量 計画最大放流量 | − | @ 許容流量差 A 流入量ピーク検出不感帯 B 放流比率 C 定率定量選択時許容流量差 |
| 一 定量放流方式 | @ 全流入量 A 全放流量 | 洪水調節開始流量 | − | @許容流量差 A 一定量選択 時許容流量差 |
| 定開度放流方式 | − | − | − | @定開度選択時許容流量 差 |
| ただし書き操作 放流方式 | @ 貯水位 | ただし書き操作開始水位 計画最大放流量 | @ ただし書き操作開始水位 | @ ただし書き操作貯水位〜ゲート開度対応表 A ただし書き操作選択時許容水位差 B 流入量放流量許容流量差 |
| 設 定流量放流方式 | @全放流量 | 洪水調節開始流量 | @ 設 定流量 | @許容流量差 |
| 開
度設定値一回 限り放流方式 | − | − | @ 目 標開度 | − |
注)開度設定値一回限り放流方式は、演算が一回限りの操作であり、他の放流方式のように継続して演算を実行する放流方式ではない。
通常、ただし書き操 作は、貯水位がただし書き操作開始水位に達する以前に地方整備局長又は土木部長の承認を受けることから、実際に貯水位がただし書き操作開始水位に達するま でにある程度の時間があるのが通例である。前述のただし書き操作選択時許容水位差とは、この時間を利用して予約(選択)だけをしておくための許容水位差で あり、この水位差が0になった時点でただし書き操作放流方式にスムーズに移行できるようにするためのものである。また、ただし書き操作開始水位は、一般的 には8割水位が選択されるが可変とする。
定率定量放流方式、 一定量放流方式、定開度放流方式における選択時許容流量差は、全流入量が洪水調節開始流量に達するまでに予約(選択)だけをしておき、この流量差が0に なった時点で選択した放流方式にスムーズに移行できるようにするためのものである。
(12) 各放流方式の演算開始、終了条件
前
記の各放流方式の演算開始、終了条件は、以下のとおりとする。
各
放流方式で条件が複数ある時は、開始条件では全ての条件が成立して操作員が当該放流方式を選択した場合に演算開始とし、終了条件ではいずれか一つの条件が
成立した場合に演算終了とする。
表3−2−10.2 各放流方式の演算開始・終了条件
| 放 流方式 | 開 始 条 件 | 終 了 条 件 |
| 定水位放流方式 (水位偏差方 式) | @ Qob-1<Qot<Qob+1 A Ho≦Ha≦Hs B Qit<Qf | @ Ha>Hs A Ha<Ho B Qit≧Qf C Qob−Qot>下流放流制限 D 操作員が演算終了操作又は変更操作を行ったとき |
| 定
水位放流方式 (不感帯方式) | − | @ 操作員が演算終了操作又は変更操作を行ったとき |
| 定率定 量放流方式 | @ Qit≧Qf | @ 操作員が演算終了操作又は変更操作を行ったとき |
| 一定量放流方式 | @ Qit≧Qf | @ 操作員が演算流量操作又は変更操作を行ったとき |
| 定 開度放流方式 | − | @ 操作員が演算終了操作又は変更操作を行ったとき |
| ただし書き操作放 流方式 | @ Ha≧Ht A 貯水位が上昇中 | @ Qit≦Qomax |
| 設 定流量放流方式 | − | @ 操作員が演算終了操作又は変更操作を行ったとき |
| 開度設定値一回限 り放流方 式 | − | − |
注) 開度設定値一回限り放流方式は、一回限りの操作であり、他の放流方式のように継続して演算を実行する放流方式ではない。
Qit:全流入量 Qot:全放 流量 Qf:洪水調節開始流量
Qob-1:現在貯水位−水位ス テップ幅に対応するステップ放流量
Qob+1:現在貯水位+水位ス テップ幅に対応するステップ放流量
Hs:設定水位 Ho開始水位 Qomax:計画最大放流量
Ht: ただし書き操作開始水位(可変) Ha:現在貯水位
ただし書き操作放流 方式については、貯水位がただし書き操作開始水位に達していなくてもただし書き操作選択時許容水位差の範囲内であれば、操作員による選択を可能としている が、これは、次に行う放流方式の選択(予約)であり、演算開始は、貯水位が上昇中でただし書き操作開始水位以上になったときからとし、それまでの間はそれ までの放流方式を継続する。
定率定量放流方式、 一定量放流方式、定開度放流方式の選択についても同様である。
なお、ただし書き操 作放流方式は、洪水時における水位の上昇を予測して入るもので、所轄局長の承認が必要な放流方式であり、ただし書き操作開始水位は可変とする。
ただし書き操作開始 時において、ただし書き操作貯水位―ゲート開度対応表の所要の開度と現在開度に差がある場合は、設定流量放流方式が必要な場合がある。
設定流量放流方式に ついては、平常時のみでなく洪水時にも幅広く用いられると考えられるため、演算開始条件は設けず、操作員の判断により演算開始可能とした。
終了条件を満たした ときは、現状のゲート開度を保ち終了するものとし、次に選択可能な(開始条件を満たしている)放流方式を操作員に提示するものとする。
定率定量放流方式及 び一定量放流方式は洪水調節の方式であるが、2山あるいは3山洪水の場合を考慮して、終了条件にQit≦Qotの条件を含まないものとする。
(13)各放流方式 から算出された目標全放流量の各放流設備への配分計算の基本的な考え方は、以下に示す流れとする。
@ 操作対象外放流設備による水量の差し引き
放 流方式毎に算出した目標全放流量から以下に示すダム管理者の責任において操作するダム下流への放流設備以外の設備による水量の差し引きを行う。
・ 他 機関発電使用水量(他機関発電専用施設により取水使用される水量)
・ 直 接取水量(利水専用施設により取水される量で、他機関発電使用水量以外のもの)
・ 分 水量(貯水池より流域外へ導水される水量)
これらについては、放流方式により差 し引く対象とする水量が異なるため、各放流方式毎に以下に示す水量を差し引くものとする。
設 備の障害発生等によりダムコンで他機関発電使用水量、直接取水量、分水量の把握が不可能な場合には各水量を手入力するものとし、それまでの間は「0」又は 任意に設定した水量(可変)として取り扱い、操作員に通知を行う。
・ 定 水位放流方式
目 標放流量=目標全放流量−他機関発電使用水量−直接取水量−分水量
・ 定率定量放流方式
目標放流量=目標全放流量−他機関発 電使用水量−直接取水量−分水量
・ 一定量放流方式
目標放流量=目標全放流量−他機関発 電使用水量−直接取水量−分水量
・ 定 開度放流方式
目 標開度=(目標全放流量−他機関発電使用水量−直接取水量−分水量)に対応する開度
・ た だし書き操作放流方式
目標開度=(ただし書き操作貯水位− ゲート開度対応表による)
ただし、除外ゲートがある場合は、対 応表に対応した放流量を計算し、目標放流量とする。
・ 設 定流量放流方式
目標放流量=目標全放流量−他機関発 電使用水量
・ 開 度設定値一回限り放流方式
目標開度=設定した開度
A 特例処理
目 標全放流量を各放流設備へ配分する場合には、以下に示す各事項を特例処理とし、放流量の配分から除外するものとする。
(a) 放流設備の障害発生時
(b) 放流設備のメンテナンス時
(a) に ついてはダムコンによる自動除外とし、(b)については放流操作装置モニターから操作員が設定した場合に除外するものとする。(b)については、除外設定 のスケジュール機能をオプションで選択できるものとする。
た だし、(a)は放流設備の操作は不可能であるが、ゲートが半開又は全開の状態で放流量の把握が可能な場合には、当該設備の放流量を目標放流から差し引き、 残りを正常な放流設備に配分するものとする。
ま た、開度データ欠測により除外が行われた場合、当該ゲートを一時停止させ、欠測直前の開度を保持し、放流量演算及び他のゲートでの操作を続行するものとす る。
B 放流設備種別毎目標放流量の算出
@〜A までの各項目に基づき放流設備種別毎目標放流量の算出を行う。
C 放流設備1門毎目標放流量の算出
B の結果に基づき放流設備1門毎目標放流量の算出を行う。
D 放流設備1門毎目標操作量(目標開度)の算出
C の結果に基づき放流設備1門毎目標操作量(目標開度)の算出を行う。算出にあたっては貯水位〜開度〜放流量対応表を用いて行うものとし、目標放流量以下で 最大の放流量となる開度を目標開度とする。
(14)目標全放流 量の各放流設備への配分は、各ダムで定められた操作規則・細則に従って行うものとする。
基本的な考え方とし ては、以下に示す各項目を考慮して配分を行うものとする。
@ 放流 方式に応じた使用放流設備への配分
A 複数放流設備種別への配分
目標全放 流量の配分が複数の放流設備種別にまたがる場合には、放流能力の小さい放流設備種別から放流量を配分するものとする。
B 同一放流設備種別内での配分
同一放流設備種別内に 複数の放流設備がある場合には、放流設備種別毎に配分された目標放流量を、以下に示す条件に従って配分するものとする。
・ゲートの操作順序
・隣接ゲートの開度 差
・ゲート起動時間差
・最小開度制限
上記の各条件は、特記仕様書 で指示するものとする。
i. 全門等開度とする配分
同 一種別内の1門当たりの放流量を同一とし、全門等開度とする配分方法。
(例)

ii. 全門等開度の補正配分
目標放流量を全門等開度 に配分した時に配分できなかった微小放流量を特定のゲートに上乗せし、目標放流量の補正を行う方法。どのゲートに上乗せするかは、あらかじめ優先順位を決 めておく必要がある。
(例)

iii.段階毎に一門ず つ配分する方法
ゲート開度に1段又は 数段の指定開度を設け、優先ゲートから順番に指定開度までの範囲で配分する。全門が指定開度に達した時には、次の上段の指定開度まで同様に配分する方法。
(例)ゲートの優先 順位を2号→1号→3号と仮定する。
(ケー ス1)指定開度1で1門による放流を行う場合

(ケース2)指定開度1で2門による放流を行う場合

(ケース3)指定開度1で3門による放流を行う場合

(ケー ス4)指定開度2で3門による放流を行う場合

実 際の配分の方法は、各ダム毎の操作規則・細則に従って行うものとする。
C 設備種別間の切替え方 法
放
流設備種別間の切替え方法は、完全切替え型と追加放流型の2種類がある。
個
々のダムの利水放流設備の構造条件を確認して選択する必要がある。

図3−2−10.9 放流設備の切り替え方式
完全切り換え型:切 り換え時に放流能力の小さい放流設備の放流量を減少させていき、同時に放流能力の大きい放流設備の放流量を増加させていくことによって、使用放流設備を切 り換えて放流を行う。利水放流設備のスクリーンが洪水時対応に設計されていない場合、この型を採ることが安全である。
追 加 放 流 型 :切り換え時に放流能力の小さい放流設備で放流しながら(現在開度を保持)、放流能力の大きい放流設備で追加して放流を行う。
(15) 目標開度(目標動作量)は、放流設備1門毎に配分された目標放流量について、現在の貯水位で放流可能な開度を各放流設備毎に設定された「貯水位〜開度〜放 流量対応表」又は「放流量算出式」の逆算により算出するものである。
(16) 目標開度の設定は、本処理で算出した目標開度を機側に対して送信・設定するものであり、目標開度の設定を行った場合には、機側へ目標開度が正常に設定され たかを確認するものとする。
目標開度の設定確認 において、データの妥当性判定異常又は数値比較による開度不一致が発生した場合は、発生ゲートについて操作員に通報を行い、当該放流設備を除外ゲート扱い とするが、他の放流設備への目標開度の設定は続行するものとする。
放 流設備の操作処理は、放流設備からの状態信号及び機側盤への操作信号の伝送系統を常に監視し、各ダムの操作規則・細則で定められた放流設備の操作方法に 従って、確実かつ安全に放流設備の操作を行うものである。 操 作処理における監視項目を以下に示す。 @ 放流設備状態の 監視 A 信号系統の確認 B 放流設備動作状 態の監視 本 処理における自動操作、半自動操作、一回限り操作は放流操作装置、入出力装置、機側盤PLC、遠方手動操作は遠方手動操作装置、機側盤PLC、機側操作は 機側盤PLCで行うものとする。 |

表−4.10 放流設備と放流設備操作方式
自 動操作・半自動操作・開度設定値一回限り操作における放流設備の操作体系を下図に示す。 複 数ゲートを操作する場合には、ゲートの操作順序及び起動時間差に従って、入出力装置から各放流設備に起動指令を送信するものとする。 ま た、ゲート・バルブ開度が目標開度に達したときには、機側盤より目標開度到達信号を送信し、放流操作装置で目標開度到達を確認するものとする。 動 作制限タイマーは、入出力装置にソフトタイマーを、機側盤にハードタイマー及びソフトタイマーを持つものとする。 |

図−4.7 放流設備の 操作体系(自動操作・半自動操作・開度設定値一回限り操作

図−4.8 放流設備 の操作体系(手動操作)

図−4.9 操作方式 の優先順位
(解説)
(1) 放流設備の操作方式には、機側手動操作、遠方手動操作、一回限り操作(開度設定値)、半自動操作、自動操作があり、その内容は以下のとおりである。
機側操作については、本仕 様書の他、ダム・堰施設技術基準(案)によるものとする。
@ 機側手順操作
操作員が機側盤の開・閉・ 停ボタンを操作して行う放流設備の開閉操作をいう。
A 遠方手動操作
操作員が操作室の遠方手動 操作装置のモニター上に表示される開・閉・停ボタンを操作して行う放流設備の開閉操作をいう。
B 一回限り操作(開度設定値操作)
操作員が放流操作装置から 各放流設備の目標開度を設定し、モニター上に表示される起動ボタンを操作することにより行う放流設備の開閉操作をいう。
この操作は、目標開度まで ゲートが動作した後は、その開度を保持する操作である。
C 半自動操作
操作員が放流操作装置から 選択した放流方式に基づいて放流操作装置で操作目標値の算出を行い、その結果を操作員が確認した後にモニター上に表示される起動ボタンを操作することによ り行う放流設備の開閉操作をいう。
D 自動操作
操作員が放流操作装置から 選択した放流方式に基づいて放流操作装置で操作目標値の算出を行い、その結果を操作員が確認することなく自動的に行う放流設備の開閉操作をいう。ただし、 初回の放流設備の操作については、半自動操作と同様に操作員による演算結果の確認及び起動ボタンの操作が必要となる。
(2) 放流設備の操作方式は、ダムコンでの操作目標値保有の有無、操作目標値の設定方法、放流設備の操作開始時の起動方法により分類される。
@ 操作目標値の有無
放流設備の操作を行うにあ たってダムコンが目標値を保有しているか否かによる区分であり、目標値を保有していない手動操作と目標値を保有し目標値に基づいて行う設定操作がある。
A 操作目標値の設定方法
上記の@の設定操作におけ る目標値の設定方法による区分であり、操作員が手動で設定する手動設定と放流操作装置で算出した目標値を自動的に設定する自動設定がある。
B 起動方法
放流設備の操作開始 時の起動方法による区分であり、操作員による手動起動とダムコンによる自動起動がある。
以下に放流設備操作方式の 分類を示す。

図3−2−11.1 操作方式の分類
(3) 放流設備と放流設備操作方式の関連は、表−4.10を基本とする。
@ 非常用洪水吐設備及び常用洪水吐設備は、洪水調節に使用する放流設備であり、放流能力が大きいことから、操作演算処理で算出された操作目標値について操作 員が確認して操作を行う半自動操作までとする。
ただし、非常用洪水吐の半 自動操作は、通達「計画規模を超える洪水時におけるただし書き操作の運用の改訂について」(昭和59年6月29日建設省河開発第62号)に基づく「ただし 書き操作要領」が定められている場合のみ可能とする。
なお、常用洪水吐設備が、 貯水池維持用放流設備、貯水位低下用放流設備の機能を兼ねている。
A 貯水池維持用放流設備は、貯水池の水位維持、洪水時における放流の連続性の確保ならびに貯水池の水質保全用として設置するものである。従って、放流操作の 機能として使用頻度が高く使用目的によっては自動操作も要求されることから自動操作まで選択できるものとする。
ただし、自動操作は、ゲー ト1回あたり動作量に相当する放流能力が下流の放流制限量(30〜50cm/30分)以下に相当する量の場合に可能とする。
B 利水放流設備は、放流能力も小さく、日々の利水補給及び流水の正常な機能の維持のための放流に用いられるものであるので自動操作を可能とする。
C 貯水位低下用放流設備は緊急放流設備でありその使用頻度も低いことから一回限り操作までとする。
D 利水放流設備、貯水池維持用放流設備、貯水位低下用放流設備は、洪水時の操作が必要な場合は遠方手動操作をバックアップ機能として選択できるものとしてい る。
E 選択取水設備は、一定の取水深を維持するような操作を行うため貯水位に追従する制御機能を必要とする。本操作は、機側での自動制御(取水深維持)を基本と する。
F 副ゲート及び予備ゲートは、放流設備の点検・整備時や主ゲートが放流中に操作不能になった場合に流水遮断を行うためのものであり、使用頻度ならびに使用時 における動作確認の必要性などから機側操作とする。
(4) 機側手動操作
機側手動操作は機側 盤から行うもので、次の操作及び動作の確認ができるものとする。
@ 各放流設備についてゲート・バルブ毎の単独操作
A ゲート・バルブの開・閉・停の各操作、機側手動操作と遠方操作の切替え
B 上記各操作の状態表示、動作量表示、機側盤電源の異常状態表示と警報
(5) 遠方手動操作
遠方手動操作はダム 管理所から行うもので、次の操作及び動作の確認ができるものとする。
@ 各放流設備についてゲート毎の単独操作
A ゲートの開・閉・停の各操作、遠方手動操作と設定操作(開度設定値一回限り操作・半自動操作・自動操作)の切替え
B 上記各操作の状態表示、動作量表示、機側盤の運転保護機能による異常状態表示
遠方手動操作は、遠方手動 操作装置からの開閉信号が各ゲート機側盤に伝達され、ゲート開度、状態SV信号が遠方手動操作装置に表示されるものとする。
なお、ゲートの異常な過動 作に対する「非常停止」ボタンを設けるものとする。「非常停止」回路は、ゲートの動力電源を強制的に遮断するもので機側盤と直結したメタルケーブルによる ものとし操作の独立性を確保する。
また、ゲート動作中信号も メタルケーブルにより機側から遠方に送信するものとする。
(6) 開度設定値一回限り操作
開度設定値一回限り 操作の基本条件を以下に示す。
@ 開度設定値一回限り操作は操作員がゲート・バルブ毎に目標開度を設定するものとする。
A 操作は、放流操作装置モニター上の「起動」ボタンの操作を行うことにより開始され、目標開度に達して停止するものとする。
B 次の場合、開度設定値一回限り操作を終了するものとする。
ア. 各放流設備が目標開度に達して停止したとき。
イ. 操作員による停止操作が行われたとき。ゲート・バルブが動作中に停止操作(「停止」又は「操作終了」ボタンの押下)が行われた場合は、ただちにゲート・バ ルブを停止させるものとする。
C 入出力装置から機側盤への起動指令は放流設備1門毎に与え、その動作量を監視するものとする。
D 目標開度の設定は複数の放流設備について可能とし、複数の放流設備を操作する場合は、ダム毎に定められる放流設備の操作順序と起動時間差を遵守するものと する。
E 開度設定値一回限り操作の対象放流設備に故障が発生した場合は、当該放流設備を操作の対象から自動的に除外し、操作を継続するものとする。
設定された目標開度による 放流量が当該ダムで定められた下流放流制限又は流入量の増加割合を超える場合(ex.放流の原則により、放流増加可能量が10m3/sのとき、 10m3/s を上回る放流増加が計算されたとき。)は、操作員に対し可視可聴の警告メッセージを出力し確認を求め、確認後に起動可能とする。また、1回の放流設備の動 作量制限を超えることとなる目標開度が設定された場合は、操作員が確認した後に起動可能とする。
(7) 半自動操作
半自動操作の基本条 件を以下に示す。
@ 「操作演算処理」により目標値が算出されていること。
A 操作は、放流操作装置で半自動操作が選択され、操作員の起動操作(モニター上の「起動」ボタンの操作)により、目標値に達して停止す るものとする。
B 「操作演算処理」により目標値が更新された場合は、操作員に可視可聴の通報を発し、操作員の確認及び起動操作(モニター上の「起動」 ボタンの操 作)を待つ ものとする。
C 次の場合、半自動操作を終了するものとする。
ア. 「操作演算処理」において選択された放流方式による演算が終了条件となったとき。
イ. 操作員による停止操作(モニター上の「停止」ボタンの操作)が行われたとき。なお、ゲート・バルブが動作中に停止操作が行われた場合は、ただちにゲート・ バルブを停止させるものとする。
ウ. 半自動操作より優先順位の高い操作方式(機側手動操作、遠方手動操作、一回限操作)が選択されたとき。
D 複数の放流設備を操作する場合は、ダム毎に定められる放流設備の操作順序と起動時間差を遵守するものとする。
E 入出力装置から機側盤への起動指令は放流設備1門毎に与え、その動作量を監視するものとする。
F 半自動操作の対象放流設備に故障が発生した場合は、当該放流設備をその対象から自動的に除外し、操作を継続するものとする。
G 貯水位計、開度計、入出力装置、機側盤、放流設備等の異常により、半自動操作の継続が不可能な場合は、当該放流設備(水位計、入出力 装置故障時 はすべて) を現状維持として操作を停止し除外ゲート扱いするとともに、操作員に可視可聴の警報を発するものとする。ただし、貯水位計が正副2台設置されている場合 は、いずれかの貯水位計が正常であれば操作員の確認後に半自動操作を継続する。水位計、入出力装置故障時には遠方手動又は機側手動でゲート・バルブを操作 することとする。
(8) 自動操作
自動操作の基本条件 を以下に示す。
@ 「操作演算処理」により目標値が算出されていること。
A 操作は、放流操作装置で自動操作が選択され、操作員の起動操作(モニター上の「起動」ボタンの操作)により、目標値に達して停止する ものとす る。
B 「操作演算処理」により目標値が更新された場合は、操作員に可視可聴の通報を発し、自動的に更新された目標値までバルブを動作させて 停止するも のとする。
C 次の場合、自動操作を終了するものとする。
ア. 「操作演算処理」において選択された放流方式による演算が終了条件となったとき。
イ. 操作員による停止操作(モニター上の「停止」ボタンの操作)が行われたとき。なお、バルブが動作中に停止操作が行われた場合は、ただちにバルブを停止させ るものとする。
ウ. 自動操作より優先順位の高い操作方式(機側手動操作、遠方手動操作)が選択されたとき。
D 複数の放流設備を操作する場合は、ダム毎に定められる放流設備の操作順序と起動時間差を遵守するものとする。
E 入出力装置から機側盤への起動指令は放流設備1門毎に与え、その動作量を監視するものとする。
F 自動操作の対象放流設備に故障が発生した場合は、当該放流設備をその対象から自動的に除外し、操作員の確認後に操作を継続するものとする。
G 水位計、開度計、入出力処理、機側盤、放流設備の異常により、自動操作の継続が不可能な場合は、当該放流設備(水位計、入出力装置故 障時はすべて)を現状 維持として操作を停止し、除外ゲート扱いするとともに、操作員に可視可聴の警報を発するものとする。水位計、入出力装置故障時には遠方手動又は機側手動で バルブを操作することとする。
(9) 操作の優先順位
操作方式の優先順位 は、図−4.9に示したとおりであり、下位の操作方式から上位の操作方式に移行する場合は、無条件に移行できるものとする。また、各操作処理は、操作の独 立性と信頼性を確保するため操作機能と設備構成を明確に区分するものとする。
(10) 遠方手動操作装置による操作処理
遠 方手動操作は、遠方手動操作装置の「開」「閉」「停」及び「非常停止」操作によりゲートを操作するものであり、遠方手動操作装置、機側盤以外の処理装置等 を介さないものとし、次の機能を有するものとする。
@ ゲートの開閉設定操作
A ゲートの停止操作
B ゲートの非常停止
C ゲートの状態監視
(11) 放流操作装置による操作処理
開 度設定値一回限り操作、半自動操作、自動操作は、放流操作装置から行うものとし、次の処理機能を有するものとする。
@ ゲート・バルブの開閉設定操作
A ゲート・バルブの停止操作
B ゲート・バルブの状態監視
(12) 入出力処理装置によるゲート・バルブの開閉操作処理は、以下の手順により行うものとする。
@ 目標値の設定
目 標値の設定は、操作員による手動目標値設定と放流操作装置による自動目標値設定を可能とする。
ア. 手動目標値設定
手 動による目標値の設定は、操作員が放流操作装置モニターよりゲート・バルブ毎の目標開度を入力設定する。
イ. 自動目標値設定
自 動目標値設定は、「操作演算処理」で算出されたゲート・バルブ毎の目標値(目標開度、目標放流量)を自動的に設定する。
「操 作演算処理」に示すように、機側盤は入出力装置より目標開度を受信するとデータの妥当性を判定して入出力装置経由で放流操作装置に受信開度を返送し、放流 操作装置で数値比較を行うものとする。
A 起動操作
起 動操作は、操作員による手動起動操作と操作員を介さない自動起動操作を可能とする。
ア. 手動起動操作
手 動起動操作は、開度設定値一回限り操作及び半自動操作時に行うものとする。
操 作中に除外ゲートが発生し、残りの稼働可能なゲートでは放流量が目標値に達しない場合は、可視可聴の警報を発する。この場合においても起動ボタンの押下に より残りの稼動可能なゲート操作ができるものとする。
イ. 自動起動操作
自 動起動操作は、自動操作時において「操作演算処理」による放流設備毎の目標開度が算出されると自動的に起動操作を行うものとする。ただし、自動操作選択 後、初回の起動操作は操作員の「起動」ボタンの操作によるものとする。
B 操作処理
操作処理は次の各項目によるものとす る。
ア. 起動処理
起 動処理は、ゲート・バルブ毎に行うものとし、複数のゲート・バルブに起動をかける場合は、予め定められた順序で、定められた起動時間差を設けて行うものと する。
イ. ゲート・バルブの動作量制限
設 定された目標開度と現在開度との差が各放流設備毎に設定されている1回あたりのゲート・バルブ動作量より大きい場合は、次に示す動作量の制限を行うものと する。
i. 手動目標値設定時
操 作員に対して可視可聴の通報を行い設定値の確認を求めるものとする。また、同上の開度で起動操作を行った場合には、動作制限量まで操作を行った後に停止 し、再び通報を行い確認を求め、更に起動操作が行われた場合には操作を継続するものとする。
ii. 自動目標値設定時
動 作制限量に達する毎に一旦停止し、予め設定された時間休止した後に自動的に再起動するものとする。休止時間は可変とし、特記仕様書で指示する。
ウ. 操作処理の終了
ゲー ト・バルブ操作処理の終了は、ゲート・バルブの開度が設定された目標開度に達したときに自動的に終了し、終了したことを操作員に通知する。なお、圧着など の後行程が必要なゲートについては、動作終了時に操作員に確認を求めるものとする。
エ. ゲート操作の非常停止
操 作方式にかかわらず、遠方手動操作装置の操作表示器に設ける「非常停止」ボタンの操作により、放流設備の動力電源を強制的に遮断しゲートの非常停止を可能 とする。
ゲー
ト・バルブの状態監視処理は以下のとおりとする。
@ ゲート・バルブの状態監視
ア. ゲート・バルブの操作にあたり、機側盤で次の監視、判定処理を行うものとする。
イ. 次に示すゲート動作状況に関する情報を監視、異常状態の判定を行う。
i. 起動操作指令を出力してから開中/閉中信号を入力するまでの所要 時間
ii. 起動操作指令を出力してから開度が変化するまでの所要時間
iii 停止操作指令を出力してから開中/閉中信号の入力が停止するまでの所要時間
iv. 停止操作指令を出力してから開度の変化が停止するまでの所要時間
v. 放流設備の動作時間
vi. 目標開度に対応した算出動作時間
vii 操作中の放流設備の動作監視
viii. 操 作を行っていないときの放流設備の動作監視
A ゲート設備異常検出時
上 記の状態監視により、ゲートの異常を検出した時は、ゲート操作を一旦中止し、当該ゲートの除外処理を行い、操作員に対し可視可聴の警報を発するものとす る。
B ゲート動作異常検出時
次 に示すゲート動作異常を監視、判定等で検出した時は、ゲート操作を一旦中止し、操作員に可視可聴の警報を発するとともに当該ゲートの除外処理を行うものと する。
ア. 起動操作後に所定の時間(算出動作時間)が経過してもゲート開度が目標開度に達しないとき。
イ. 起動操作後に所定の時間が経過してもゲートの開中/閉中信号が入力されないとき。
ウ. 起動操作後に所定の時間が経過してもゲートの開度が変化しないとき。
エ. 目標開度と操作終了後のゲート開度との差が最小動作量以内で停止できないとき。
オ. 操作終了後に所定の時間が経過してもゲートの動作を示す信号が入力されているとき。
カ. 起動操作を行っていないゲートの動作を示す信号が入力されたとき。
な お、これら異常検出に必要な判定時間は可変とし、ゲート機側盤との総合調整にて設定するものとする。
C 動作制限タイマー作動時
ゲー ト1門毎に設置された動作制限タイマーの作動により、ゲートを強制的に停止させた場合は、操作員に対し可視可聴の警報を発し、操作対象放流設備から除外処 理を行うものとする。
D 複数ゲートの操作時
複 数のゲートに対して目標値が設定され操作が行われている途中において、その中の1門に上記AからCの異常が発生した場合には、当該ゲートの操作は中止し、 当該操作の除外ゲートとする。他のゲートは継続して操作を行うものとする。
E 異常ゲートの復帰処理
上記AからCにより、操作 対象から除外されたゲートについては、操作員が異常の原因を除去したのち、操作員の復帰操作により復帰(除外の解除等)できるものとする。
(12) 放流操作装置における操作設定処理
放流操作装置におけ る操作設定処理は、次の処理機能を有するものとする。
ア. 放流方式の選択
イ. 設定値の入力
ウ. 放流設備種別の選択
エ. 操作方式の選択
オ. 操作開始・起動の操作
カ. 操作終了・停止の操作
キ. 操作要求の表示
こ こで、選択取水設備は、機側手動操作、機側自動操作が原則であるが、機側自動操作時の取水深の設定及び起動開始の指示操作は、放流操作装置より行えるもの とする。
操 作処理において、操作員の操作、設定確認が必要となった場合には、画面メッセージ出力により行うべき操作、設定内容のガイダンスを行うものとする。
入 力操作は以下の手順により行うものとする。
@ 放流方式の選択
放流方式は、放流操作装置 モニター上に表示された放流方式の中から選択する。この時に推奨する放流方式は明色で表示するとともに網掛け、記号等で明示する。推奨する放流方式以外の 放流方式を選択することも可能であるが、警告メッセージや確認操作を必要とするものとする。
A 設定値の入力
上記@で選択した放流方式に応じて、そ れぞれ以下の設定値を入力する。
ア. 定水位放流方式における設定水位
イ. 設定流量放流方式における設定流量
ウ. 開度設定値一回限り操作方式における放流設備毎の目標開度
エ. 選択取水設備の取水深(「選択取水深設定」選択時)
B 操作対象放流設備の選択
操作を行う放流設備は自動 的に選択され、除外ゲートが手動又は自動で設定されている場合は、他のゲートに自動的に配分されるものとする。操作を行う放流設備で目標放流量が放流でき ない場合は、その旨をガイド表示するものとする。
C 操作方式の選択
放流操作装置モニターから 次に示す操作方式を選択する。
ア.自動操作方式
イ.半自動操作方式
ただし、常用洪水吐 又は非常用洪水吐に目標開度がセットされている場合には自動操作は選択できないものとする。なお、開度設定値一回限り操作方式は、放流方式選択時に選択す る。
D 操作開始・起動の操作
放 流操作装置モニター上のゲート操作開始「起動」ボタンを操作することによりゲートが起動されるものとする。
また、上記Aで(選択取水 取水深設定)を選択した場合には、選択取水操作開始「起動」ボタンを押下することにより、設定取水深に基づく操作が開始されるものとする。
E 操作終了・停止の操作
ゲート操作は、当該ゲート が設定された目標値に達した時点で自動的にゲート操作を終了し、また、ゲート動作中に「停止」ボタンを操作した場合には、動作中ゲートの操作は直ちに停止 し、操作を終了するものとする。
F 操作要求の表示
目 標値が更新されたときに算出された目標値を放流操作装置モニターに表示する。
ア. 自動操作を選択している場合は、「開度更新案内画面」が表示される。
イ. 半自動操作の場合には「開度更新要求画面」が表示され、操作員が目標値を確認の上ゲート操作開始を指示する「起動」ボタンを操作する。
放流操作 装置からの操作設定画面フローを図3−2−11.1に示す。
操作設定 画面は巻末に添付する。
訓練 処理は、洪水時の業務を対象として、放流開始時における放流計画立案や放流方式移行時期の判断等を操作員が習得するためのものである。 本処 理は、与えられた流入量に対して操作員が今後放流する各時刻の目標放流量を入力、又は今後行う放流方式を選択して、この目標放流量や放流方式でダム操作を 行った場合に、貯水池の挙動や流入量と放流量のすりつけ状況等がどのように変化するかをシミュレーションするものである。 ま た、本処理は、訓練装置に放流操作装置と同一の操作画面監視画面を訓練画面として表示し、放流操作装置からの実操作と同じ操作が訓練装置で行えるものとす る |

図−4.10 訓練処理の体系
(解説)
(1) 訓練処理を用いて訓練を行う対象者は、ダム管理所に勤務する職員とし、土木に関する学科卒業後新規採用でも扱えるよう、訓練処理及び操作手順について適 時、適切にガイドするものとする。
(2) 訓練処理は洪水時の業務を対象として、操作員の放流計画立案等の判断能力の育成・習得を目的とするものである。これにより、操作員の技術や経験によるダム 管理のバラツキがないよう管理の均一化を図るものである。
(3) 高水管理業務の中で最も判断が困難なものとして、放流開始時における放流計画立案(放流開始時期、今後の放流量の判断)や予備放流、放流方式の移行時期の 判断である。放流開始時期の判断の遅れは、流入量が洪水調節開始流量に達しても放流量と流入量がすり付かず、操作規則に従った洪水調節ができない遅れ操作 につながる危険性を含んでいる。
このような観点から訓練処理で は、放流計画の立案や放流方式の選択を適切に行えることを重点的に訓練するものであり、実際の操作設備(放流操作装置)による自動・半自動・一回限り操作 の画面を訓練装置に表示し、訓練が行えるものとする。遠方手動操作装置)の操作は訓練に含めないものとし、訓練装置単独で実施可能とする。
(4)訓練処理 は、次の流れにより行われるものとする。
@予め登録された訓練用 データ(雨量、流入量)を読み込む。また、訓練条件の設定を行う。
Aここで訓練条件として 降雨強度変換が設定された場合には、流出計算により訓練用流入量データを算出する。
B訓練用流入量データ及 び訓練初期条件にもとづき、模擬貯水位及びダム水文量が計算され、訓練装置の画面に訓練データの状況が表示される。
C操作員は、表示された 訓練用データを確認した後、今後行うべき放流方式又は目標放流量を訓練装置から設定する。
今後行う放流方式が選択さ れた場合には、目標値(目標放流量、目標開度)が算出される。
D続いて、訓練用流入量 データ及び全放流量から模擬貯水位データが算出され、ダム水文量・流域水文量演算が行われる。
E以降、上記B〜Dの流 れにより、1洪水の訓練処理が行われる。
(5)訓練処理は 以下の機能を具備するものとする。
@ 訓練データ登録機能
訓 練で用いる以下のデータをあらかじめ訓練装置に登録するものである。
(a) 雨量データ
(b) ダム流入量データ
(c) ダム貯水位データ
これらのデータは、対応し たデータを時系列的に最大16時間程度入力することとし、様々な洪水状況での訓練を可能とするため、複数パターンの登録を可能(最大30件程度)とする。
また、放流操作装置又は ファイル装置からオンラインで蓄積されているダム水文量データを訓練データとして取り込み、登録できるものとする。
ダム貯水位を入力した場合 は、貯水位データから流入量を算出し、訓練データとして登録できるものとする。
雨量データは後述する降雨 強度変換により任意に雨量強度を変更することができるものとする。
A 訓練開始時の条件設定機能
訓練開始時に以下に示す条 件の設定を行うものである。
(a) 洪水データ(訓練用の雨量、流入量データ)指定
あ らかじめ登録されている複数の訓練用データのうち、訓練で使用するデータを選択する。
(b) 降雨強度変換
上 記(a)で指定した雨量データに対して、降雨強度変換の入力設定を可能とし、雨量データの任意の期間に対して降雨強度の変換(0.0〜10.0倍)を行 う。なお、降雨強度変換が行われた場合には、変換後の雨量データを用いて流出計算により流入量を算出し、訓練データとして用いるものとする。
(c) 初期貯水位
訓 練開始時の貯水位を任意に設定する。
(d) 初期ゲート開度
訓 練開始時のゲート開度を任意に設定する。
(e) 発電流量
放 流設備毎の目標放流量算出時の与条件の1つとして、発電流量を訓練時間に合わせてスケジュール設定できるものとする。ただし、本項目は、実際に発電放流を 行っているダムのみ対象とする。
B 目標放流量の入力、放流方式の選択機能
操作員が今後放流する各時 刻の目標放流量の入力、今後行う放流方式の選択を可能とするものである。
C 模擬貯水位計算機
模擬貯水位計算は、訓練用 の洪水データとして与えられた流入量と操作員のゲート操作による全放流量の関係から貯水池における貯水位変化を算出するものである。
模擬貯水位計算処理の流れ は以下のとおりである。

図 3−2−12.1 模擬貯水位計算の処理の流れ
D 水文量演算機能
訓 練上の各データを基に以下に示すダム水文量・流域水文量の演算処理を行うものである。
(a) 貯水量
(b) 空容量
(c) 貯水率
(d) ゲート・バルブ1門毎放流量
(e) 放流設備種別毎放流量
(f) ダム放流量
(g) 全放流量
(h) 全流入量
(i) 局別雨量(時間、累計)
(j) 流域平均雨量(時間、累計)
演 算の内容については、「ダム水文量演算処理」、「流域水文量演算処理」に準じるものとする。
E 選択放流方式にもとづく目標放流量計算機能
上記Bで今後行う放流方式 を選択した場合には、同放流方式にもとづき現在(訓練上)の貯水位、全流入量、全放流量、ゲート開度の各データから操作すべき目標値(開度、放流量)を算 出するものである。
対象とする放流方式は以下 に示す方式であるが、各ダムで必要な放流方式を選択するものとする。

各放流方式の内容、目標値 の算出方法については、「操作演算処理」に準じるものとする。
F 訓練速度切替え機能
訓練を行う場合、実際の時間 で実施していたのでは一連の洪水調節を行うまでにかなりの時間を要し、限られた訓練時間内でダム操作訓練が完了しなくなることから、訓練(シミュレーショ ン)の時間を速める機能を具備するものとする。
訓練速度は、任意に以下の速 度に切り換えられるものとする。
・実時間
・3倍
・6倍
・早送り
G 巻き戻し機能、一時停止機能
訓練の途中で重要な操作がある場合、又は操作に誤りがあった場合には、前時刻に戻ってその部分を再度訓練できるように巻き戻し機能を具備するものとする。
巻き戻し機能は、設定した時刻に戻るとともにその時点での貯水位、ゲート開度、放流量で訓練を再開するものとする。
訓練の途中で、休憩等のために一時停止機能を具備するものとする。
一時停止時は、訓練上の時間を停止するとともに訓練用の演算機能を停止し、再開の指示を待つものとする。
H 訓練状況・結果表示機能
訓練終了時及び訓練途中において各種判断、ゲート操作等について操作員が正しく実施したか否かを確認するために、訓練状況や訓練結果の表示を行うものであ る。
操 作ガイドは、自動操作、半自動操作、開度設定値一回限り操作時において、操作員へ操作手順等をガイドして誤操作の防止を図り、円滑かつ確実な操作を可能と するためのものである。 操 作ガイドは、以下の事項を対象に行うものとする。
@ 操作員が次に行うべき操作内容のガイド ・ ボタン選択 ・ 設定値(放流量や貯水位等)の入力 等 A 操作や入力値に誤りがあったときのガイド ・ 選択した放流方式が実行できない理由(演算開始条件に適合しない) ・ 入力値が無効である理由(許容範囲(上限値、下限値)外である) 等
ま た、本処理は放流操作装置で行うものとし、操作ガイドの方法は、放流操作装置モニターへのメッセージ表示とする。 |
(解説)
応 急点検対策ガイドは、ダムコンに障害が発生した場合や定期点検時に、操作員がとるべき対応内容についてガイドし、迅速かつ確実な対応を可能とするためのも のである。
@ 障害時応急対策ガイド 放 流設備やダムコン等に障害が発生した場合に、障害内容、想定される要因、緊急にとるべき対応内容、保守点検業者の連絡先等を操作員にガイドする。 A 定期点検ガイド 定 期点検時において、設備毎の点検内容、点検周期(頻度)、チェック項目等を操作員にガイドする。
ま た、本処理は点検・応急対策ガイド装置で行うものとし、応急点検対策ガイドの方法は、点検・応急対策ガイド装置モニターへのメッセージ表示とする。 |
(解 説)
(1) 応急点検対策ガイドの他、システム機器の履歴管理を行うガイド機能(機器の故障履歴や点検記録の管理)等もあり、ダム毎に必要なガイド処理を特記仕様書で 規定する。
第4章.設備機器仕様
設備の構成にあたっては、以下 に示す基本事項に留意する。 (1)仕様の規定方法
設備の構成については、機能を担当する装置を規定し、どのダムでも同一機能は同一名称の機器が担当する仕様規定とする。これにより信頼性、扱いやすさの向
上を図る。 |
(解説)
(1) 本仕様書で規定している設備の構成は、どのダムでも同一名称の機器は同一の機能を担っているものとする。これによりダムによって操作 や取り扱い方法が変わることを防ぐものとし、扱いやすいものとする。
(2) 今後、情報処理技術の進展等により処理装置の性能が向上した場合においても、設備の構成及び機能の担当は本仕様書によるものとし、設 備構成の変更や機能の担当の変更については、本仕様書の改訂を待って対応するものとする。
(2) 設備仕様 設備仕様(コンピュータの速度、容量)は、日進月歩で進化することから性能規定とする。ただし、コンピュータの種類(PLC、OAパソコン、FAパソコン 等)までは仕様規定する。 なお、将来、新たなコンピュータの 種類がでてきたときには、標準仕様の改訂により対応する。 |
(解説)
(1) 本仕様書においては、それぞれの設備仕様の詳細は性能規定にとどめるが、適用するコンピュータの種類は本仕様書に従うものとする。
@PLC
機 械及びプロセスを制御するために論理、計数、算術演算等の機械をプログラムにより実行するもので、CPU・メモリカード、通信ユニット、入出力ユニット等 により構成される。
AOAパソコン
オ フィスや事務室等、比較的環境の良い所で事務業務等を行うパーソナルコンピュータ。
BFAパソコン
工 場等、環境の劣悪な所で、産業ロボットや工作機械の制御を行うためのコンピュータで、OAパソコンとほとんど同じ構成であるが、RAS機能及び耐環境性が 充実・強化されている。
(3) 装置間のイン ターフェイス仕様 装置間のインターフェイス仕様、通信項目、通信方式については、将来の部分更新、部分改造が容易となるよう仕様規定とする。 設備の構成を図−6(ゲート調節ダム向けシステム構成図)、図−7(自然調節ダム向けシステム構成図)に示す。 @ 機側盤−入出力装置間 ・FL-net(光ケーブル使用) A機側盤−遠方手動操作装置間 ・FL-net(光ケーブル使用) ・非常停止信号(有電圧接点・パルス信号、メタルケーブル使用) ・ ゲート動作中信号(無電圧接点・連続信号、メタルケーブル使用) B入出力装置、遠方手動操作装置、 放流操作装置、放流判断支援・流出予測装置間 ・制御LAN C放流操作装置、放流 判断支援・流出予測装置、情報入力・提供装置、訓練装置、ファイル装置、点検・応急対策ガイド位置、プリンタ間 ・情報系LAN |
(解説)
(1) 機側盤−入出力装置間の伝送に使用する光ケーブルは、シングルモード(SM)光ファイバー2芯を基本とし、光変換器の仕様によりSM光ファイバーケーブル が使用できない場合は特記仕様書で規定する。
(2) 機側盤−入出力装置間及び機側盤−遠方手動操作装置間のFL-net通信仕様を巻末に添付する。
| 機器の仕様、性能ならびにJIS C 0508に基づく安全度水準を表−5に示す。 |
(解説)
(1) 各機器の仕様については表−5に示すものとする。このうち、遠方手動操作装置は下記により構成を基本とする。
・PLC
・操作部及び表示部(タッチパネル付ディスプレイ)
・非常停止SW(ハードスイッチ)
PLC
に
ついてはロッカーに収容する。
タッ
チパネル付ディプレイはOAテーブル上に配置する。
非常
停止SWはスイッチボックスとし、OAテーブル上に配置する。
(2) 各装置に求める安全度水準(安全度レベル)は、ダムコンのFTA解析を行い、ヒヤリハット事例も参考にして各装置の誤作動時に事故に 結びつく可能性の多少ならびに被害の大小の検討を行い、JIS C 0508での安全度水準を設定した。例えば放流操作装置については操作量を演算しゲー トの目標開度を決定する装置で、人命に関わる流水制御指令を行う装置なのでダムコンのなかでは最も高い安全度水準3としている。
(3) 装置の安全度水準は、ハードウェアと処理プログラムの信頼性で決定される。この観点から処理プログラムの信頼性・安全性が異なれば安 全度水準は異なるものである。
(4) 導入する装置・機器の安全度水準の判定は、規定された安全度水準を満たしているエビデンス(根拠を示した記録)をメーカから提出して もらい、了解を発注者が与える。安全度水準の判定は、各装置のハードウェア+処理機能のトータルで行うこととする。
(5) その他装置仕様については、前節の基本事項に基づき設定した。
(6) FAパソコンやOAパソコンは汎用品であり、汎用のOS(オペレーションシステム;基本ソフトウェアのこと。)が採用される。汎用 OSで は、OSのバグフィックス、パッチ当てなどのメンテナンスが重要である。OAパソコンを利用したシステムでは、導入後OAパソコン障害時に同一機種のパソ コンが調達困難なことが想定される。この場合適用可能なOSが限定され、既存シテムのOSが適用できないことが懸念される。これについては既存ソフトウェ アの移植を行わなければならない。

表−5 装置の仕様(1/3)
| 放流操作装置 | 入出力装置 | 遠方手動操作装置 | |
| 安全度水準 | 3 | 3 | 3 |
| 性 能 | 1. 放流操作装置は以下の各機能を所定の周期内で処理できるものでなければならない。 @ダム水文量演算処理 A操作演算処理(目標放流 量・目標開度算出等) B情報判定処理 上記の基 本処理周期は1分とする。ただし表示用の放流量計算処理は2秒とする。 C操作処理(自動操作、半 自動操作、開度設定値一回限り操作) Dデータ蓄積処理(処理に 必要な正分及び正時・定時、異常判定の保存・・・保存期間は表-4「データ蓄積」による) E集計処理 2.表示 放流設備の操作に必要な下記 情報を遅滞なく表示できること @ダム水文量及びテレメータ 水文量の表示 A警報・通報内容の詳細案内 表示 Bゲート及び観測計測機器の 計測及び状態監視 3.操作設定 放流設備の操作に必要な下記 機能を遅滞無く処理できること @操作演算に関わる設定、開 始、終了指示 A放流設備の操作設定値の入 力 B放流設備の操作の起動・停 止 C警報・通報の確認、復帰操 作 D操作ガイド E操作については、パス ワード、ID入力などのセキュリティ対策を施すこと 5.操作記録・異常判定記録・日報・月報・年報・洪水調節報告 6.OS @24時間連続稼動システム で、実績のある汎用OSであること A上記各機能を指定の周期内 に処理できること 7. OS及びハードにおいて最低限必要なRAS機能は以下のとおりとする @メモリパリティエラー検出 機能 A停電検出及びシャットダウ ン機能 B無効命令検出機能 Cウォッチドックタイマー機 能 8.ウィルス除去対策を講じておくこと | 1. 入出力装置は以下の各機能を所定の周期内で処理できるものでなければならない。 @ゲート・バルブ開度なら びに状態信号の受信 Aゲート・バルブの目標開 度・起動指令の送信 B開度異常、ゲート・バル ブ異常の受信と警報通報処理 C選択取水情報(取水位・ 内外水位)の受信 D選択取水異常の受信と警報 通報処理 E設定取水深の送信 F動作制限ソフトタイマー G警報・通知音(ベル・ブ ザー)の吹鳴駆動及びランプ表示駆動 Hバルブ動作中の吹鳴 (チャ イム) I警報・通知音(ベル・ブ ザー)の吹鳴の確認、復帰操作入力 上記の基本処理周期は2秒とする。 2. OS及びハードにおいて最低限必要なRAS機能は以下のとおりとする @メモリパリティエラー検出 機能 A停電検出 B無効命令検出機能 Cウォッチドックタイマー機 能 | 1. 遠方手動操作装置は以下の各機能を所定の周期内で処理できるものでなければならない。 @ゲート開度ならびに状態信 号の受信 A開度異常の受信 Bゲート異常の受信と警報通 報処理 Cゲート「開」「閉」信号の 送信 Dゲート開度・機側盤状態の 表示 Eゲートの「開」「閉」及び 「停止」手動操作 Fゲートの非常停止操作 Gゲート手動操作と 自動操作の切り替え操作 H動作制限ソフトタイマー Iゲート動作中の吹 鳴 2. 警報・通知音(ブザー)の吹鳴及びランプ表示 上記の基本処理周期は2秒とする。 3. OS及びハードにおいて最低限必要なRAS機能は以下のとおりとする @メモリパリティエラー検出 機能 A停電検出 B無効命令検出機能 Cウォッチドックタイマー機 能 |
| 仕 様 | 1.FAパソコンとする | 1.PLCとする | 1.PLCとする |
表−5 装置の仕様(2/3)
| 放流判断支援・流出予測 装置 | ファイル装置 | 訓練装置 | 点検・応急対策ガイド装 置 | |
| 安 全度水準 | 2 | 1 | 1 | 1 |
| 性 能 | 1.放流判断支援・流 出予測装置は以下の各機能を処理できるものでなければならない。 @ダム水文量演算処理(貯水位2次処理、放流量、流入量) A 貯水位、放流量、流入量の判定処理 B試算演算処理(貯水位及び放流量(手入力)からの目標開度の計算 C 流出予測・融雪予測 D洪水初期放流計画支援 E予備放流判 断支援 Fただし書き判断支援 G下流水位予 測、下流氾濫予測支援 H既往台風経路、既往洪水データとの比較支援 I 利水基準点流量チェック支援 J水位低下判断 K流域情報及 びダム諸量表示(表示装置向) 2.OS @24 時間連続稼動システムで、実績のある汎用OSであること A上記各機能を指定の周期内に処理できること 3.OS及びハードに おいて最低限必要なRAS機能は以下のとおりとする @メモリパリティエラー検出機能 A停電検出及び シャットダウン機能 B無効命令検出機能 Cウォッチドッ クタイマー機能 4.ウィルス除去対策を講じておくこと | 1.ファイル装置は以 下の各機能を処理できるものでなければならない。 @情報提供のための情報格納・検索(貯水位、流入量、放流量、貯水 量、雨量、河川水位等) A操作規則・操作細則格納 B洪水設備保守 点検記録格納 C利水設備保守 点検記録格納 Dダム構造物維持保全保守点検記録格納 2.OS @24時間連続稼動システムで、実績のある汎用OSであること A上 記各機能を指定の周期内に処理できること 3.OS及びハードに おいて最低限必要なRAS機能は以下のとおりとする @メモリパリティエラー検出機能 A停電検出及び シャットダウン機能 B無効命令検出機能 4.ウィルス除去対策を講じておくこと | 1.訓練装置はダム管 理所での一連の洪水調節、機器障害発生時の対応、緊急事態発生時の対応等の訓練を行うもので、以下の機能を処理できるものでなければならない。 @訓 練データ登録 A訓練開始時の条件設定 B目標放流量の 入力、放流方式の選択 C模 擬貯水位計算 Dダム水文量演算 E選択放流方式 にもとづく目標放流量計算 F訓 練速度切換 Gフィードバッ ク、一時停止 H訓練状況・結果表示 2.他システムで実績 のある汎用OSであること 3.ウィルス除去対策を講じて おくこと | 1. 点検・応急対策ガイド装置は以下の各機能を処理できるものでなければならない。 @設備の障害時応急対策ガイド A設備の定期点 検ガイド B常用洪水吐からの越流時期予測支援 C非常用洪水吐 からの越流時期予測支援 2.他システムで実績 のある汎用OSであること 3.ウィルス除去対策を講じて おくこと |
| 仕 様 | 1.FAパソコ ンとす る | 1.PCサーバーとす る | 1.OAパソコンとす る | 1.OAパソコンとす る |
表−5 装置の仕様(3/3)
| 情 報入力・提供装置 | 機 側盤 | 光 ケーブル接続盤・中継端子 | |
| 安 全度水準 | 1 | 3 | 3 |
| 性 能 | 1. 情報入力・提供装置は以下の各機能を処理できるものでなければならない。 @テレメータ観測情報の入力 A流域水文計算(雨量・水 位・河川流量) B流域水文量情報の判定処 理・警報通報処理 Cテレメータ装置異常の判 定処理・警報通報処理 D上位局向け通信装置への情 報出力 E電話応答通報装置への情 報出力 2. OS @24 時間連続稼動システムで、実績のある汎用OSであること。 A 上記各機能を指定の周期内に処理できること。 3. OS及びハードにおいて最低限必要なRAS機能は以下のとおりとする @メモリパリティエラー検出 機能 A停電検出及びシャットダウ ン機能 B無効命令検出機能 Cウォッチドックタイマー機 能 4. ウィルス除去対策を講じておくこと | 1. 機側盤は以下の各機能を処理できるものでなければならない。 @開度の入力・送信 A状態信号の入力・送信 B開閉指令の出力 C設備の状態判定 D設備異常の判定・送信 E流量計異常の判定・送信 F目標開度・起動指令の受信 G目標開度データの妥当性判 断 H開閉信号の受信 I開度制御機能 J入出力装置及び遠方手動 操作装置とのその他必要情報の送受信機能 K過動作保護タイマー(ソ フト、ハード) L手動操作 M 非常停止 2. OS及びハードにおいて最低限必要なRAS機能は以下のとおりとする @メモリパリティエラー検出 機能 A停電検出及びシャットダウ ン機能 B無効命令検出機能 Cウォッチドックタイマー機 能 注) 上記機側盤の機能は、入出力装置・遠方手動操作装置と関連する部分について記述したものであり、上記以外の放流設備との受け渡し信号及び機側での表示・操 作機能等に関しては特記仕様書による | 1. 光ケーブル接続盤は、機側盤と入出力装置間の光ケーブルの中継を行うものとし、次の機能を有するものとする。 @屋外伝送用と屋内用の光 ケーブルを接続する機能 2. 中継端子盤は機側盤と遠方手動操作装置間のメタルケーブルを接続するもので、次の機能を有するものとする。 @機側盤への非常停止信号の 中継 A 機側盤からのゲート動作中信号の中継 |
| 仕 様 | 1. FAパソコンとする | 1.PLCとする | ― |
装置毎の関連装置との接続仕様は次のとおりとする。 (1)貯水位計測装置 FL−net通信 (2)情報入力・提供装置 @ 上位局 TCP/IP A テレメータ装置 RS232C(国電通仕第21号) B 電話応答通報装置 RS232C (3)時計 情報系LAN(TCP/IP) (4)情報公開装置 情報系LAN又は情報入力・提供装置 |
(解説)
(1) 貯水位計測装置との通信は、制御系LANによるものとし、貯水位データの入力処理(前処理、検定処理、一時加工処理)は貯水位計測装 置にて行うものとする。
(2) 上位局との接続仕様は、別途河川情報システム等との整合を図るものとする。
(3) 電話応答通報装置への情報提供内容及びタイミング等については特記仕様書によるものとする。
応 答通報内容(例示)
| データ項目 | 応 答 | 通 報 | 備 考 | |
| 1 | 貯水位 | ○ | ○ | |
| 2 | 貯水量 | ○ | ○ | |
| 3 | 貯水率 | ○ | ○ | |
| 4 | 流入量 | ○ | ○ | |
| 5 | 放流量 | ○ | ○ | |
| 6 | 流域平均時間雨量 | ○ | ○ | |
| 7 | 流域平均累計雨量 | ○ | ○ | |
| 8 | 地震発生通知 | − | ○ |
(4) 時計装置は、本仕様書ではタイムサーバを想定し、TCP/IP接続を標準としている。
(5) 情報公開装置との接続は、情報系LANへの接続の他、情報入力・提供装置を介しての接続のいずれかの方法とする。この場合、後述のセ キュリティ対策を具備するものとする。
第5章.安全対策
| ダムコンの安全対策は国際規格であるJIS C 0508で定める安全度水準に従って行うものとし、各機能の安全度水準は下表のとおりとする。 表−6 ダムコンの各機能の安全度水準
|
(解説)
(1) 各機能で定めた安全度水準(安全度レベル)は、ダムコンのFTA解析を行い、既往の事故事例・ヒヤリハット事例に基づき、それによる危害の大小、事象発生頻度との関係からリスク分析を行い、定めたものである。
(2) ダムコンの安全度水準の定義は次のとおりである。
【ダムコンの安全度水準】 ダムコンの安全度水準 は機能を担うハードウェア装置の信頼度の高低並びにソフトウェアの構造及び製作ツール等の信頼度の高低ではなく、人間の操作間違い、勘違い、装置の暴走な どがあってもそれを防ぐための仕組みがどの程度組み込まれなければならないかをレベル付けしたものである。 |
例えば、放流操作装置で処理する『ゲートの操作処理 機能』については、『ダム水文量の演算』より高い安全度水準3としているが、これは装置が暴走しおかしな目標放流量を算出してもそれをおかしいと判断し、 ゲート動作を行わないような仕組みを幾重にも(『ダム水文量の演算』よりも多く)備える必要があることを示している。この安全のための機能を安全要求仕様 として仕様書に定義している。
(3) ダムコン機能の安全度水準レベルの解釈は下記のとおりである。
【ダムコン機能の安全度水準の解釈】 ■ 安全度水準3の機能 @万が一誤って事故が起きた場合は重大事故になり、 A誤れば事故に結びつくような状態に常におかれていて、 B自身の処理機能以外に事故を防ぐ、他の仕組みが無い。 上記のような『危険な処理を行う』ので、それに見合った安全機能を持つもの。 ■安全度水準2の機能 @万が一誤って事故が起きた場合は小事故であるが、 A誤れば事故に結びつくような状態に常におかれていて、 B自身の処理機能以外に事故を防ぐ、他の仕組みが無い。 上記のような『やや危険な処理を行う』ので、それに見合った安全機能を持つもの。 ■安全度水準1の機能 @万が一誤って事故が起きた場合は小事故であり、 Aたまに事故に結びつくような状態におかれることがあるが、 B自身の処理機能以外に事故を防ぐ、他の仕組みは無い。 上記のような『注意しながら処理する必要がある』ので、それに見合った安全機能を持つもの |
| 機能の安全性については、JIS C 0508でいう安全要求仕様で定めるものとし、表−7の項目を含むものとする。 |
(解説)
(1) 基本的にはJIS C 0508での安全度水準に応じた設計・品質管理・保守を間違いなく行っていることを発注者に対して証明する必要がある。今後、バラツキを少なくする意味合いでガイドラインを作成するものとする。
(2) 前述の安全度水準の定義に従って、安全度水準の高い機能の装置については安全機能の作りこみ・品質管理を厳密に行い、安全性信頼性を確保することで対応を図るものとする。
(3) システム障害時のバックアップについては、ゲート操作に関しては、遠方手動操作装置の導入、ダム水文量の演算については、放流判断支援・流出予測装置でのバックアップにより対応するものである。
表−7 機能と安全要求仕様
| 機 能 | 安全要求仕様 | |
| 1 | 機側盤 | @PLC障害発生時の誤動作防止 A伝送異常時の誤動作防止 B操作指令異常時の誤動作防止 C開度制御中のゲート設備異常時の処理 |
| 2 | 機側−管理所間の伝送 | @伝送路断時の処理 A伝送路復旧時の処理 B伝送速度の確保(2秒1p) |
| 3 | 入出力処理 | @PLC障害時の誤処理防止 A伝送路異常発生時の指令出力・ゲート情報入力処理 |
| 4 | ゲート動作 | @放流操作装置のFAパソコン障害発生時の誤動作防止 A遠方手動操作装置 ・PLC障害発生時の誤動作防止 ・伝送路異常発生時の指令出力・ゲート情報入力処理 |
| 5 | ゲートの操作処理 | @放流操作装置のFAパソコン障害発生時の誤処理防止 A操作員の誤操作防止 ・うっかり操作 ・勘違い・思い込み操作 ・不慣れ操作 |
| 6 | 操作量の算出 | @放流操作装置のFAパソコン障害発生時の誤算出防止 A目標放流量の合理性チェック B目標開度の合理性チェック |
| 7 | ダム水文量の演算 | @放流操作装置のFAパソコン障害発生時の誤演算防止 A流入量・放流量の合理性チェック |
| 8 | 設定操作 | @操作員の誤設定防止 ・うっかり設定 ・勘違い・思い込み設定 ・不慣れ設定 |
| 9 | 計測設備 | @貯水位 ・誤計測防止 ・正副貯水位切換処理 A開度計 ・誤計測防止 B発電電力・流量・ゲート情報 ・誤計測・入力防止 ・計測設備異常発生時の処理 |
| 検査方針はJIS C
0508に基づくものとし、以下の各項に従って行うものとする。
@ 検査時の装置構成(実機と試験装置の組み合わせ)については、あらかじめ発注者の承認を得ること。 A 検査は処理機能の項目と安全要求仕様項目について行うこと。 B 検査内容ならびに合否基準は、設備ならびに処理の安全度水準に従って定めること。 C 検査手順を「検査実施要領書」として文書化し、事前に発注者の承認を得て実施すること。 D 合格と判定した理由を「検査結果報告書」に記載すること。 E 検査時使用した、測定装置・試験装置の校正履歴(規格、有効期間等)を記載すること。 F 検査の実施は安全度水準に応じた独立部門が行うこと。 |
(解説)
(1) 検査は、ハードウェアの機械的な検査のほか、機能検査、安全機能の検査も含めて行うことが必要である。検査は、安全度水準が高いものは厳しく実施することが求められる。このため、安全度水準に応じた検査項目、検査方法を採用することが必要である。
(2) 検査は、製作メーカの独立した検査部門で実施するものとする。
(3) 検査時の装置構成(実機と試験装置の組み合わせ)は検査の品質に絡む重要な要素である。このためどのような装置構成で検査するかを事前に発注者と協議しておく必要がある。
(4) 検査は通常の処理機能検査のほか、標準仕様書又は特記仕様書で規定した安全機能について検査するものとする。
(5) 安全度・信頼度を確保するため、各装置の機能は標準仕様書又は特記仕様書で規定した安全度水準の応じた、障害時・故障時・レアケース・誤操作などの検査項目について検査する。
(6) 発注者の検査への意向を反映するため、受注者は検査前に検査実施要領所を作成し、発注者と事前協議して実施することとする。
(7) 「検査結果報告書」には、○○機能合格だけでなく、入力情報が△△で、出力情報が◇◇で、各タイミングが■■で、よって合格である、のように判定までの一連の流れがわかるように記述する。
(8) 不具合の再発防止のため、各測定装置・試験装置など検査時に使用した機材の構成履歴を「検査結果報告書」に記載する。
(9) 安全機能の検査要領(案)を巻末に添付する。
| ダムコンにおけるセキュリティ対策として「Web等情報提供装置(別途システム)のセキュリティ」「ダムコン保守時のセキュリティ」「操作権のセキュリティ」対策を実施する。 |
(解説)
(1) セキュリティ対策は、各管理者のセキュリティポリシーに基づいて行うものとする。「ダム操作に関する情報提供」や「下流の河川管理者、水防管理者等との連 携のための情報提供」ならびに「啓発・安全教育のための情報提供」などが必要な場合は、必要に応じて関連装置として情報提供装置が配置される。情報提供装 置(別途システム)にて、外部(インターネット)及び内部(イントラネット)からの不正アクセス・ウィルス攻撃等のセキュリティ対策としてファイアー ウォールの設置によるセキュリティ対策を講じるものとする。またダムコンと情報提供装置間にルータを設置する。この場合、ダムコン→情報提供装置の片方向 通信とする。
(2) ファイアーウォールには、アプリケーションゲートウェイ(Proxy)、サーキットレベルゲートウェイ、パケットフィルターなど、必要なサービスのみを通過させる機能を具備することが必要である。
(3) ダムコン保守時に保守業者が持ち込むメンテナンス用パソコン等に対して接続する前に必ずウィルス駆除等の対策を講じておき、保守の実施にあたることが必要である。
(4) 放流操作装置及び遠方手動操作装置における操作権のセキュリティ対策として、パスワードによる操作員認証等の機能を有するものとする。パスワードは定期的に変更する等、管理を徹底させるものとする。この他、物理的なキースイッチやICカード等のセキュリティ等もある。
更 新 編
第6章.更 新
ダムコン システムのトータルコスト(イニシャル及びランニングコスト)を削減し、あるべきシステム構成に近づけるためのダムコン更新の基本方針を示す。
1)ダム コン更新の目的
ダムコンは、放流設備を操作規則
に基づき確実かつ容易に操作するため、ダムの流水管理に関わる演算処理や放流設備の操作ならびに操作の支援を行うための設備であり、操作規則に規定される
ダムの持つ機能を確実に発揮することを目的としている。このため、洪水時、平常時のダム運用において適切な操作を実現するためには、現状の水文量を迅速に
計算して放流計画立案のための判断情報を操作員に提供し、操作員の判断のもと放流設備を的確に操作支援するダムコンが必要である。
ダムコンを設置後、経過年数が長
くなると、設備の老朽化やシステムとしての機能の低下が生じてくる。さらに近年の目覚ましい情報通信技術の進展に伴い、既設の設備機能がめまぐるしく変化
し情報技術に適合できなくなるなどの状況も見受けられる。
このため、ダム管理の機能保全と
安全性信頼性確保を図ることを目的に、ダムコン全体又は部分改良の見直しを含めた更新・改造を行うことが必要となる。
ダ
ムコンの更新を行う場面として
は、下記の事項を組み合わせて更新計画を実施することが考えられる。
【ダムコ ン更新の場面】
○ 設備 機器の老朽化の場合
設備機器 の老朽化によりダム管理業務に支障を与える場合
○ ダム コン機能を改善する場合
ダ ムの操作規則や洪水調節方式が変更となった場 合や、堰堤改良事業によりゲートバルブ等の操作制御すべき施設が新設されてダムコン機能の改善を必要とする場合
○ 新し い機能を導入する場合
運 用操作の方式が複雑で熟練操作が必要な施設と なっており、より効率的な操作運用方式を導入する必要がある場合
これらの 場合を想定し、ダムコン更新の基本的な考え方を示す。
2)設備 機器の老朽化の場合
ダムコン システムを竣工してから年数が経過しており、ランプ切れや駆動部(ファン、モータ等)の異音、異臭等の部品劣化が生じてくるなど、設備機器の老朽化によ り、重大な事故につながる要因が潜在している可能性がある。この場合、これによりダム本来の機能(利水・治水)を損なう危険性を含んでいる。
ダム管理 に万全を期するためには、機器の老朽化による重大な事故を避ける必要があり、日々の機器の維持管理により機器を健全な状態に保つとともに、老朽化が著しい システムにおいては、システム改良・更新による抜本的な対策を講じていくことが必要となる。
設備機器 の老朽化の要因は、システムを構成する機器、さらにはその機器を構成する部品毎に劣化状況が異なる。
(1) システムの老朽化判定の留意事項
@.シス テム機器の重要度に応じた老朽化判定
基本機能 1,2,オプション機能の分類と機器老朽化を連動
A.機器 の設置環境(塵埃、高温高湿度、低温)等の考慮
劣悪環境 下では機器の劣化が激しい
B.機器 障害の頻度・累積状況
障害が多 く見られるとシステム全体の老朽化の兆し
(2) 機器老朽化による更新の基本的な考え方
@.保守 部品(交換部品)の入手状況、保守終了期限
機器のメ ンテナンスにおいて、定期的な劣化部品 の交換により、機器及びシステム全体を健全な状態に保つことが必要であるが、交換部品の有無、代替品の有無により、機器のメンテナンスの対応年が左右され る。
このた め、各部品の生産状況、部品保有期限を把 握し、主要部品において、以後の購入や保守が困難となった場合、機器の更新が求められる。
A.機器 障害の増加傾向
機器の障 害は、初期ある製品が生産され、使用期 間を経て廃棄されるまでの生涯の故障率の推移を図にすると下図のようになる。その形から、バスタブ曲線と呼ばれている。製造完了時点を時間軸の“0"点と してタテ軸に故障率を表している。

図6−1.1 バスタブ曲線
(I) 初期故障時間
初期にお ける高い故障率は初期故障期間と呼ば れ、この期間の故障は初期故障といわれている。潜在していた設計ミス、工程での欠陥などさまざまな弱点が使用初期にあらわれる。この種の欠陥を早く見い出 し、動作を安定させる必要がある。
(II) 偶 発故障期間
初期故障 がおさまると、つぎはかなり長時間にわ たって故障率の安定した期間(II)となる。故障率がほぼ一定ということは故障がランダム(時間的に)発生することを意味し、この期間を偶発故障期間、故 障を偶発故障と呼ばれる。
(III) 摩 耗故障期間
偶発故障 期間が過ぎると故障率が漸次高くなる期 間(III)がつづく。これは摩耗、疲労などにより寿命がつきることに起因するもので、この期間を摩耗故障期間、故障を摩耗故障と呼んでいる。この種の故 障に対しては、事前の予知による取替えなどで予知できる。
大量の生 産部品では、その統計値から実績や実機 での性能確認で、ある程度予測が可能である。また、部品の使用が意図されるのは、偶発故障期間だけであって、この期間の長さを寿命という。
3)ダム コン機能を改善する場合
ダムの操 作規則や洪水調節方式が変更となった場合や、堰堤改良事業によりゲートバルブ等の操作制御すべき施設が新設されてダムコン機能の改善を必要とする場合は、 ダ ムコンの処理プログラムの改造及び追加が必要となる。
既設の処 理装置のプログラム容量に空きがあり、使用している言語及びツールが比較的新しく現在でもプログラムを製作できる状況であれば既設プログラムを改造もしく は、新規に制作したプログラムを既設プログラムに組み込むことでダムコン機能の改善が可能である。
ただし、 プログラム容量に空きがない場合や古いソフトウェアでどのメーカにおいても製作が著しく困難で製作に膨大な費用が必要とされる場合も考えられる。
このよう な場合は以下に示す方法を採らざるを得ない。
【既設ダ ムコンの改造が出来ない場合】
ダムコン
の改善機能を独立した装置で製作し、既
設ダムコンで対処出来る改造方法で接続する。この場合、割高な費用が必要となるがやむを得ない。
また、施設の新設の場合、既設ダムコ
ンの改造が
難しい場合は新設される設備が独立して処理することも考えておく必要がある。
4)新し い機能を導入する場合
運用操作 の方式が複雑で熟練操作が必要な施設となっており、より効率的な操作運用方式を導入する必要があるなど、新しい機能の導入を図る場合はダムコン機能の見直 しを行う必要があるため、基本的にはダムコンを更新することが必要である。
ただし、 導入時期との関係で更新できない場合もある。このような場合は独立した支援装置等を設置することで目的を達成できないかを検討する必要がある。
以上、ダ ムコンの更新の場面を示したが、一般的に最も多い更新の場面は『2)設備機器の老朽化の場合』である。
ダムコン を構成している装置は、保守部品(交換部品)の入手状況、保守終了期限、性能の劣化状況が各々の装置毎に異なる。ダムコンの構成機器及び関連機器の中では 一般的にパソコン又は汎用品は耐用年数が短く、機側盤やPLC、通信機器等専用品は耐用年数も比較的長い。これらの耐用年数の違いでダムコンの更新方針も 違ってくる。
次に更新 時期が異なる、機側盤とダムコンの更新方針について基本的な考え方を示す。
5)機側 盤とダムコンの更新方針
本仕様書 に基づくダムコンは、ゲート機側盤とFL-netを介して光ケーブルで直結する方式を採用している。
本方式 は、ダムコン、機側盤ともに同時期に整備される新設ダムには適しているが、既設ダムの設備更新時には、ダムコン、機側盤の更新時期がずれることが多く、ま た、機側盤がPLCではなくリレー式で製作されているものもあるため、手戻りのない効率的な更新計画を立案することが必要となる。
このため ここでは、既設ダムの設備更新時を想定し、ダムコンと機側盤の更新年が異なる場合を想定した更新方法について示すものである。
本節で は、機側伝送装置もダムコンの構成装置として取り扱う。
【ダムコ ンと機側盤の更新時期の違い】
@.機側 盤を先行して更新する。
A.ダム コンを先行して更新する。
各々の ケースについて、更新方法を次頁以降に整理する。
(1)機側盤先行更新
機側盤先 行更新のケースでは、機側盤更新時に既設ダムコンのインターフェイスに合わせ更新し、その後ダムコン更新時に、インターフェイスをFL−net方式に変更 する。

(2)ダムコン先行更新
ダムコ ン先行更新時は、既設機側盤にインター フェイスを合わせるとともに、機側盤と入出力装置、又は遠方手動操作装置との接続を、FL−net方式にする必要があり、新しいインターフェイスを既設機 側盤に実装するか、別装置を設置する必要がある。


ダムコン を先行して更新する場合は、機側盤更新までは本仕様書に対応したインターフェース(FL−net方式)が必要となるが、このインターフェースは機側盤更新 後は不要となり、撤去することになる。
このこと はコスト縮減の観点から問題である。
数 年後に機側盤の更新が考えられる場合はダムコンの更新と機側盤の更新を同時期に行うことが望ましい。
ダムコン を更新する場合の評価項目を整理し、ダムコン更新のチェックリストを示すものである。
1)機器 劣化状況の把握方法と更新基準
@.機器 の劣化について
機器の劣 化は動作環境によって異なり、設置環境 に注意が必要である。同じ機器でも劣悪な環境に設置された場合は早く劣化するし、良好な環境に設置されメンテナンスも十分に行われている機器は寿命が延び る。
従って、 ダムコンの構成機器の設置されている周 囲環境(粉塵、温度、湿度)並びに外力(雷、物理的衝撃)が加わりやすい場所に設置されているかなどにも注意する必要がある。
また、ダ ムコンシステムは汎用品を積極的に活用 する思想にたって構成されている。パソコン等の汎用品において、性能が劣化していく部品としては、下記のものが考えられる。
· 電源部(電源電圧の低下)
· データ入力部(A/D・D/A変換精度の悪化)
· ディスプレイ部(輝度の低下、焼き付き)
· 冷却ファン(異音、軸摩耗等)
· ハードディスク(異音、軸摩耗等) 等
A.ダ ムコンを構成する機器について
ダムコン を構成する主要部品毎の劣化状況把握の ための評価項目及び評価基準について、表6−2.1に示す。
ここでの 耐用年数は、標準的なメーカ推奨値を整 理したものであり、「6−1.更新の基本方針」でとりまとめた機器の更新周期の目安と合わせて設定していく必要がある。
1. 演算処理装置(FA−PC)
2. 情報管理装置(PCサーバ)
3. 入出力処理装置(PLC)
4. 機側伝送装置(PLC)
5. 表示設定操作卓(FA−PC及びPLC)
6. 遠方手動操作卓(PLC)
7. 端末装置(OA−PC)
8. 情報伝達処理装置(FA−PC)
設備機器 の老朽化の要因は、システムを構成する機器、さらにはその機器を構成する部品毎に劣化状況が異なる。このため、本節ではダムコンシステムを構成する各機 器、構成部品毎の機器劣化状況を判断するための指標、及び部品毎の交換周期(標準耐用年数)についてとりまとめるものである。
前章の 「6−1.更新の基本方針」における、機側盤先行更新とダムコン先行更新の各ケースについて、更新の手順を示すものである。
1)段階 整備(ケース1):機側盤先行更新
機
側盤が
先行で更新済みの場合において、後追いでダムコンの更新を行う場合を想定し、その更新スケジュールを表6−3.1に示す。
機側盤の
更新周期は10〜12年、ダムコンの更新周期は10〜12年とし、パソコン等汎用品の更新は5〜7年毎とした。
本
仕様書
では、各装置間のインターフェースは制御系LAN(FL−net)、情報系LAN(TCP−IP)とも汎用インターフェースであり個別装置の交換で他装置
へ影響することはない。
またソフ
トウェアについては、ハードウェア交換時には必要最低限の費用で移植が可能なものとし、全体システムの更新が行われるまでの間は既存ソフトウェアを流用す
ることでコストを抑えるものとする。

2)段階 整備(ケース2):ダムコン先行更新
機
側盤が
先行で更新済みの場合において、後追いでダムコンの更新を行う場合を想定し、その更新スケジュールを表6−3.1に示す。
機側盤の
更新周期並びにダムコンの更新周期は「1)段階整備(ケース1):機側盤先行更新」の場合と同様に、各々10〜12年とし、パソコン等汎用品の更新は
5〜7年毎とするものとする。
個 別装置 更新時の他装置への影響は無いこと、及び既存ソフトウェアの流用についても「1)段階整備(ケース1):機側盤先行更新」の場合と同じとする。
「1)段 階整備(ケース1):機側盤先行更新」の場合と異なるのは、既設機側盤を流用することである。機側盤が単純なリレー式の場合は保守をしっかりすることで寿 命は25年程度まで延びる。この期間がダムコンの更新時期と同じか長ければ次の更新時にダムコンと機側盤を一緒に更新すればよい。
